Acier profilé


L'acier profilé est un acier laminé, étiré ou embouti selon une forme définie dont la section est la même sur toute sa longueur. Il s'agit du matériau de produits semi-finis (de) (« produits longs ») en acier ainsi que de composants en forme de barre (poutrelles en acier).
Le profil en acier est un nom à la fois pour le composant lui-même et pour sa section transversale respective, le profil. Un profilé en acier peut être assemblé et relié par soudage, vissage ou rivetage. Les profilés en acier traditionnels sont des poutres laminées standardisées qui reçoivent une peau de laminage (de) lors du laminage à chaud (de). Les produits sans peau de laminage sont également appelés acier clair (de) .
Les profils pliés sont pliés à partir d'une bande de tôle sur une plieuse (de) . Ils diffèrent des poutres laminées par le fait qu'ils ont une surface plus lisse et des bords arrondis.
Dans le cas des profilés en acier à trois plaques, les plaques extérieurs sont appelés ailes ou semelles. La partie médiane de liaison s'appelle âme.
Contrairement aux poutres à âme pleine, les poutres-caissons et les tubes en acier, ou profils creux, enferment une cavité et, en plus des deux ailes, peuvent également avoir deux ou plusieurs âmes ; ils ne sont généralement pas comptées comme profilés en acier, mais comme tuyaux ou poutres en tôle, car en outre, des étapes supplémentaires au laminage sont nécessaires pour leur production.
Profils communs
Remarque : Toutes les images de cette section montrent des poutres laminées.
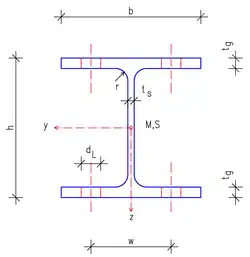
- Profil en I (double poutre en T) selon DIN (de) 1025
- Poutrelles étroites profilées en I (IPN) selon DIN 1025-1
- Profilés I laminées à chaud - série IPE (de)) selon DIN 1025-5
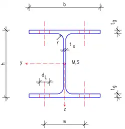
- Poutre à larges ailes (de)
- Version allégée (série IPBl ou HEA) selon DIN 1025-3
- Version standard (série IPB ou HEB) selon DIN 1025-2 (EN 10034)
- Version renforcée (série IPBv ou HEM) selon DIN 1025-4
Profil normal IPN
Profil IPE
Profil HEA (IPBl)
Profil HEB(IPB)
Profil HEM(IPBv)
- Profil GI (profil I de blindage des mine, DIN 21530), profil I renforcé au niveau de la semelle et de la transition
- Profilé en P, anciennement également connu sous le nom de « Peiner » ou Poutre Peiner (de) [1]
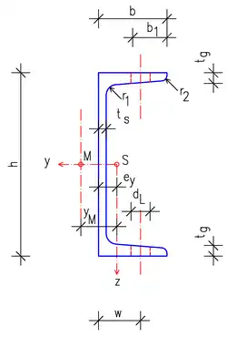
- Profilés en U d'ailes inclinées en acier (série UNP ) selon DIN 1026-1
- Poutrelle U à ailes parallèles (série UPE ou série UAP) selon DIN 1026-2
- Fers T en acier à ailes égales et à coins arrondis laminés à chaud selon DIN EN 10055 (ancienne selon DIN 1024)
- Profil Z à bords arrondis selon DIN 1027
- Profilé en L (également cornière, profilé d'angle ou support d'angle ) selon EN 10056-1
- Cornière à ailes égales (anciennes selon DIN 1028)
- Cornière à ailes inégales (anciennes selon DIN 1029)
- Profil TH (profil Toussaint-Heintzmann pour agrandissement de la mine )
Profil U(UNP)
Profil UPE
Profil en T
Profil Z
Profil en L à ailes égales
Profil à L à ailes inégales
Profil TH
- Hollandprofil (de)
- Tubes ronds et carrés
- Palplanche
- mur de palplanches lourd (double T)
- mur de palplanches léger (profil Larssen, profil Z)
Le point commun de tous ces profils est que non seulement la forme est spécifiée exactement dans la norme, mais également d'autres valeurs de section pour le calcul de résistance statique (de) et de déformation :
Les noms de ces grandeurs proviennent de la physique des corps en rotation, mais ici, c'est une surface qui est déterminante au lieu de la masse. Par analogie, l'unité de mesure du moment d'inertie en kg × cm² s'applique au moment quadratique en cm² × cm²= cm4 (surface × distance²).
Les moments quadratiques et les moments centrifuges surfaciques peuvent être convertis en zones autres que les principaux axes de gravité de la section transversale à l'aide du calcul tensoriel. Étant donné que les formules nécessaires à cet effet sont compliquées et sujettes aux erreurs, une aide au dessin est également utilisée, le cercle de Mohr.
Applications
En plus de la construction générale en acier, les profilés en acier de plus grandes dimensions sont souvent utilisés dans la construction navale, la construction industrielle (de) et la construction de ponts.
Les Walzträger-in-Beton (de) (WIB) font référence à un type simple de construction de pont dans lequel des poutres en acier massives s'étendent librement d'une culée à l'autre et sont recouvertes de béton.
Notes et références
- ↑ publikationsserver.tu-braunschweig.de (PDF; 13 MB)
Voir aussi
Bibliographie
- Ulf Hestermann, Ludwig Rongen: Frick/Knöll Baukonstruktionslehre 1. 36. Auflage. Springer Verlag Fachmedien, Wiesbaden 2015, (ISBN 978-3-8348-2564-3), S. 381–384.
- Heinz M. Hiersig (Hrsg.): VDI-Lexikon Maschinenbau. VDI-Verlag, Düsseldorf 1995, (ISBN 3-540-62133-4).
- Peter Kiehl (Hrsg.):Einführung in die DIN-Normen. 13. Auflage. Beuth Verlag, Berlin 2001, (ISBN 3-519-26301-7).
Liens externes
- Profilstahlliste. salzgitter-mannesmann-stahlhandel.de
- Stahlkatalog (PDF; 16 MB) richter-kiel.de
- Portail de l’architecture et de l’urbanisme
- Portail des sciences des matériaux