CEI 61131-3
La CEI 61131-3, intitulée Automates programmables - Partie 3 : Langages de programmation, est une norme de la Commission électrotechnique internationale (CEI) relative à la programmation des automates programmables industriels (API). Publiée la première fois en [1], sa dernière édition date de .
Contenu
Cette norme définit quatre langages de programmation utilisés pour les automates programmables industriels :
- 2 langages textuels :
- liste d'instructions (IL, Instruction List),
- texte structuré (ST, Structured Text) ;
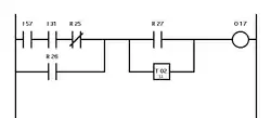
- 2 langages graphiques :
- diagramme à contacts (LD, ladder Diagram),
- diagramme de bloc fonctionnel (FBD, Function Block Diagram).
Elle définit un autre ensemble d'éléments graphiques et textuels appelé diagramme fonctionnel séquentiel (SFC, Sequential Function Chart) pour structurer l'organisation interne des programmes pour API et des blocs fonctionnels. Le SFC n'est donc pas un langage de programmation et ne doit pas être confondu avec le GRAFCET (Graphe fonctionnel de commande étape transition), langage de spécification pour les diagrammes fonctionnels en séquence défini par la norme NF EN 60848.
Éditions
| Édition | Nom | Date | ISBN | |
|---|---|---|---|---|
| 1.0 | IEC 61131-3:1993 | 2-8318-2585-7 | [2] | |
| 2.0 | IEC 61131-3:2003 | 978-2-8322-2616-2 | [3] | |
| 3.0 | IEC 61131-3:2013 | 978-2-8322-0661-4 | [4] |
Références
- ↑ (en) Tom Stevic, « A very short history of PLC programming platforms », sur controldesign.com, .
- ↑ (en) « IEC 61131-3:1993. Programmable controllers - Part 3: Programming languages », sur iec.ch.
- ↑ (en) « IEC 61131-3:2003. Programmable controllers - Part 3: Programming languages », sur iec.ch.
- ↑ (en) « IEC 61131-3:2013. Programmable controllers - Part 3: Programming languages », sur iec.ch.
Voir aussi
Bibliographie
- Nicolas Jouvray, « Langages de programmation pour systèmes automatisés : Norme CEI 61131-3 », Techniques de l'ingénieur. Informatique industrielle, vol. S3, no S8030, (ISSN 1632-3831, lire en ligne).
Lien externe
- Le sommaire officiel de la CEI 61131-3, version 3.0 (2013), prévisualisation sur le site de la CEI
- Portail de la production industrielle
- Portail de la programmation informatique