Circuit intégré 7400

Circuit intégré 7400 (Texas Instruments SN7400N)
Die d'un Texas Instruments SN7400
Repérage des transistors et des résistances du circuit d'une des portes logiques du die précédent, avec son schéma électronique

Le circuit intégré 7400[1] fait partie de la série des circuits intégrés 7400 utilisant la technique TTL.
Ce circuit est composé de quatre portes logiques indépendantes NON-ET à deux entrées.

Brochage

Brochage des boîtiers DIP
(vue du dessus)

Table de vérité

Entrées Sortie
A B Y
0 0 1
0 1 1
1 0 1
1 1 0

Schéma interne

La réalisation du circuit TTL 7400 varie en fonction de la série à laquelle il appartient (standard, L, S, LS, AS...). Chaque série présente des performances spécifiques (temps de propagation, consommation électrique, immunité au bruit, protections...) destinées à répondre à des besoins déterminés (rapidité de fonctionnement, autonomie, résistance à des perturbations et à des environnements agressifs...) tout en restant compatible avec les circuits TTL des autres séries. Pour une série donnée, la réalisation du circuit varie également d'un constructeur à l'autre et au gré des améliorations technologiques.

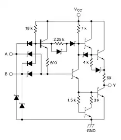
Schéma équivalent d'une l'entrée d'une porte TTL Standard SN7400 (d'après Texas Instruments), les autres entrées étant à l'état haut. La tension d'avalanche de la jonction D1 limite la tension d'entrée à moins de 6V.
Ce schéma est repris dans les circuits de test des sorties totem-pole.

Les différentes variantes du circuit partagent la même architecture globale, à savoir :

  • la mise en œuvre de transistors bipolaires saturés
  • un opérateur logique ET à deux entrées (A et B) réalisé à l'aide de deux jonctions P-N reliées par leur anode à une résistance de rappel à VCC ; le niveau de tension au point commun à ces anodes et à la résistance de rappel (point [c] dans l'illustration ci-contre) est représentatif du résultat logique de l'opération ET
  • un amplificateur inverseur de type push-pull ("totem-pole") qui inverse le résultat logique précédent (opérateur NON) et produit sur la sortie (Y) une tension conforme au niveau TTL correspondant.

Remarque : on trouve deux ou trois jonctions P-N en série (dont deux appartenant à l'amplificateur) entre le point [c] et la masse (GND) et une seule jonction P-N entre le point [c] et chaque entrée. Ces jonctions P-N présentant des tensions de seuil relativement faibles, cette configuration limite fortement la tension de basculement de la porte logique et, par conséquent, les tensions qui définissent les états logiques (état bas au-dessous de 0,8 V, état haut au-dessus de V). Par ailleurs, l'application d'un niveau logique haut sur une entrée entraînant le blocage de la jonction P-N qui y est reliée, le courant d'entrée (statique) à l'état haut est quasiment nul (< 50 µA).


Différences de réalisation d'une porte 74LS00 (Low-power Schottky) entre les constructeurs et entre les références d'un même constructeur :

Schéma d'une porte du circuit SN74LS00 de Texas Instruments[2].
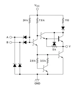
Schéma d'une porte du circuit 74LS00 de National Semiconductor[3].
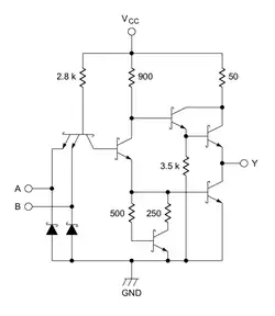
Schéma d'une porte du circuit DM74LS00 de National Semiconductor[3].

Schémas pour différentes séries :

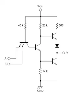
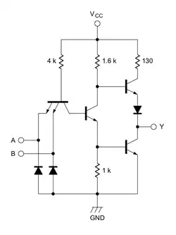
Schéma d'une porte du circuit MC7400 (TTL standard) de Motorola[4].
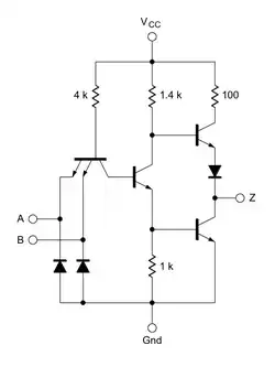
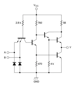
Schéma d'une porte du circuit SN7400 (TTL standard) de Texas Instruments[2].
Schéma d'une porte du circuit SN74L00 (Low-power) de Texas Instruments[2].
Schéma d'une porte du circuit SN74H00 (High-speed) de Texas Instruments[2].
Schéma d'une porte du circuit SN74S00 (Schottky) de Texas Instruments[2].
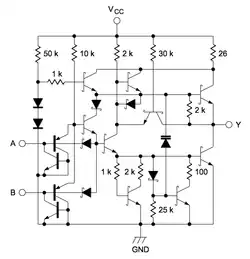
Schéma d'une porte du circuit 74ALS00 (Advanced Low-power Schottky) de National Semiconductor[3].
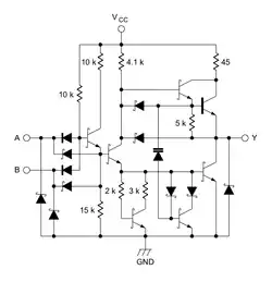
Schéma d'une porte du circuit 74F00 (FAST) de Fairchild[5].
Schéma d'une porte du circuit 74AS00 (Advanced Schottky) de National Semiconductor[3].

Caractéristiques

Les caractéristiques électriques dépendent de la série TTL considérée, mais elles restent basées sur une définition commune des niveaux logiques afin de garantir la compatibilité entre les circuits des différentes séries TTL.

Les valeurs suivantes sont données à titre indicatif, car elles sont susceptibles de varier légèrement d'un constructeur à l'autre. Néanmoins, elles sont représentatives des valeurs constatées chez les différents constructeurs pour les circuits TTL de référence générique 74x00 (ou 54x00 pour les séries militaires) appartenant à une même série.

Tensions et courants

Paramètre Circuit Unité Conditions
SN7400 SN5400 SN74LS00 SN54LS00 SN74S00 SN54S00
VCC(min) 4,75 4,5 4,75 4,5 4,75 4,5 V
VCC(max) 5,25 5,5 5,25 5,5 5,25 5,5 V
VIH 2 2 2 2 2 2 V
VIL 0,8 0,8 0,8 0,7 0,8 0,8 V
IOH -0,4 -0,4 -0,4 -0,4 -1 -1 mA
IOL 16 16 8 4 20 20 mA
VOH 2,4 2,4 2,5 2,5 2,5 2,5 V VCC=VCC(min) VI=VIL IO=IOH
VOL 0,4 0,4 0,5 0,4 0,5 0,5 V VCC=VCC(min) VI=VIH IO=IOL
IIH 40 40 µA VCC=VCC(max) VI=VOH
20 20 50 50 µA VCC=VCC(max) VI=2,7 V
IIL -1,6 -1,6 -0,4 -2 -2 mA VCC=VCC(max) VI=VOL
-0,4 mA VCC=VCC(max) VI=0,4 V

(D'après Texas Instruments[1].)

Notes :

VCC : tension d'alimentation
VI : tension d'entrée
VIH : tension d'entrée minimale au niveau haut
VIL : tension d'entrée maximale au niveau bas
IO : courant de sortie
IOH : courant de sortie maximal au niveau haut
IOL : courant de sortie maximal au niveau bas
VOH : tension de sortie minimale au niveau haut
VOL : tension de sortie maximale niveau bas
II : courant d'entrée
IIH : courant d'entrée maximal au niveau haut
IIL : courant d'entrée maximal au niveau bas

Caractéristique de transfert entrée-sortie

Caractéristique de transfert entrée-sortie d'une porte logique 74LS00
à différentes températures,
pour VCC=5 V et IOH=0
(d'après Fairchild Semiconductor[6]).
Caractéristique de transfert entrée-sortie d'une porte logique 74LS00
à différentes températures,
pour VCC=4,5 V et IOH=0,4 mA
(d'après Fairchild Semiconductor[7]).

Caractéristiques tension-courant

Caractéristique tension-courant de l'entrée d'une porte logique 74LS00, l'autre entrée étant maintenue au niveau haut (d'après Fairchild Semiconductor[6]).
Caractéristique tension-courant de la sortie d'une porte logique SN7400 (d'après Texas Instruments[8]).
H = sortie au niveau haut (1 logique)
L = sortie au niveau bas (0 logique)

Temps de propagation

Définition des temps de propagation d'après Fairchild[6]
  • D'après Fairchild Semiconductor[6] :
Porte TTL 54/7400 54/74H00 54/74S00 54/74LS00 Unité
Valeurs min. max. min. max. min. max. min. max.
tPHL 15 10 2.0 4.5 10 ns
tPLH 22 10 2.0 4.5 10 ns
Conditions CL=15 pF
RL=400 Ω
CL=15 pF
RL=280 Ω
CL=15 pF
RL=280 Ω
CL=15 pF
Définition des temps de propagation d'après Texas Instruments[2]
  • D'après Texas Instruments[1],[2] :
Porte TTL SN54/7400 SN54/74H00 SN54L00 SN54/74S00 SN54/74LS00 Unité
Valeurs typ. max. typ. max. typ. max. typ. max. typ. max.
tPHL 7 15 6,2 11 35 60 3 5 10 15 ns
tPLH 11 22 6,8 11 50 90 3 4.5 9 15 ns
Conditions CL=15 pF
RL=400 Ω
CL=25 pF
RL=280 Ω
CL=50 pF
RL=
CL=15 pF
RL=280 Ω
CL=15 pF
RL=
Notes :

Valeurs mesurées à TA = 25 °C (température ambiante) et VCC = V
tPHL : temps de propagation au travers de la porte d'un signal logique produisant une transition haut→bas sur la sortie
tPLH : temps de propagation au travers de la porte d'un signal logique produisant une transition bas→haut sur la sortie
CL, RL : charge de test connectée à la sortie de la porte
min. : valeur minimale
typ. : valeur typique
max. : valeur maximale

Évolution des temps de propagation des portes SN54/74LS00 (Low-power Schottky) en fonction de la capacité de charge CL, d'après Texas Instruments[2].

Consommation de courant

Circuit ICCH ICCL Unité
typ. max. typ. max.
SN54/7400 4 8 12 22 mA
SN54/74LS00 0,8 1,6 2,4 4,4 mA
SN54/74S00 10 16 20 36 mA

(D'après Texas Instruments[1].)

Notes :

ICCH : courant d'alimentation, sorties à l'état haut
ICCL : courant d'alimentation, sorties à l'état bas
typ. : valeur typique
max. : valeur maximale

Références

  1. 1 2 3 4 (en) SNx400, SNx4LS00, and SNx4S00 Quadruple 2-Input Positive-NAND Gates, Texas Instruments, 1983 rev. 2017
  2. 1 2 3 4 5 6 7 8 (en) The TTL Data Book vol. 2, Texas Instruments 1985
  3. 1 2 3 4 (en) LS/S/TTL Logic Databook, National Semiconductor 1989
  4. (en) TTL Integrated Circuits Data Book, Motorola 1971
  5. (en) FAST (Fairchild Advanced Schottky TTL) Data Book, Fairchild 1985
  6. 1 2 3 4 (en) TTL Data Book Fairchild 1978
  7. (en) DC Electrical Characteristics of MM74HC high-Speed CMOS Logic, Fairchild 1998 (page 2, comparaison avec LS00)
  8. (en) Input and Output Characteristics of Digital Integrated Circuits, Texas Instruments, 1996

Voir aussi

Liens internes

Liens externes

  • icône décorative Portail de l’électricité et de l’électronique