Cohéreur
_pour_la_d%C3%A9tection_radio%252C_coh%C3%A9reur_02.tif.jpg)
.jpg)







Le cohéreur, connu aussi sous le nom de radioconducteur, est un élément des premiers récepteurs radio à changement d'état qui, dès le début du XXe siècle, permit la réception des ondes radioélectriques et des signaux des stations de TSF marines. Il permit aussi à des stations expérimentales de s'initier à la radioélectricité et joua un rôle scientifique important. Le récepteur cohéreur enregistreur à tube de limaille a permis notamment de réaliser les premières liaisons radios à grande distance en radiotélégraphie.
Historique

En 1890, Édouard Branly, professeur à l'Institut catholique de Paris, s'intéresse à l'effet des ondes électromagnétiques de Hertz sur les conducteurs divisés. Utilisant une bobine de Ruhmkorff pour engendrer des étincelles électriques génératrices de champs électromagnétiques transitoires, il découvre que la résistance au courant électrique du fer divisé peut chuter dans de grandes proportions, entre quelques dizaines d'ohms et quelques centaines de kiloohms, sous l'effet de ces ondes électromagnétiques. Bien que très sensible aux chocs, cette conduction se maintient dans le temps. En découvrant ce qu'il appelle la radioconduction, il ouvre la voie au développement de détecteurs d'ondes beaucoup plus sensibles que les boucles de Hertz. L'instrument principal qu'il a utilisé dans ses expériences consiste en un tube isolant (verre, ébonite…) de quelques millimètres de diamètre rempli de limaille de fer sur une épaisseur de quelques millimètres. Deux électrodes de laiton en forme de piston compriment légèrement la limaille avec une pression réglable. D'autres auteurs donneront au tube de limaille de Branly le nom de cohéreur, dispositif que l'on peut considérer comme un interrupteur (imparfait) fonctionnant en tout ou rien sous l'effet d'ondes électromagnétiques transitoires.
Édouard Branly réussit à commander à distance la fermeture d'un circuit électrique sans qu'il y ait de lien matériel entre l'organe de commande — un générateur d'étincelles — et un tube à limaille, celui-ci agissant comme un organe sensible aux ondes électriques produites par l'éclatement de l'étincelle.
Il vient de mettre en évidence le principe de la Radioconduction et baptise le tube à limaille du nom de Radioconducteur, c'est-à-dire dont la conductibilité varie sous l'effet de radiations, les ondes hertziennes générées par les étincelles électriques[1].
En novembre 1890, Édouard Branly présente sa découverte devant l'Académie des Sciences[2].
À noter que c'est dans le mot « radioconducteur » que le terme « radio » est utilisé pour la première fois[3].
Évolution du radioconducteur

Édouard Branly multiplie les expériences sur le tube à limaille en modifiant :
- la nature du métal : limaille de fer, aluminium, antimoine, cadmium, zinc, bismuth, plomb, etc.[4] ;
- la texture de la limaille : limaille pulvérulente, limaille fine, grenaille ;
- le diélectrique : huile de colza, baume du Canada, etc.[5] ;
- les deux tiges conductrices ;
- la pression exercée sur la limaille[n 1] :
- le corps du tube : verre, ébonite, quartz.
Il se fait aider pour construire les différents modèles par Eugène Ducretet. Il constate dans les comptes rendus des applications qui sont réalisées avec les radioconducteurs « […] de l'inconstance dans les meilleurs tubes à limailles »[7], il cherche donc « un radioconducteur plus régulier »[7]. C'est dans le cadre de cette recherche qu'il s'intéresse à d'autres types de radioconducteur. Des études de variations de conduction entre surfaces métalliques sont réalisées en utilisant des colonnes de disques métalliques superposés avec bornes en haut et en bas pour les contacts électriques. Elles donnent lieu à deux communications[8],[9] dans lesquelles Édouard Branly conclut qu'il n'y a pas de réels phénomènes de radioconduction.
Le tube à limaille en tant que résistance électrique variable avait déjà été étudié par le physicien italien Temistocle Calzecchi-Onesti vers le milieu des années 1880 (Il Nuovo Cimento, 1884, 1885, 1886). Vers 1894 le physicien anglais Oliver Lodge, professeur à l'Université de Liverpool, perfectionna le radioconducteur de Branly en y adjoignant un dispositif pour décohérer la limaille et lui rendre sa sensibilité. Il put ainsi effectuer des transmissions sur quelques dizaines de mètres. Ce détecteur d'ondes hertziennes a permis à Guglielmo Marconi de réaliser des liaisons à grande distance en radiotélégraphie.
Radioconducteur à billes métalliques

Faisant l'hypothèse que dans les colonnes à disques les surfaces métalliques en contact sont trop larges pour qu'il y ait radioconduction, il utilise une colonne de six billes d'acier superposées dans un cylindre de verre avec électrodes — voir illustration — et un poids de laiton à la partie supérieure. Édouard Branly constate que les radioconducteurs ainsi réalisés sont d'une sensibilité comparable à celle des limailles[10]. À partir de ces expériences, partant de l'hypothèse d'un rapport entre l'exigüité des surfaces de contact et la sensibilité du radioconducteur il s'oriente vers ce qu'il appelle les radioconducteurs à contacts ponctuels ou imparfaits
Radioconducteur à contacts imparfaits

Édouard Branly invente au début de l'année 1902 le radioconducteur à contacts imparfaits, qui, selon son inventeur, est d'un fonctionnement sûr et beaucoup plus sensible que les tubes à limaille. Dans sa première communication[11] intitulée Radioconducteur à contact unique il précise : « ils permettent de réaliser des conditions assurant […] une grande régularité associée à la sensibilité […] ». Dans la même communication, il décrit le dispositif, le trépied disque : « Trois tiges métalliques de même nature, parallèles et verticales, de 2 mm de diamètre environ, sont réunies à leur partie supérieure par un disque qui les relie à l'un des pôles […] les extrémités inférieures des tiges, polies puis oxydées reposent librement sur un plan d'acier poli, relié au second pôle. »
Édouard Branly conçoit plusieurs modèles de radioconducteurs de type trépied :
- trépied-disque à pointes fixes ;
- trépied-disque à pointes articulées (illustration ci-contre) ;
- trépied-disque à pointes suspendues ;
- trépied-disque à aiguilles amovibles.
Afin de préserver le dispositif de toutes traces d'oxydation, certains disques sont pourvus d'un rebord avec un joint en mastic sur lequel on installe une cloche de verre où l'on fait le vide (illustration ci-contre).
Il teste des métaux de différentes natures pour les pointes : « [J'ai] utilisé […] des radioconducteurs tellure-acier, tellurure d'argent, d'or, de mercure - acier… ces pointes sont infiniment plus sensibles et plus régulières que des pointes d'acier trempées et polies[12]. »
En , Édouard Branly décrit, dans une conférence[13], un nouveau modèle de radioconducteur, le « Trépied-cylindre à pointes librement suspendues, sous cloche à vide ». Ce radioconducteur se distingue des modèles précédents, il se comporte comme un détecteur-redresseur[14].
Radioconducteur tellurure-argent pour réception de signaux morse au téléphone
Ce radioconducteur comprend :
- un cylindre vertical, fixe, en argent, isolé électriquement de son axe ;
- une plateforme horizontale portant trois colonnettes conductrices librement suspendues.
Les contacts sensibles résident entre la surface polie du cylindre et les pointes en tellurure d'or des trois colonnettes. Le courant va du cylindre à l'axe par les pointes et les colonnettes. « […] Cet appareil présente une singularité : il agit comme un détecteur-redresseur, à la manière des récepteurs à galène, et non, à la manière des trépieds proprement dits, comme radioconducteur (fermant un circuit)[15]. »
Remplacement
Le cohéreur a été remplacé par le détecteur électrolytique et par le détecteur magnétique.
Principe du récepteur
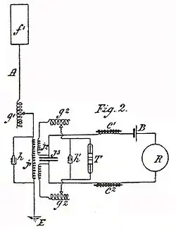
Image de droite : Récepteur cohéreur enregistreur à tube de limaille (de Édouard Branly) 1902. Ce récepteur d'ondes hertziennes a permis de réaliser les premières liaisons radios à grande distance en radiotélégraphie.
Principe du récepteur enregistreur cohéreur[16].
Un tube de verre A, dans lequel on fait le vide, contient entre deux tampons métalliques quelques fragments de limaille (comme le fer, l'aluminium, le nickel, etc.) ; il est relié par un circuit inductance-condensateur accordable disposé par conséquent de telle sorte que les alternatifs HF, qui vont de l'antenne au sol, le traversent. À l'état de non excitation le tube est très résistant, électriquement parlant, et que, si le système est excité par une onde hertzienne, cette résistance diminue brusquement dans de fortes proportions mais que cette diminution persiste après la fin du signal qui l'a causée. En un mot, le cohéreur à limaille n’est pas auto-décohérent.
Le tube A est en série dans-le circuit d'un élément de pile de 1,5 V et dans le circuit d'un relais sensible (généralement un relais magnétique) R. Une onde arrive, le tube devient conducteur, la palette du relais en R va former un contact établissant un second circuit. Ce circuit contient le Morse inscripteur E et un électro-aimant F, dit frappeur ; cet électro-aimant mis en action attire sa palette, qui porte une sphère B, laquelle vient frapper légèrement le tube à limaille et le décohère par choc. Dès lors, revenu à son état primitif, le cohéreur est de nouveau apte à recueillir une autre onde, qui s'inscrira à la suite de la première sur la bande du Morse.
En pratique, il en est tout autrement : la réception avec cohéreur nécessite un appareil fort compliqué, condensateurs ou résistances d'absorption des étincelles de rupture, shunts divers, réglages sensibles des relais, protection contre les ondes autres que celles que recueille l'antenne (l'appareil entier est enfermé dans une caisse métallique), etc. De plus la stabilité du dispositif est relative : il exige un coefficient de sécurité fort élevé et des courants intenses, et il n'est pas à l'abri des brouillages car si on veut utiliser des appareils de syntonie, la faiblesse des ondes recueillies est alors telle que le cohéreur ne fonctionne plus.
Explication scientifique
En l'absence d'applications industrielles, il n'y a pas eu beaucoup de recherches sur le phénomène de conduction, appelé « effet Branly ». L'effet Branly n'est donc pas encore bien compris à ce jour. Édouard Branly avait montré qu'elle ne pouvait pas être causée de manière prépondérante par un phénomène de percolation[17]. Des expériences ont néanmoins montré que la conductance augmentait grâce à la formation de chaînes rendues conductrices par adhérence entre les grains. Ces adhérences sont causées par l'échauffement de très petits points de contact à la suite de très petites étincelles[18]. Une expérience dérivée, consistant à appliquer directement un courant aux bornes du tube, suggère qu'au delà d'un certain courant, les points de contact entre les grains s'échauffent jusqu'à fondre, créant des microsoudures conductrices et très fragiles[17].
Applications
Le radioconducteur est utilisé dans les premiers récepteurs de télégraphie sans fil (TSF) où il fait office de détecteur.
- Expériences de TSF réalisées par Eugène Ducretet du au entre la Tour Eiffel et le Panthéon où est installé le récepteur de TSF équipé d'un « radioconducteur Branly » de type tube à limaille[19].
- Le lieutenant de vaisseau Camille Papin Tissot, utilise des récepteurs équipés de radioconducteurs à limaille. En 1898, Camille Tissot, établit la première liaison radio en mer, entre le navire Le Borda et le sémaphore du parc aux Ducs, à Brest. Le professeur Édouard Branly lui fournit des tubes à limailles pour faire des essais et améliorer les résultats obtenus[20].
En 1902, depuis le phare du Stiff, essais par Camille Tissot de la station Ouessant TSF faite d'un émetteur à Bobine de Ruhmkorff et d'un récepteur radio à cohéreur avec une portée radiotélégraphiques de 80 kilomètres avec une flotte de 14 navires en mer et avec Brest.
- Liaisons de télégraphie sans fil réalisées avec succès par Guglielmo Marconi du au entre une station installée à Wimereux (Pas de Calais), une à South-Fireland (Douvres) et deux navires L'Ibis et La Vienne, naviguant dans la Manche. Tous les récepteurs de TSF sont équipés de radioconducteur de type tube à limaille[21].
Notes et références
Notes
- ↑ Il fait construire un dispositif permettant de faire varier la position d'une des tiges métalliques grâce à un dispositif à vis micrométrique. Cf. illustration en supra.
- ↑ Appareil construit par M. Gendron, assistant d'Édouard Branly
Références
- ↑ Bernard Baris, op. cit., p. 71
- ↑ Variations de la conductibilité sous diverses influences électriques, op. cit.
- ↑ De la TSF à l'électronique, op. cit., p. 25
- ↑ Communication du
- ↑ Journal universel d'électricité — La lumière électrique,
- ↑ Communication du
- 1 2 Récepteur de télégraphie sans fil, op. cit., p. 1
- ↑ Communication du , op. cit.
- ↑ Communication du , op. cit.
- ↑ Communication du , op. cit.
- ↑ Communication du , op. cit.
- ↑ Remarque à propos de la note de M. Tissot adressée à l'Académie le , op. cit.
- ↑ Conférence publiée par le Bulletin de la Société d'Encouragement pour l'Industrie Nationale, op. cit.
- ↑ Musée Branly, appareils et matériaux d'expérience, op. cit., p. 128
- ↑ Notes d'expérience, Musée Branly, op. cit., p. 128
- ↑ Le Cohéreur du livre : Abel, Gody, T.S.F. Traité pratique pour le montage des principaux appareils de réception, Gautron, Amboise 1910
- 1 2 Eric Falcon Bernard Castaing, L'effet Branly livre ses secrets, Pour la Science no 340, février 2006
- ↑ Guy Giraud, Roland Faure, Du cohéreur à la science des milieux granulaires, Revue d'histoire des sciences, 1993 46-1 p. 97-103
- ↑ Eugène Ducretet, op. cit.
- ↑ Lettre du de Camille Tissot à Edouard Branly
- ↑ Bernard Baris, op. cit., p. 84-86
Communications à l'Académie des Sciences
Professeur Édouard Branly
- (fr) Édouard, Branly, Variations de la conductibilité sous diverses influences électriques, Académie des Sciences, séance du .
- (fr) Édouard, Branly, Résistance électrique au contact de deux métaux, Académie des Sciences, séance du .
- (fr) Édouard, Branly, Résistance électrique au contact de deux disques d'un même métal, Académie des Sciences, séance du .
- (fr) Édouard, Branly, Radioconducteurs à limaille d'or et de platine, Académie des Sciences, séance du .
- (fr) Édouard, Branly, Radioconducteurs à billes métalliques, Académie des Sciences, séance du .
- (fr) Édouard, Branly, Radioconducteur à contact unique, Académie des Sciences, séance du .
- (fr) Édouard, Branly, Remarques à propos de la note de M. Tissot, « Sur l'emploi de détecteurs sensibles d'oscillations électriques basés sur les phénomènes thermo-électriques » présentée à la séance du — Radioconducteurs à pointes de tellure et tellurures, et .
- (fr) Musée Branly, Appareils et matériaux d'expériences, Association des Amis d'Édouard Branly, Paris 1997.
Autres auteurs
- (fr) Eugène, Ducretet, Télégraphie hertzienne sans fil, entre la Tour Eiffel et le Panthéon, Académie des Sciences, séance du .
- (fr) Eugène, Ducretet, Récepteur de télégraphie sans fil, Académie des Sciences, séance du .
Bibliographie
- (fr) Édouard, Branly, Traité élémentaire de physique, Editions Poussielgue, Paris 1899 (six éditions, constamment remaniées entre 1899 et 1924).
- (fr) Édouard, Branly, Les radioconducteurs, Congrès International de Physique, Paris 1900.
- (fr) Édouard, Branly, Les radioconducteurs et leurs applications à la télégraphie et à la télédynamique, in Bulletin de la Société d'encouragement pour l'Industrie Nationale, Paris, 1910.
- (fr) Édouard, Branly, La TSF, Télégraphie et Téléphonie sans fil, Editions Payot, Paris 1923, Deuxième édition en 1925.
- (fr) J. Waszik, Les phénomènes électrostatiques dans les détecteurs à limaille à contacts imparfaits, in l'Onde électriques, 3e année, Chiron, Paris, 1904.
- (fr) E., Monier, La Télégraphie sans fil et la Télémécanique, Editions Dunod, Paris 1908.
- (fr) Alphonse Berget, La Télégraphie sans fil, Librairie Hachette, Paris, coll. « La Bibliothèque des merveilles », 1914.
- (fr) Albert Vasseur, De la TSF à l'électronique, Éditions Techniques et Scientifiques Françaises, Paris, 1975.
- (fr) Bernard Baris, Docteur E. Branly, Atelier Claudine B., Moulins, 1990.
- (fr) Michel Amoudry, Le Général Ferrié et la naissance des Transmissions et de la Radiodiffusion, Presses universitaires de Grenoble, 1993.
- (fr) Musée Branly, Appareils et matériaux d'expériences, Association des Amis d'Édouard Branly, Paris 1997.
- (fr) Manuel élémentaire de Télégraphie Sans Fil (1914) Poids de 21 Mo.
- (fr) Joseph Roussel (secrétaire général de la Société française d’étude de télégraphie et de téléphonie sans fil), Le premier livre de l’amateur de TSF, Librairie Vuibert, Paris,
- (fr) P. Hémardinquer, Le Poste de l'Amateur de T.S.F, Etienne Chiron Paris,
- Le Cohéreur du livre "un manuel de la télégraphie sans fil" (1913) par J. Erskine-Murray. D.Sc.
Articles connexes
- Réception des ondes radioélectriques : la technique générale des récepteurs radio
- Cohérence (physique)
- Récepteur à cristal
- Réception des ondes radioélectriques : la technique générale des récepteurs radio
- 600 mètres
- Radiotélégraphiste
- Télégraphie sans fil
- Les ondes moyennes
- Les basses fréquences
- Édouard Branly
- Camille Tissot
- Télégraphie sans fil
Liens externes
Palettes
- Portail de l’électricité et de l’électronique
- Portail des télécommunications