Junction Field Effect Transistor

Un transistor de type JFET (Junction Field Effect Transistor) est un transistor à effet de champ dont la grille est directement en contact avec le canal. On distingue les JFET avec un canal de type N, et ceux avec un canal de type P.
Histoire
Le JFET est né le lorsque William Shockley dévoile que son équipe du laboratoire Bell a mis au point un tout nouveau transistor à jonction[1].
Types et Symboles

De même que l'on distingue deux types de transistors bipolaires, les NPN et les PNP, l'on distingue aussi deux types de transistors FET à jonction (JFET) :
- les JFET canal N, le JFET canal N est le plus utilisé (comme d'ailleurs le transistor bipolaire NPN), son symbole est indiqué ci-dessous dans les schémas de mise en œuvre ;
- les JFET canal P, le symbole du JFET canal P est identique, à part la flèche qui change de sens.
Comme pour les transistors bipolaires, on a le choix entre un grand nombre de modèles, selon la puissance mise en œuvre et la bande de fréquences à amplifier.
La principale différence entre les transistors bipolaires et les JFET, est que les transistors bipolaires sont commandés en courant (il faut fournir au transistor un certain courant de base pour qu'il conduise), alors que le JFET est commandé en tension (le courant drain dépend de la tension ).
Principe de fonctionnement

Le transistor est formé par une couche de semi-conducteur peu dopée (canal) placée entre deux couches de semi-conducteur de dopage opposé et reliées entre elles pour former l'électrode que l'on nomme la grille (cf. base d'un transistor bipolaire). Les extrémités du canal forment deux autres électrodes nommées le drain (cf. collecteur) et la source (cf. émetteur). Pour un JFET à canal de type N, la grille est de type P. En fonctionnement normal la tension entre le drain et la source est positive () et celle entre la grille et la source (jonction PN) est négative (). L'augmentation de cette tension inverse fait croître les zones de déplétion (non conductrices) autour du canal jusqu'au pincement de celui-ci. La conduction du canal est donc modulée par la tension .
Caractéristiques électriques


Les deux figures ci-contre représentent :
- les caractéristiques statiques en fonction de et ; ces caractéristiques sont assez semblables aux caractéristiques des transistors bipolaires, mis à part le fait que Ib est remplacé par ;
- la caractéristique en fonction de , pour des valeurs de supérieures à quelques volts.
La caractéristique est décrite par l'équation :
où Idss ( de court-circuit, short circuit en anglais) est le courant de saturation, obtenu quand est nul, et Vp (tension de pincement, pinch off) est la tension qui annule . Pour le transistor illustré, = 10 mA et = -4 V.
La principale application des JFET est l'amplification de petits signaux. Pour cette application, on polarise le JFET au milieu de la zone linéaire (remarquez que les noms des zones sont inversés par rapport aux transistors bipolaires).
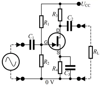
Calcul d'un amplificateur petits signaux

Polarisation
Le schéma ci-contre montre comment l'on fixe le point de fonctionnement en continu d'un JFET. Le diviseur fixe le potentiel de la grille ; remarquons qu'ici, contrairement au cas des transistors bipolaires, il n'y a pas lieu de tenir compte du courant grille, car celui-ci est quasi inexistant. On peut donc écrire :
, où est la différence de potentiel entre la grille et la masse.
Le potentiel de la source vaut ; il est supérieur au potentiel de la grille puisque la tension doit être négative. Le potentiel du drain vaut .
Prenons un exemple. Proposons-nous de polariser le JFET au point de fonctionnement indiqué sur la caractéristique, soit = 2 mA et = -2,5 V. Nous choisissons par exemple de fixer à 1 V. Si = 12 V, on prendra par exemple = 10 kΩ et = 110 kΩ. Comme doit valoir –2,5 V, doit valoir 1 + 2,5 soit 3,5 V. Comme le (égal Is) désiré est de 2 mA, vaut 3,52 × 10−3 soit 1,75 kΩ.
Le potentiel du drain est généralement fixé approximativement à mi-chemin entre les potentiels de source et , de façon à permettre une excursion maximum en tension du drain, de part et d'autre du potentiel de repos, lorsque l'on applique un signal alternatif à amplifier. Pour fixer à 8 V, on prendra donc une résistance de 2 kΩ.
Nous constatons que nous avons un certain nombre de choix à faire, il n'y a pas une seule bonne façon de fixer le point de fonctionnement. En particulier, on peut :
- faire varier et en gardant leur rapport constant : n'est pas modifié ;
- modifier , à condition d'adapter la valeur de ; en particulier, on trouve souvent des schémas où a été supprimée ; dans ce cas, = 0 V, = puisque la grille est au potentiel de la masse.
Calcul du gain
Appliquons une petite tension sinusoïdale à la grille, à travers un condensateur pour que la source de signaux alternatifs (générateur de signaux, microphone, antenne, autre étage amplificateur) ne modifie pas la polarisation de l'étage.
On trouve successivement ; et enfin
où est la tension alternative d'entrée (nous utiliserons des minuscules pour désigner les tensions et courants alternatifs), le courant alternatif de drain, la tension de sortie au niveau du drain, le gain en tension de l'étage, et la transconductance. Celle-ci peut être définie comme suit : c'est la variation du courant drain due à une variation de la tension grille-source ; elle s'exprime en A/V. Elle est essentiellement déterminée par le courant continu de drain. En effet, en dérivant l'équation qui donne , on trouve :
avec .
Remarque : n'oublions pas que et sont négatives.
Dans notre exemple, = 8 mA/V, S = 3 mA/V et G = 6. Ce gain est beaucoup plus petit que celui qu'on peut obtenir avec un amplificateur à transistor bipolaire.
Quant à la résistance d'entrée de l'étage, elle est égale à // puisque la résistance d'entrée du JFET est extrêmement élevée (vu que le courant de grille est quasi nul). Lorsque l'on souhaite une résistance d'entrée élevée, on omet généralement ; dans ce cas, la résistance d'entrée de l'étage est simplement égale à .
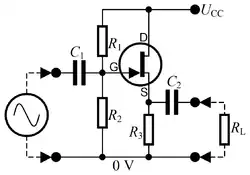
Autres montages amplificateurs
Montage grille commune

Ce montage a principalement été utilisé dans les amplificateurs hautes fréquence car il permet de réduire l'effet Miller. Le gain est semblable au montage source commune.
Montage drain commun

Ce montage est principalement utilisé comme adaptateur d'impédance. Il présente une résistance d'entrée élevée (surtout si l'on supprime ), mais le gain en tension est inférieur à 1.
Utilisation du JFET en résistance variable
En analysant les caractéristiques au voisinage de 0, nous constatons que, pour des tensions faibles ( < 1 V environ), les caractéristiques forment un faisceau de droites se coupant à l'origine et se prolongent même pour des tensions négatives jusqu'à environ –1 V.
On peut donc considérer que, lorsque l'on applique entre le drain et la source une tension variable, comprise entre –1 et 1 V, le JFET se comporte comme une résistance dont la valeur dépend de la tension ; plus celle-ci est élevée, plus la résistance présentée est faible.
Nous avons donc là l'équivalent d'une résistance commandée par une tension. Cette propriété a été utilisée pour faire des contrôles de volume, des filtres à fréquence de coupure variable, etc.
De nos jours, ces fonctions sont plutôt confiées à des circuits intégrés spécifiques.
Bibliographie
- (en) R. Slater, Portraits In Silicon, Cambridge, MIT Press, , 1re éd. (ISBN 978-0-262-29142-2, présentation en ligne, lire en ligne), « William Shockley: Co-Inventor of the Transistor », p. 140-151
Notes et références
- Portail de l’électricité et de l’électronique
- Portail des micro et nanotechnologies