Caractérisation
Le support de la loi de Cantor est l'ensemble de Cantor qui est l'intersection de la suite infinie d'ensembles :
![{\displaystyle {\begin{aligned}C_{0}=&[0,1]\\C_{1}=&[0,1/3]\cup [2/3,1]\\C_{2}=&[0,1/9]\cup [2/9,1/3]\cup [2/3,7/9]\cup [8/9,1]\\C_{3}=&[0,1/27]\cup [2/27,1/9]\cup [2/9,7/27]\cup [8/27,1/3]\cup \\&[2/3,19/27]\cup [20/27,7/9]\cup [8/9,25/27]\cup [26/27,1]\\C_{4}=&\cdots .\end{aligned}}}](./462a74dfbb525a68038ded81a99d132cebb526c4.svg)
La loi de Cantor est l'unique loi de probabilité μ pour laquelle, sur toute union d'ensembles Ct, pour t ∈ {0,1,2,...} , la loi est uniforme sur chacun des 2t intervalles constituant Ct :
.
Cette loi de Cantor est parfois précisée : « loi de Cantor sur [0, 1] ». Elle peut être définie de la même manière sur l'intervalle [–1,1], ce qui en fait une loi centrée.
Moments
Il est aisé de remarquer, par symétrie, que l'espérance d'une variable aléatoire X de loi de Cantor est :
. Les moments centrés d'ordre impair sont tous nuls.
Donnons un calcul pour la variance. Pour l'ensemble C1 ci-dessus, soit Y=0 si
et Y=1 si
. Ceci s'écrit à l'aide d'une indicatrice :
. Alors :

De ceci, on obtient : 
Des formules pour tout moment d'ordre pair peuvent être obtenues en obtenant tout d'abord les cumulants[1] :

où B2n est le 2n-ième nombre de Bernoulli.
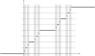
Construction
La loi de Cantor est la loi du nombre aléatoire Z, compris entre 0 et 1, obtenu en tirant au hasard les chiffres de son développement triadique de la manière suivante : les chiffres sont indépendants et valent 0 ou 2 avec probabilité 0,5.
- Nota : si ces chiffres étaient indépendants et uniformément distribués sur l'ensemble {0,1,2}, Z suivrait la loi uniforme entre 0 et 1.
Plus précisément, soit
, l'intervalle Ω étant muni de la mesure de Lebesgue, ce qui en fait l'espace de probabilité canonique. Pour
, posons :
de sorte que:
On sait que, d'une part, la suite
est la suite des chiffres du développement dyadique propre de ω, et que, d'autre part,
est une suite de variables de Bernoulli indépendantes de paramètre 0,5. Posons :
Alors
Proposition — Z suit la loi de Cantor.
En effet,
où
est une suite de 0 et de 1 bien choisie, de sorte que :
De cette construction concrète, on peut déduire toutes les grandes propriétés de l'escalier de Cantor, via des arguments probabilistes : en particulier, la loi forte des grands nombres entraîne que la loi de Cantor et la mesure de Lebesgue sont étrangères, bien que la loi de Cantor soit, par ailleurs, diffuse. Ces propriétés de la loi de Cantor se traduisent par la continuité de l'escalier de Cantor (la loi de Cantor est diffuse) et la nullité (presque partout) de la dérivée de l'escalier de Cantor (car la loi de Cantor est étrangère à la mesure de Lebesgue).
Proposition — La loi de Cantor et la mesure de Lebesgue sont étrangères, et la loi de Cantor est diffuse.
Démonstration
Pour
, et pour
, posons :
Alors la suite
est la suite des chiffres du développement triadique propre de ω, et , d'autre part, si
est muni de la mesure de Lebesgue
,
est une suite de variables aléatoires, uniformes sur
indépendantes. Notons f0 (ω), quand elle existe, la fréquence asymptotique du chiffre 0 dans le développement triadique de ω :

et posons

Ainsi
par application de la loi forte des grands nombres aux deux suites i.i.d.
et
. Comme
on a
donc
et
sont étrangères. Par ailleurs, si
et si
est la suite des chiffres du développement triadique propre de x, alors, pour 
donc
est diffuse.
Références
Portail des probabilités et de la statistique