Machine asynchrone

Machine asynchrone de kW.

La machine asynchrone, connue également sous le terme anglo-saxon de machine à induction, est une machine électrique à courant alternatif sans connexion entre le stator et le rotor. Comme les autres machines électriques (machine à courant continu, machine synchrone), la machine asynchrone est un convertisseur électromécanique basé sur l'électromagnétisme permettant la conversion bidirectionnelle d'énergie entre une installation électrique parcourue par un courant électrique (ici alternatif) et un dispositif mécanique.

Cette machine est réversible[1] et susceptible de se comporter, selon la source d'énergie, soit en « moteur » soit en « générateur », dans les quatre quadrants du plan couple-vitesse[2],[3],[4] :

  • en fonctionnement « moteur », dans deux quadrants du plan couple-vitesse[5], l'énergie électrique apportée par la source est transformée en énergie mécanique vers la charge[4] ;
  • en fonctionnement « générateur », dans les deux autres quadrants[6],[4], l'énergie mécanique de la charge est transformée en énergie électrique vers la source (la machine se comporte comme un frein)[4].

Comme ce fonctionnement est sans discontinuité et ne dépend pas de la machine elle-même mais de l'ensemble source d'alimentation/machine/charge, la distinction moteur/générateur est « communément » faite par rapport à la finalité d'usage de la machine. C'est ainsi que dans le langage commun l'utilisation de « moteur asynchrone » pour désigner cette machine est fréquent.

Les machines possédant un rotor « en cage d'écureuil » sont aussi connues sous le nom de machines à cage ou machines à cage d'écureuil. Le terme asynchrone provient du fait que la vitesse de rotation du rotor de ces machines n'est pas exactement déterminée par la fréquence des courants qui traversent leur stator (voir : « Principes générauxGlissement d'une machine asynchrone »).

La machine asynchrone a longtemps été fortement concurrencée par la machine synchrone dans les domaines de forte puissance, jusqu'à l'avènement de l'électronique de puissance. Elle est utilisée dans de nombreuses applications, notamment dans le transport (métro, trains, propulsion des navires, remontées mécaniques, automobiles électriques), dans l'industrie (machines-outils), dans l'électroménager. Elle était à l'origine uniquement utilisée en « moteur » mais, toujours grâce à l'électronique de puissance, elle est de plus en plus souvent utilisée en « génératrice »[7],[8], par exemple dans les éoliennes[9].

Pour fonctionner en courant monophasé, les machines asynchrones nécessitent un système de démarrage. Pour les applications de puissance, au-delà de quelques kilowatts, les machines asynchrones sont uniquement alimentées par des systèmes de courants triphasés.

Historique

La paternité de la machine asynchrone est controversée. Elle pourrait être attribuée à trois inventeurs :

  • en 1887, Nikola Tesla dépose un brevet sur la machine asynchrone[10],[11], puis en mai de l'année suivante cinq autres brevets ;
  • pendant la même période Galileo Ferraris publie des traités sur les machines tournantes, avec une expérimentation en 1885, puis une théorie sur la machine asynchrone en [12] ;
  • en 1889, Mikhaïl Dolivo-Dobrovolski, électricien allemand d'origine russe, invente la première machine asynchrone à courant triphasé à cage d'écureuil qui sera construite industriellement à partir de 1891[13].

Du fait de sa simplicité de construction, d'utilisation et d'entretien, de sa robustesse et son faible prix de revient, la machine asynchrone est aujourd'hui très couramment utilisée comme moteur dans une gamme de puissance allant de quelques centaines de watts à plusieurs milliers de kilowatts.

Quand la machine asynchrone est alimentée par un réseau à fréquence fixe, il est difficile de faire varier sa vitesse. En outre, au démarrage, le couple est faible et le courant appelé est très élevé. Deux solutions historiques ont résolu ce dernier problème : le rotor à encoches profondes et le rotor à double cage mis au point en 1912 par Paul Boucherot.

Grâce aux progrès de l'électronique de puissance, l'alimentation par un onduleur à fréquence variable permet maintenant de faire démarrer la machine convenablement et de la faire fonctionner avec une vitesse réglable dans une large plage. C'est pourquoi il est utilisé pour la motorisation des TGV Dasye ainsi que des rames du métro comme le MP 89[14],[15], ou comme les trains de types TER ou RER, comme les AGC et les Z 50000.

Présentation

Rotor (à gauche) et stator (à droite) d'une machine asynchrone 0,75 kW.

La machine se compose de deux pièces principales :

  • le stator est une pièce construite en matériau ferromagnétique, servant de support et permettant au champ magnétique de le traverser facilement dans lequel on insère un bobinage en cuivre (ou en aluminium) relié au réseau ou à un variateur de vitesse qui crée le champ magnétique statorique ;
  • le rotor est un cylindre en matériau ferromagnétique permettant au champ magnétique de le traverser facilement relié au stator par des paliers. Il comporte un enroulement constitué de conducteurs en cuivre ou en aluminium, en court-circuit, qui seront parcourus par des courants induits par le champ magnétique créé par les courants statoriques. C'est la principale différence avec une machine synchrone, laquelle a un rotor avec un champ magnétique provenant d'aimants permanents ou de bobines alimentées en courant continu par un dispositif annexe.

Cette machine peut, selon sa construction, être alimentée par un réseau monophasé ou polyphasé (généralement triphasé car c'est celui de la distribution).

La machine asynchrone est la machine électrique la plus utilisée dans le domaine des puissances supérieures à quelques kilowatts car elle offre alors le meilleur rapport qualité prix, surtout depuis l'apparition dans les années 1970 de variateurs permettant de faire varier la fréquence de rotation de la machine dans une large gamme[16].

Bien que réversible, la machine asynchrone est principalement (mais pas exclusivement, particulièrement dans le cas des éoliennes) utilisée en moteur.

Principes généraux

Les courants statoriques créent un champ magnétique tournant dans le stator. La fréquence de rotation de ce champ est imposée par la fréquence des courants statoriques, c’est-à-dire que sa vitesse de rotation est proportionnelle à la fréquence de l'alimentation électrique. La vitesse de ce champ tournant est appelée vitesse de synchronisme.

L'enroulement au rotor est donc soumis à des variations de flux (du champ magnétique). Une force électromotrice induite apparaît et crée des courants rotoriques. Ces courants sont responsables de l'apparition d'un couple qui tend à mettre le rotor en mouvement afin de s'opposer à la variation de flux : loi de Lenz-Faraday. Le rotor se met donc à tourner pour tenter de suivre le champ statorique.

La machine est dite asynchrone car elle est dans l'impossibilité, sans la présence d'un entraînement extérieur, d'atteindre la même vitesse que le champ statorique. En effet, dans ce cas, vu dans le référentiel du rotor, il n'y aurait pas de variation de champ magnétique ; les courants s'annuleraient, de même que le couple qu'ils produisent, et la machine ne serait plus entraînée. La différence de vitesse entre le rotor et le champ statorique est appelée vitesse de glissement.

Lorsqu'elle est entraînée au-delà de la vitesse de synchronisme  fonctionnement hypersynchrone  la machine fonctionne en générateur alternatif. Mais son stator doit être forcément relié au réseau car lui seul peut créer le champ magnétique nécessaire pour faire apparaître les courants rotoriques.

Un fonctionnement en générateur alternatif autonome est toutefois possible à l'aide de condensateurs connectés sur le stator, à condition qu'il existe un champ magnétique rémanent. On retrouve cette même problématique lorsqu'on cherche à faire fonctionner des machines à courant continu à excitation série en génératrice. À défaut, des dispositifs d'électronique de puissance et une batterie permettent d'amorcer le fonctionnement en génératrice autonome. Cette solution est mise en œuvre pour produire de l'électricité à l'aide d'éoliennes ou de groupes électrogènes, constitués d'une génératrice couplée à un moteur à combustion interne.

Glissement d'une machine asynchrone

Le glissement est une grandeur qui rend compte de l'écart de vitesse de rotation d'une machine asynchrone par rapport à la vitesse de rotation de son champ statorique. Il doit y avoir une différence de vitesse pour que ce type de machine fonctionne car c'est le décalage entre le rotor et le champ statorique qui provoque l'apparition des courants induits au rotor, courants qui créent le champ rotorique. Il est toutefois possible, par exemple pour réaliser des mesures qui permettent d'identifier les caractéristiques de la machine (essai au synchronisme), d'atteindre la vitesse de synchronisme en utilisant un dispositif comportant au moins une deuxième machine (par exemple une machine synchrone utilisée en moteur), qui assurera la production du couple nécessaire au maintien de la rotation.

En régime, le glissement est toujours faible, de l'ordre de quelques pourcents : de 2 % pour les machines les plus grosses à 6 ou 7 % pour les petites machines triphasées, il peut atteindre 10 % pour les petites machines monophasées. Les pertes par effet Joule dans le rotor étant proportionnelles au glissement, une machine de qualité se doit de fonctionner avec un faible glissement.

  • On désigne par la vitesse de rotation du champ statorique dans la machine.
  • On désigne par la vitesse de rotation de la machine.

La fréquence de synchronisme est toujours un sous-multiple entier de la fréquence de l'alimentation électrique :

  • En 50 Hz c'est un sous-multiple de 3 000 tr/min, soit : 3 000 ; 1 500 ; 1 000 ; 750, etc.
  • En 60 Hz c'est un sous-multiple de 3 600 tr/min, soit : 3 600 ; 1 800 ; 1 200 ; 900, etc.

Soit le nombre de paires de pôles de la machine et la fréquence de l'alimentation. On a :

en tr/s ou en tr/min.

Le glissement correspond à la différence de vitesse entre le rotor et le champ statorique exprimée sous la forme d'un pourcentage de la fréquence de rotation.

, soit

Le glissement peut aussi être calculé à partir des vitesses angulaires

avec :
  • la vitesse angulaire de synchronisme du champ statorique dans la machine.
  • la vitesse angulaire de rotation de la machine.

Plaque signalétique d'une machine asynchrone

Exemple de plaque signalétique d'une machine asynchrone triphasée industrielle :

Mot 3~ 50/60 Hz IEC34 IP55
MT90L24-4
1,5 / 1,75 kW 1 420 / 1 710 tr/min
380-420 / 440-480 V - Y 3,7 / 3,6 A
220-240 / 250-280 V - Δ 6,4 / 6,3 A
cos φ = 0,75 / 0,78
Moteur triphasé utilisable en 50 Hz et 60 Hz Plaque établie conformément à la norme internationale IEC34 Classement IP (Indice de protection)
Référence constructeur précisant notamment :
  • la taille de la carcasse
  • le nombre de pôles
Puissance utile nominale Fréquence de rotation nominale
Tension entre phase du réseau d'alimentation pour un couplage étoile Courant de ligne nominal pour un couplage étoile
Tension entre phase du réseau d'alimentation pour un couplage triangle Courant de ligne nominal pour un couplage triangle
Facteur de puissance au régime nominal
  • Soit on dispose d'un réseau d'alimentation correspondant aux valeurs de tension de la troisième ligne et on doit réaliser un couplage étoile symbolisé par Y (cas le plus fréquent), soit on dispose d'un réseau d'alimentation correspondant aux valeurs de tension de la quatrième ligne et on doit réaliser un couplage triangle symbolisé par Δ. Sur la même ligne, la plaque signalétique indique pour chacun des couplages la valeur de l'intensité du courant de ligne qui sera absorbée au régime nominal.
  • À l'aide de grandeurs électriques fournies : tensions entre phases, intensités des courants de ligne et facteur de puissance, il est possible de calculer la puissance active absorbée et d'en déduire le rendement de la machine fonctionnant au régime nominal.

En monophasé :

En triphasé :

Le rendement :

Variateur de vitesse

La gamme des variateurs de vitesse d'ABB en 2009.

Un variateur de vitesse est un équipement électrotechnique alimentant une machine électrique de façon à pouvoir faire varier sa vitesse de manière continue, de l'arrêt jusqu’à sa vitesse nominale. La vitesse peut être proportionnelle à une valeur analogique fournie par un potentiomètre, ou par une commande externe : un signal de commande analogique ou numérique, issue d'une unité de contrôle. Un variateur de vitesse est constitué d'un redresseur combiné à un onduleur. Le redresseur va permettre d'obtenir un courant quasi continu. À partir de ce courant continu, l'onduleur (bien souvent à modulation de largeur d'impulsion ou MLI[17]) va permettre de créer un système triphasé de tensions alternatives dont on pourra faire varier la valeur efficace et la fréquence[18].

Le fait de conserver constant le rapport entre la valeur efficace du fondamental de la tension et la fréquence (U1/f) permet de maintenir un flux tournant constant dans la machine, le couple maximum constant et donc de maintenir constante la fonction reliant la valeur du couple en fonction de (ns - n) (voir § 3-4-2-1 ci-dessous).

Démarrage

Lors d'un démarrage d'une machine asynchrone, le courant d'enclenchement peut atteindre plusieurs fois le courant nominal de la machine[19],[20]. Si l'application utilise un variateur ou un démarreur, c'est ce dernier qui se chargera d'adapter les tensions appliquées à la machine afin de limiter ce courant. En l'absence de variateur de vitesse, il existe plusieurs méthodes permettant de limiter le courant de démarrage. Elles ont été développées avant l'apparition de l'électronique de puissance mais sont encore utilisées de nos jours dans les installations anciennes ou par mesure d'économie pour des applications ne nécessitant pas de variateur en dehors du démarrage.

Démarrage sous tension réduite

Plusieurs dispositifs permettent de réduire la tension aux bornes des enroulements du stator pendant la durée du démarrage de la machine ce qui est un moyen de limiter l'intensité du courant de démarrage. L'inconvénient est que le couple moteur est également diminué et que cela augmente la durée avant laquelle la machine atteint le régime permanent.

Démarrage étoile-triangle

Lors d'un démarrage étoile-triangle, la machine est d'abord connectée au réseau avec un couplage étoile, puis une fois démarrée, on passe sur couplage triangle[21]. Le fait de démarrer avec un couplage étoile permet de diviser par la tension appliquée[21]. Ainsi, le courant maximal absorbé est trois fois plus faible que lors d'un démarrage directement avec un couplage triangle[21]. Le couple de démarrage est lui aussi trois fois plus faible que lors d'un démarrage en triangle. La surintensité lors du passage étoile-triangle est inférieure au courant d'appel d'un démarrage effectué directement en triangle.

Réalisée simplement à l'aide de contacteurs, cette méthode de démarrage est très économique.

Démarrage par auto-transformateur

Dans ce mode de démarrage, le stator de la machine asynchrone est relié à un auto-transformateur qui permet d'effectuer un démarrage sous tension variable. La tension est progressivement augmentée, l'intensité du courant ne dépassant pas la valeur maximale désirée. Ceci peut être réalisé par commutation d'enroulements de l'auto-transformateur.

Démarrage résistif

Lors d'un démarrage résistif, on insère des résistances en série avec les enroulements statoriques ce qui a pour effet de limiter la tension à leurs bornes. Une fois le démarrage effectué, on court-circuite ces résistances[21]. Cette opération peut être effectuée progressivement par un opérateur à l'aide de rhéostats de démarrage.

Démarrage à tension nominale

Démarrage rotorique

Lors d'un démarrage rotorique, des résistances de puissance sont insérées en série avec les enroulements du rotor. Ce type de démarrage permet d'obtenir un fort couple de démarrage avec des courants de démarrage réduits mais il ne peut être mis en œuvre qu'avec des machines à rotor bobiné muni de contacts glissants (bagues et balais) permettant les connexions électriques des enroulements rotoriques[21]. Ces machines sont d'un prix de revient plus important que leurs homologues dits à « cage d'écureuil ».

Machine Boucherot type α
Schéma de principe de la machine Boucherot type α

Les machines Boucherot type α ont comme particularité d'avoir un stator divisé en deux. Un des stators est fixe, l'autre peut tourner d'un pas polaire. Le rotor, quant à lui, est doté d'une bague très résistive en son centre. Le démarrage se passe ainsi : dans un premier temps, on décale d'un pas polaire les deux stators. Les courants induits créés par chaque stator sont de directions opposées, ils se rebouclent donc au centre du rotor par la bague très résistive. Au fur et à mesure du démarrage, on décale la demi-machine mobile afin que les courants induits qu'il crée soient dans le même sens que ceux de la machine fixe. À la fin, les courants créés par les deux demi-stators sont dans le même sens et ne passent plus par la bague très résistive[22].

Ce type de dispositif, bien que permettant de faire varier la résistance rotorique sans avoir recours à un rotor bobiné, n'est plus utilisé à cause de sa complexité.

Freinage

Il existe divers types de freinage.

  • Arrêt en roue libre : (mise hors tension du stator).
  • Arrêt piloté : tension statorique progressivement passée à tension nulle.
    • Freinage hypersynchrone : lorsque la vitesse du rotor est supérieure à la vitesse du champ tournant, le moteur freine. Couplé à un variateur de fréquence qui diminue progressivement la vitesse on peut arrêter la machine. Le couple de freinage est élevé à condition de générer un champ correspondant à la valeur de glissement optimal du fonctionnement en génératrice (voir les trois domaines de fonctionnement de la machine asynchrone) et de maintenir la décélération dans ce domaine jusqu'à arrêt complet. Cette méthode est particulièrement efficace pour freiner rapidement une machine asynchrone sans dispositif mécanique additionnel.
    • Arrêt par injection de courant continu : l'alimentation en courant continu du stator crée un champ fixe dans la machine qui s'oppose au mouvement[21]. Ce n'est pas la méthode la plus efficace pour freiner la machine (fonctionnement en génératrice décrochée) et les contraintes en courant sont également très sévères. La commande de l'intensité du courant continu permet de piloter le freinage.
  • Arrêt à contre-courant : le principe consiste à inverser deux phases pendant un court instant[21]. Ceci est donc équivalent à un freinage hypersynchrone à fréquence fixe et mal géré. Le couple résistant est faible et le courant appelé est également très important (de l'ordre de 10 à 12 fois l'intensité nominale). La conséquence en est que les enroulements de la machine risquent un sur-échauffement : il est conseillé de prévoir des résistances supplémentaires afin de diminuer l'intensité[21]. Enfin, avec cette méthode, le couple décélérateur reste négatif pendant toute la phase de freinage, il faut donc prévoir de couper l'alimentation au passage par zéro de la vitesse (temporisation, contact centrifuge), sinon la rotation s'inverse[21].
  • Freinage mécanique par électro-frein : ce système est constitué d'un frein à disque solidaire de l'arbre de la machine asynchrone et dont les mâchoires initialement serrées hors tension sont commandées par un électroaimant[21]. Après alimentation de l'électroaimant, les mâchoires se desserrent laissant la rotation libre. La coupure de l'alimentation provoque le freinage. Ce dispositif aussi appelé « frein à manque de courant » est souvent prévu comme dispositif d'arrêt d'urgence[21].

Applications

Machine asynchrone triphasée

Animation d'une machine asynchrone à cage d'écureuil.

Constitution

Réalisation du stator

Il est constitué d'un cylindre ferromagnétique entaillé d'encoches permettant d'y loger les bobinages. Ce cylindre est constitué d'un empilement de plaques de tôles feuilletées afin de limiter les courants de Foucault.

Il est courant de réaliser une protection supplémentaire contre les échauffements anormaux des bobinages en plaçant au cœur de ceux-ci soit un disjoncteur thermique, soit un capteur de température, ceci afin de couper l'alimentation électrique en cas de dépassement d'un seuil déterminé de température.

Afin de réaliser le branchement de la machine au réseau, toutes les connexions sont regroupées dans un boîtier, généralement appelé par les électriciens, plaque à bornes. On y retrouve donc six connexions pour les enroulements statoriques, plus éventuellement celles du capteur de température.

Réalisation du rotor

On peut distinguer quatre types de rotor :

  • À cage : (rotor en court-circuit) : c'est le plus fréquent. Ce type de rotor a été inventé par Michail Ossipowitsch Doliwo-Dobrowolski au début des années 1890. Ces rotors sont constitués de tôles ferromagnétiques et de barres conductrices régulièrement réparties à la périphérie du rotor. Les barres sont reliées entre elles par deux anneaux de court-circuit (voir figures ci-contre). Les tôles ferromagnétiques servent à guider les lignes de champ tandis que les barres accueillent les courants induits. Pour les machines de faible puissance, les rotors sont réalisés à partir d'un empilement de tôles découpées et isolées les unes des autres (feuilletage) dans lesquelles on injecte un matériau conducteur de manière à constituer les barres ainsi que les anneaux de court-circuit. Pour les machines de forte puissance, les barres sont insérées dans le rotor puis les anneaux de court-circuit sont soudés ou brasés aux barres[23]. Le matériau constituant les barres et les anneaux de court-circuit est généralement un alliage à base d'aluminium, mais on peut aussi rencontrer du cuivre ou du laiton. En général, les barres sont légèrement inclinées suivant l'axe du rotor afin que le nombre de barres présentes sous une phase statorique soit constant quelle que soit la position du rotor. Ce procédé permet de diminuer la variation de la réluctance du circuit magnétique au cours de la rotation du rotor (ou « effet d'encoches ») et de diminuer ainsi les oscillations de couple. C'est cette inclinaison des encoches qui donne à l'ensemble barres plus anneaux de court-circuit la forme d'une cage d'écureuil déformée.
Différentes formes de barres
Couple d'une machine asynchrone pour un rotor à cage et un rotor à encoches profondes
  • À double cage : le rotor est construit suivant le principe du rotor à cage simple, mais avec deux cages électriquement indépendantes. Une cage externe à la périphérie du rotor est composée de matériaux résistifs (laiton, bronze) et possède une faible dispersion magnétique. Une cage interne en cuivre possède une résistivité plus faible et une dispersion magnétique importante. La cage externe, surtout active au démarrage, permet d'obtenir un couple plus important dans cette phase de fonctionnement, tandis qu'à régime nominal la cage interne permet de retrouver les caractéristiques d'un rotor à simple cage[24].
  • À double encoche ou à encoches profondes : ce sont des rotors à cage qui utilisent l'effet de peau dans les conducteurs afin de faire varier la résistance du rotor en fonction de la vitesse de fonctionnement de la machine. L'effet de peau est un phénomène électromagnétique qui fait que plus la fréquence des courants augmente, plus le courant a tendance à ne circuler qu'en surface des conducteurs. Ainsi, au démarrage, la fréquence des courants rotoriques est égale à celle de l'alimentation et le courant n'utilise que la partie supérieure de la barre. Puis, au fur et à mesure que la vitesse de rotation du rotor augmente, la fréquence des courants rotoriques diminue et le courant utilise une surface de plus en plus importante des barres. Ces topologies de rotor permettent un démarrage avec un couple plus important lorsque la machine est alimentée par une source de tension fixe (sans variateur).
  • À bague : le rotor d'une machine à bague est constitué de trois bobines (on parle aussi de rotor bobiné). Chaque bobine est reliée à une bague. Les bagues permettent d'avoir une liaison électrique avec les bobines du rotor. Ce type de rotor a été conçu pour permettre la variation de résistance du rotor en insérant des résistances en série avec les bobines afin de réaliser un démarrage rotorique. Ce dispositif a ensuite permis la variation de vitesse avec un rendement acceptable au moyen d’un procédé appelé cascade hyposynchrone. Le coût élevé et l’apparition des variateurs de fréquence a rendu obsolète ce type de machine.

Modélisation et mise en équation

Méthode utilisée

Il est très difficile, pour une charge donnée et à partir des tensions et des impédances, de calculer les courants dans la machine et d'en déduire le couple et la fréquence de rotation.

Comme pour ces labyrinthes que l'on trouve dans les journaux, il est plus facile de partir du but à atteindre et de remonter vers le départ. On considère donc que l'on connaît les courants. À partir de l'expression des courants statoriques et rotoriques on déduit les flux du champ magnétique qu'ils produisent. Connaissant les courants et les flux, on écrit l'expression des tensions en appliquant la loi d'Ohm et la loi de Faraday, puis on identifie.

Notations

On considère que la machine possède une seule paire de pôles[25].

  • Toutes les grandeurs statoriques sont repérées soit par l'indice S soit par des indices en majuscule.
  • Toutes les grandeurs rotoriques sont repérées soit par l'indice r soit par des indices en minuscule.

l'angle correspond au décalage angulaire entre le stator et le rotor. On a[26] :

  • la vitesse angulaire mécanique de la machine est

Hypothèses :
Son circuit magnétique est homogène et non saturé. Ses diverses inductances sont constantes. Elle est aussi parfaitement équilibrée :

  • les courants des trois phases statoriques ont la même valeur efficace IS.
  • les courants des trois phases rotoriques ont la même valeur efficace Ir.

Les courants

Représentation schématique de la machine.
Au stator

On fixe l'origine des temps de manière que l'on puisse écrire :

On en déduit les courants des deux autres phases du stator :

Avec : , et  : pulsation des courants statoriques.

Au rotor

Avec : ,  : pulsation des courants rotoriques, et = phase à l'origine de donc variable car l'origine des temps est fixée par .

Les flux

Notations :

  •  : Inductances propres d'un enroulement du stator ; d'un enroulement du rotor.
  •  : Inductance mutuelle entre deux enroulements du stator ; entre deux enroulements du rotor.
  •  : Valeur maximale de l'inductance mutuelle entre un enroulement du rotor et un du stator (correspondant à une position pour laquelle θ = 0 ± 2π/3.
Flux à travers un enroulement statorique

Le flux à travers la phase A du stator est :

On pose:

  •  : inductance cyclique
  •  : inductance mutuelle cyclique

Ces grandeurs cycliques permettent d'isoler chaque phase comme si elle était seule, comme si le flux qui la traverse ne dépendait que du seul courant qui alimente cette phase. L'introduction de ces grandeurs cycliques va permettre d'établir des modèles monophasés équivalents.

On pose également :

  •  : Courant fictif de valeur efficace mais de fréquence et d'argument

L'expression du flux devient alors plus simple. On applique la transformation complexe et l'on obtient le flux complexe d'une phase du stator :

à la pulsation
Flux à travers un enroulement rotorique

Le calcul du flux rotorique se mène de manière identique avec une différence de signe.

Avec l'introduction des grandeurs cycliques

Le flux à travers un enroulement rotorique s'écrit :

à la pulsation

Les tensions

Tension aux bornes d'une phase du stator
Tension aux bornes d'une phase du rotor

Le rotor est en court-circuit.

Comme on a , on obtient :

Schémas équivalents

Sous le vocable schéma équivalent, on désigne un circuit électrique composé de dipôles linéaires permettant de modéliser la machine réelle. Le schéma équivalent le plus pertinent est fonction du domaine d'utilisation et du degré de précision nécessaire. Dans le cas des machines asynchrones, il comprend, au minimum, une association de résistances et d'inductances.

Schéma général

Les deux équations suivantes :

correspondent à un schéma équivalent ne comportant que des tensions et des courants ayant une fréquence identique à celle de l'alimentation qui alimente la machine et dont le schéma est le suivant :

Schéma ramené au stator

Les circuits magnétiquement couplés peuvent être transformés en de nombreux schémas équivalents (pour plus de détails, on se référera à l'article correspondant). Chacune de ces transformations conduit à un modèle possible pour décrire la machine asynchrone. Dans la pratique, seuls certains modèles sont effectivement utilisés.

Le modèle à fuites secondaires avec l'ensemble ramené au stator est le plus fréquent dans la littérature car il comporte des éléments que l'on peut identifier relativement simplement et de manière suffisamment précise et il est simple d'emploi.

Avec :

Ces grandeurs ne sont pas calculables (en particulier Rr), mais l'important est de savoir que si l'on admet les hypothèses de départ, alors il existe un dipôle identique à celui représenté ci-dessus équivalent à une phase de la machine asynchrone alimentée par un système de tensions triphasées équilibré.

Il est intéressant pour les bilans de puissance de décomposer la résistance en deux termes :

  •  : résistance ramenée de l'enroulement rotorique, responsable des pertes par effet Joule au rotor (pertes Joule rotoriques).
  •  : résistance fictive : la puissance qu'elle consomme correspond en réalité à la puissance utile de la phase considérée. (Puissance transformée en puissance mécanique par la machine).

Prise en compte des pertes fer

On a considéré que le circuit magnétique était sans pertes, ce qui n'est pas le cas. Pour rendre compte des pertes fer qui dépendent du carré de l'alimentation, on ajoute dans ce modèle une résistance fictive RF en parallèle avec l'inductance statorique.

Identifications des éléments du schéma équivalent

Après avoir établi que le schéma précédent correspondait à une phase de la machine asynchrone, on peut identifier le modèle correspondant à une machine quelconque en réalisant trois essais :

Essai en continu

Réalisé sur une phase de la machine, il permet de mesurer la résistance statorique RS.

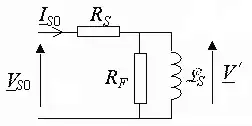
Essai au synchronisme : g = 0

Lors d'un essai au synchronisme, le champ tournant et le rotor tournent à la même vitesse. Le glissement g est nul et 1/g tend vers l'infini. Le modèle équivalent d'une phase de la machine devient :

À l'aide d'un wattmètre, d'un ampèremètre et d'un voltmètre, on mesure la puissance active P0, la puissance réactive , le courant efficace IS0 et la tension efficace VS0

on obtient les trois équations :

RS étant connue, on peut calculer les trois inconnues : RF, et V'

Le courant IS0 étant faible lors de l'essai au synchronisme, on peut généralement négliger la chute de tension due à la résistance statorique devant la tension VS0. Les équations deviennent alors :

On calcule alors directement RF et  :

Essai rotor bloqué et tension réduite : g = 1

À vitesse nulle, le glissement g = 1. Cet essai est réalisé sous tension réduite afin de limiter l'intensité du courant à une valeur acceptable. Le modèle équivalent d'une phase de la machine devient :

À l'aide d'un wattmètre, d'un ampèremètre et d'un voltmètre, on mesure la puissance active P1, la puissance réactive , le courant efficace IS1 et la tension efficace VS1

La tension VS1 étant faible, les courants circulants dans RF et peuvent généralement être négligés devant IS1. Les équations deviennent alors :

L'identification des derniers paramètres de la machine est alors rapide :

Caractéristiques électromécaniques

Le schéma établi précédemment permet d'obtenir facilement les caractéristiques électromécaniques de la machine asynchrone monophasée :

En effet la puissance électromagnétique utile, c’est-à-dire celle transformée en énergie mécanique correspond pour chaque phase à la puissance consommée par la résistance

La puissance électromécanique totale pour les trois phases a donc pour expression :

Machine alimentée par un système de tensions de fréquence fixe

Le modèle ci-dessus permet d'obtenir l'expression du couple soit en fonction du glissement, soit en fonction de la vitesse. Le calcul est très simplifié et peut être fait à la main si l'on néglige la résistance statorique. Dans ce cas, on ajoute une erreur de 2 ou 3 %, mais on obtient une courbe dont l'allure est proche de la réalité. De toute façon, on ne doit pas perdre de vue que ce ne sont que des modèles.

Dans le cadre de cette approximation on a :

Avec  : valeur efficace de la tension aux bornes d'une des phases du stator de la machine.

Couple électromagnétique en fonction du glissement

De l'expression de la puissance et des deux équations ci-dessus on en déduit l'expression du couple électromagnétique en fonction du glissement g :

Pour une machine à p paires de pôles on a :

Cela conduit à :

Le couple électromagnétique passe par un maximum pour

En introduisant ce couple maximal et le glissement correspondant dans l'équation du couple électromagnétique on obtient la relation :

La courbe représentative de l'expression du couple en fonction du glissement possède une symétrie par rapport à l'origine :

Couple électromagnétique en fonction de la vitesse de rotation

Cette courbe est plus habituelle et plus concrète, elle se déduit simplement de la courbe en fonction du glissement grâce à la relation :

Les domaines de fonctionnement de la machine asynchrone

Machine alimentée par un onduleur

Réglage de la vitesse de rotation des machines asynchrones triphasées[18]

Les onduleurs les plus répandus sont les onduleurs MLI (à modulation de largeur d'impulsion) dont le mode de commande permet de garder le rapport U1/f constant et d'obtenir des courants quasiment sinusoïdaux. U1 étant la valeur efficace du fondamental.

Commande en U/f
Principe

En régime sinusoïdal, la conservation du rapport U/f permet au circuit magnétique d'être dans le même état magnétique quelle que soit la fréquence d'alimentation. Autrement dit, la forme du cycle d'hystérésis parcouru par le circuit magnétique reste identique quelle que soit f. Ainsi, lorsque la fréquence diminue, la valeur efficace du fondamental de la tension diminuant dans les mêmes proportions, il n'y a pas de risque de saturation du matériau magnétique.

Ceci a pour conséquence qu'une commande qui maintient U1/f constant, où U1 représente la valeur efficace du fondamental, permet de conserver la même courbe de couple en fonction du glissement pour n'importe quelle fréquence d'alimentation. Les autres harmoniques présents, multiples de 5 et 7, créent des couples pulsants dont la moyenne est nulle.

Pour cela, la machine asynchrone est alimentée par un onduleur délivrant une tension de fréquence f et dont la valeur efficace du fondamental V1 est telle que le rapport V1/f est maintenu constant[18].

Mise en équation

Lorsque le rapport U/f est constant on peut écrire pour la partie linéaire de la caractéristique couple-vitesse :

La courbe du couple en fonction de nS - n est unique.

Remarques

Lors d'un démarrage (faible fem) à fort couple (courant important), la chute de tension due à la résistance statorique devient plus importante que la fem. Il est alors impossible d'obtenir le flux nominal dans la machine grâce à la loi U/f=cst. Pour compenser cela, les variateurs industriels proposent différentes lois U(f). Le choix de la loi à utiliser dépend de l'application.

Une fois que la tension nominale est atteinte, on augmente la fréquence d'alimentation de la machine sans augmenter sa tension. On parle alors de défluxage de la machine. Cela amène bien entendu une baisse du couple maximal délivrable par la machine. Un démarrage dans de telles conditions se fera donc à couple constant puis à puissance constante.

Inconvénients

Les procédés de variation de vitesse pour les machines asynchrones sont générateurs de courants harmoniques.

Commande vectorielle

La commande vectorielle est un terme générique désignant l'ensemble des commandes tenant compte en temps réel des équations du système qu'elle commande. Le nom de ces commandes vient du fait que les relations finales sont vectorielles à la différence des commandes scalaires. Les relations ainsi obtenues sont bien plus complexes que celles des commandes scalaires, mais en contrepartie elles permettent d'obtenir de meilleures performances lors des régimes transitoires. Il existe des commandes vectorielles pour tous les types de machines à courant alternatif, aussi bien asynchrones que synchrones[18],[27].

Bilans de puissance

Bilan de puissance de la machine fonctionnant en moteur

On utilise les notations suivantes :

  •  : puissance absorbée ou puissance électrique fournie à la machine
  •  : puissance utile ou puissance mécanique transmise à la charge

Les pertes sont généralement notées en minuscule :

  •  : pertes par effet Joule dans le bobinage du stator
  •  : pertes dans le fer du stator
  •  : pertes par effet Joule dans le cuivre (barres + anneaux) du rotor
  •  : pertes dans le fer du rotor. Très souvent, on fait l’hypothèse qu’elles sont négligeables car ces dernières dépendent de la fréquence des courants qui induisent le champ magnétique dans le fer. Or la fréquence des courants dans le rotor (), lors du fonctionnement normal de la machine alimentée en régime sinusoïdal de courant, est très faible. Néanmoins il faut parfois en tenir compte lorsque la machine est alimentée par un onduleur ou dans certains types de fonctionnement à fort glissement.
  •  : pertes mécaniques

Le schéma ci-dessous représente la transmission de la puissance à travers la machine :

est la puissance transmise au rotor

On peut vérifier que , d'où si l'on néglige .

Bilan de puissance de la machine fonctionnant en génératrice

Par rapport au cas précédent, la puissance utile devient la puissance électrique fournie au réseau et la puissance mécanique est la puissance absorbée.

  •  : puissance absorbée = puissance mécanique fournie à la machine (en général, absorbée au niveau du rotor)
  •  : puissance utile = puissance électrique transmise au réseau (transmise par le stator).

Les pertes sont les mêmes que pour le fonctionnement en moteur.

Machine asynchrone monophasée

La constitution interne d'une machine asynchrone monophasée est la même que celle d'une machine triphasée à la différence près, que son stator est composé d'un enroulement et non de trois (ou de deux dans les anciennes machines asynchrones diphasées). Le champ magnétique créé par une bobine monophasée est un champ pulsant et non tournant comme pour celui créé par trois bobines triphasées (ou deux bobines diphasées). Un champ pulsant peut se décomposer en deux champs tournants qui se déplacent dans des sens opposés. Chaque champ tournant tendant à entraîner la machine dans le même sens que lui. Lorsque le rotor est à l'arrêt, le couple créé par chacun des champs tournants est de même valeur. Ainsi, la machine ne peut démarrer. Pour démarrer une telle machine, il faut donc la lancer ou avoir recours à un dispositif annexe. Une fois lancée, et amenée à sa vitesse nominale, la machine possède un glissement proche de 0 pour l'un des champs tournants, et de 2 pour le second. Le couple créé par le premier champ étant plus important que le couple créé par celui de sens contraire, le moteur continue à tourner.

Les machines asynchrones monophasées ont des caractéristiques (couple/puissance massique, rendement, facteur de puissance, etc.) plus faibles que leurs homologues multiphasées. Ces machines sont toujours utilisées en moteur et généralement limitées à des puissances de quelques kilowatts.

Dispositifs de démarrage

Lorsqu'elle est alimentée en monophasé, la machine asynchrone nécessite un système de démarrage. Différentes solutions permettent une différenciation de ces machines :

  • Les spires de Frager (ou bagues de déphasage) qui sont utilisées dans des dispositifs exigeant un couple assez faible au démarrage tels que les pompes de vidange de machines à laver, les ventilateurs électriques et d'autres petits appareils électroménagers. Voir : « Moteur à bague de démarrage ».
  • Un enroulement auxiliaire de démarrage en série avec un condensateur)[28], avec éventuellement un commutateur centrifuge de coupure : ce type de machine peut généralement fournir un plus grand couple de démarrage. On les trouve dans les machines à laver et dans l'outillage électroportatif de puissance moyenne (supérieure à 1 500 W).
    • À l'arrêt le condensateur et l'enroulement de démarrage sont reliés à la source d'énergie, fournissant le couple de démarrage et déterminant le sens de rotation. Il suffit d'inverser l'enroulement auxiliaire pour que la machine tourne dans l'autre sens.
    • Usuellement, une fois la machine lancée à une certaine vitesse, un interrupteur centrifuge ouvre le circuit de l'enroulement et du condensateur de démarrage.

Raccordement

Le raccordement au réseau ou à un variateur de ces machines, monophasées et triphasées, passe par un bornier (plaque à borne) protégé par un boîtier solidaire de l'ensemble. L'accès au boîtier se fait généralement en démontant un couvercle étanche situé sur le dessus. L'entrée du ou des câbles se fait par un (ou plusieurs) presse-étoupe chargé d'assurer l'étanchéité ainsi que le maintien mécanique du câble d'alimentation.

  • Les six bornes des enroulements du stator des machines triphasées sont toujours placées de la même manière sur la plaque à bornes. Cette organisation particulière permet le raccordement soit en étoile, soit en triangle, suivant une procédure simple et standardisée.

Les machines asynchrones triphasées sont susceptibles de tourner dans les deux sens de rotation. Qu'elles soient connectées en étoile ou en triangle, l'inversion de leur sens de marche s'effectue simplement en permutant deux des conducteurs d'alimentation, par exemple U1 et V1 sur les schémas ci-dessus. Une permutation circulaire des trois conducteurs n'inverse pas le sens de rotation.

Notes et références

  1. « Réversibilité », sur siloged.fr (consulté le ).
  2. Les quadrants I à IV du plan couple-vitesse (dit des « quatre quadrants »), figurant dans l'article « Quadrant (mathématiques) », avec la vitesse en ordonnée et le couple en abscisse. Toutes les machines électriques (à courant continu, synchrone ou asynchrone)  qui sont par nature réversibles  passent sans discontinuité du fonctionnement « moteur » au fonctionnement « générateur » par simple inversion du signe du couple (charge entraînée ou entraînante, par exemple pendant les phases d'accélération ou de freinage) ou du signe de la vitesse (inversion du sens de rotation).
  3. Paul Landercy, « Le fonctionnement en quatre quadrants d’un entraînement à variation de vitesse » [PDF], sur assets.cdnsw.com, (consulté le ).
  4. 1 2 3 4 Robert Chauprade, Francis Milsant, Commande électronique des moteurs à courant alternatif – À l'usage de l'enseignement supérieur, écoles d'ingénieurs, facultés, CNAM, Paris, éd. Eyrolles, coll. « Ingénieurs EEA », 1980, 200 p., p. 86-92.
  5. Les quadrants I ou III du plan couple-vitesse défini dans la note ci-dessus.
  6. Dans les quadrants II ou IV du plan couple-vitesse défini dans la note ci-dessus.
  7. Guy Séguier et François Notelet, Électrotechnique industrielle.
  8. Robert Chauprade, Francis Milsant, Commande électronique des moteurs à courant alternatif – À l'usage de l'enseignement supérieur, écoles d'ingénieurs, facultés, CNAM, op. cit., p. 79-86.
  9. Étude d’une éolienne basée sur une machine asynchrone, Cndp.fr - Bases documentaires.
  10. (en) Brevet U.S. 359748
  11. voir « Histoire de l'électricité »
  12. (it) Museo Elettrico - Galileo Ferraris, sur le site museoelettrico.com
  13. Association des entreprises électriques suisses, sur le site strom.ch
  14. « Réseau ferré urbain », sur le site metro-pole.net, archivé par wikiwix.
  15. Fiche technique du constructeur Alstom, sur le site alstom.com, archivé par wikiwix
  16. Guide des solutions en automatisme 2007 de Schneider Electric § 3-1,§ 3-4 et § 3-6., sur le site automation.schneider-electric.com
  17. Patrick Abati, « Modulation de largeur d'impulsion », sur sitelec.org, [PDF].
  18. 1 2 3 4 Patrick Abati, « Réglage de la vitesse de rotation des moteurs asynchrones triphasés », sur sitelec.org, origine : académie d'Aix-Marseille, .
  19. Trois fois le courant nominal de la machine, selon Mikhail Kostenko et Ludvik Piotrovski, Machines électriques – Machines à courant alternatif, tome II, Éditions de Moscou (Mir), 1969, (3e édition 1979), p. 558.
  20. Cinq à huit fois le courant nominal, selon « Démarrage et freinage des moteurs asynchrones triphasés », sur le site sitelec.org (origine de l'académie d'Aix-Marseille), consulté le 3 mai 2010.
  21. 1 2 3 4 5 6 7 8 9 10 11 Patrick Abati, « Démarrage et freinage des moteurs asynchrones triphasés », sur sitelec.org, origine : académie d'Aix-Marseille, .
  22. M. A. Iliovici, Cours moyen d'électricité industrielle, vol. 2 : génératrice et moteurs a courant alternatifs ; transformateurs ; applications industrielles de l'électricité, Paris, Librairie de l'enseignement technique Léon Eyrolles, , 496 p., « Démarrage d'un moteur d'induction polyphasé », p. 78
    quatorzième édition
  23. Tom Bishop, Squirrel cage rotor testing, EASA convention, June 2003 (disponible online sur le site de Pumping Machinery
  24. [PDF] Centre de mutualisation et de recherche pédagogique en technologie et sciences industrielles de l'académie de Poitiers
  25. André Bonnet, « Machine asynchrone triphasée », sur sitelec.org, origine : académie d'Aix-Marseille, .
  26. Pierre Mayé, Moteurs électriques industriels, Paris, Dunod, coll. « Sciences Sup », , 2e éd. (1re éd. 2005), 392 p. (ISBN 978-2-10-057201-4, lire en ligne), p. 209.
  27. « Introduction à la commande vectorielle des machines asynchrones », sur geea.org.
  28. Édouard Lefranc, Jean Poinsard, Georges Auclerc, Électricité – Courant alternatif : Électrostatique - Isolants - Tubes électroniques - Courants alternatifs - Machines - Redresseurs, Les Éditions Foucher, Paris, 1957, p. 130.

Annexes

Bibliographie en langue française

  • J. Chatelain, Machines électriques. Volume X du traité d'électricité, d'électronique et d'électrotechnique, Presse polytechnique romande, Éd. Georgi 1983 ; réédité par Dunod, 1993.
  • A. Fouillé, Électrotechnique à l'usage des ingénieurs. T.2, Machines électriques, Dunod, 1969.
  • Jean-Paul Hautier, Jean-Pierre Caron, Modélisation et commande de la machine asynchrone, vol. 7, Paris, TECHNIP, coll. « Méthodes et pratiques », , 304 p. (ISBN 2-7108-0683-5).
  • Mikhail Kostenko et Ludvik Piotrovski, Machines électriques, t. II, Machines à courant alternatif, Éditions de Moscou (MIR), 1969 ; 3e édition, 1979, 766 p.
  • M. Poloujadoff, Conversions électromécaniques : maîtrise d'EEA et C3 - Électrotechnique, Dunod, Paris, 1969.
  • M. Poloujadoff, Machines asynchrones - Régime permanent, D 3480, Encyclopédie de Techniques de l'ingénieur, 1998.
  • M. Poloujadoff, Machines asynchrones - Régimes quelconques, D 3485, Encyclopédie de Techniques de l'ingénieur, 2000.
  • B. Saint-Jean, Électrotechnique et Machines électriques, LIDEC - Eyrolles, , 373 p. (ISBN 0-7762-5651-3).
  • Guy Seguier et Francis Notelet, Électrotechnique industrielle, Paris/Londres/New York, Tec et doc, , 552 p. (ISBN 2-7430-0791-5).
  • Francis Labrique, Ernest Matagne, Damien Grenier et Hervé Buyse, Électromécanique, convertisseurs d'énergie et actionneurs, Paris, Dunod, , 306 p. (ISBN 2-10-005325-6).

Articles connexes

Liens externes

  • icône décorative Portail de l’électricité et de l’électronique
  • icône décorative Portail du génie mécanique
  • icône décorative Portail de la physique
  • icône décorative Portail de l’énergie