Mars Observer

Mars Observer
Sonde spatiale
Description de cette image, également commentée ci-après
Vue d'artiste de Mars Observer.
Données générales
Organisation Drapeau des États-Unis JPL/NASA
Constructeur Drapeau des États-Unis GE Astro Space
Programme Programme Planetary Observer
Domaine Étude de la surface et de l'atmosphère martienne
Type de mission Orbiteur
Statut Échec
Lancement
Lanceur Titan III
Identifiant COSPAR 1992-063A
Caractéristiques techniques
Masse au lancement 2 573 kg
Ergols Hydrazine, Peroxyde d'azote
Contrôle d'attitude Stabilisé 3 axes
Source d'énergie Panneaux solaires
Puissance électrique 1 147 watts
Principaux instruments
MAG/ER Magnétomètre
GRS Spectromètre gamma
MOLA Altimètre laser
PMIRR Radiomètre infrarouge
TES Spectromètre infrarouge
MOC Caméras
Préparation de Mars Observer assemblé avec l'étage supérieur TOS (Transfer Orbit Stage) peu avant son lancement.

Mars Observer est une mission spatiale de la NASA lancée le dont l'objectif était d'étudier la surface, le champ magnétique, l'atmosphère et le climat de Mars. Il s'agit de la seule sonde développée dans le cadre du programme Planetary Observer qui devait permettre de réaliser des sondes interplanétaires peu coûteuses en réutilisant des composants développés pour les satellites terrestres. Le contact avec la sonde fut perdu le , durant le transit entre la Terre et Mars, trois jours avant l'insertion en orbite martienne pour une raison en partie indéterminée du fait de l'absence de données télémétriques. La cause la plus probable évoquée par la commission d'enquête est une fuite des ergols à la suite d'une réaction chimique dans les tuyaux d'alimentation ayant entraîné une perte du contrôle d'attitude et la décharge des batteries.

Contexte

Les conclusions du programme Viking

Les observations effectuées par les deux orbiteurs et les deux atterrisseurs du programme Viking lancés par la NASA en 1976 pour étudier Mars avaient démontré que l'histoire de la planète était complexe à la fois sur le plan géologique et climatique et qu'aussi bien le climat que l'environnement actuel continuaient à évoluer. Le programme Viking avait soulevé autant de nouvelles questions qu'il en avait résolu. Les principales interrogations portaient sur l'origine et l'histoire des formations de surface attribués sans certitude à l'action d'anciens cours d'eau des lacs, l'organisation des principales unités de la croûte de la planète et la distribution des minéraux à sa surface, la composition et la dynamique des calottes polaires ainsi que la circulation atmosphérique[1].

Pour déterminer les objectifs scientifiques dans le domaine de l'exploration solaire, la NASA s'appuie à l'époque sur les directives fournies par comité scientifique COMPLEX (Committee on Planetary and Lunar Exploration), une émanation de l'Académie nationale des sciences américaine. Le premier rapport de comité sur la mission Viking (publié en 1978) appelait à un programme d'exploration scientifique de grande envergure. Celui-ci devait comprendre des instruments de télédétection et prenant des mesures in situ et devait avoir pour objectif de déterminer les caractéristiques chimiques de la surface de Mars, identifier le système de circulation atmosphérique de la planète, mesurer son champ magnétique, préciser sa structure interne et ramener sur Terre des échantillons du sol pour permettre de les dater avec précision. Le rapport proposait le développement soit de laboratoires mobiles circulant à la surface (astromobiles) soit d'un grand nombre d'atterrisseurs fixes dotés de bras pour étudier le sol alentour en particulier dans les régions polaires. Le rapport excluait de ses objectifs la recherche d'une vie martienne car il estimait qu'il était nécessaire de définir précisément le contexte environnemental et chimique pour pouvoir interpréter correctement les résultats des instruments chargés de détecter la présence de la vie et ainsi éviter les ambiguïtés associées aux résultats des instruments des missions Viking[2].

À la recherche d'une optimisation des coûts

Les souhaits du comité COMPLEX se heurtent à la fin des années 1970 à une situation budgétaire très défavorable. Le coûteux développement de la navette spatiale américaine et la stagnation du budget de la NASA laisse peu d'argent pour les missions scientifiques. Durant cette période une seule mission d'exploration du système solaire reçoit un feu vert (Galileo). Reflet de cette situation entre 1978 et 1989, aucune sonde spatiale de l'agence spatiale américaine n'est placée en orbite. La NASA crée en 1981 le comité Solar System Exploration Committee pour définir une stratégie implémentant les besoins des scientifiques. Celui-ci constate que la diminution du nombre de missions entraîne mécaniquement une augmentation des coûts et que lorsqu'un responsable de mission a enfin reçu un feu vert, il n'est pas incité à rester dans l'enveloppe budgétaire. Au sein de la NASA, la seule exception à cette dérive est le programme Explorer qui rassemble des petites missions scientifiques et dispose d'un budget annuel fixe qui lui permet de développer de nouveaux projets sans devoir obtenir à chaque fois l'accord du Sénat américain (contrairement aux autres missions spatiales). Tous les trois ans le centre de vol spatial Goddard, qui gère ce programme, lance un appel à propositions pour sélectionner de nouvelles missions. Le respect de cette périodicité, à laquelle la communauté scientifique est sensibilisée, incite le responsable du programme Explorer à maintenir les projets dans les limites budgétaires qui leur sont assignées[3].

Le comité de la NASA décide d'adopter le modèle du programme Explorer aux missions d'exploration du système solaire. Par ailleurs trois facteurs influant sur le coût sont identifiés par le comité : l'héritage, c'est-à-dire la proportion des composants dérivant directement de réalisations antérieures, la complexité de la mission et les changements apportés au projet au cours du développement. La complexité découle souvent du nombre d'instruments scientifiques emportés. Le syndrome du dernier vaisseau en partance incite la NASA à accumuler les instruments emportés par la mission pour répondre aux attentes des scientifiques qui savent qu'ils n'auront qu'une seule opportunité au cours de la décennie. Le comité décide de diviser les missions en deux grandes catégories : celles qui reposent sur des technologies maitrisées et celles qui nécessitent la mise au point de nouvelles technologies. En se basant sur des études effectuées par le JPL et Ames ainsi que des visites auprès de différents constructeurs de satellites, le comité estime que les satellites placés en orbite autour de la Terre peuvent être adaptés pour réaliser des missions à destination des planètes internes (Mars, Vénus). Ces missions dites Planetary Observer doivent constituer le cœur du programme d'exploration (Core Program). Pour les missions, dont l'objectif est situé au-delà de l'orbite de Mars, l'environnement impose des évolutions trop importantes du système de régulation thermiques, des télécommunications et de la production d'énergie pour ce type d'engin spatial. Aussi le comité préconise le développement d'une nouvelle plateforme adaptée à ces contraintes mais sans complexité excessive, modulaire pour pouvoir convenir aux différentes missions vers les planètes externes sans modifications trop importantes. Trois ans après avoir rendu ses conclusions, le comité définit une nouvelle catégorie, l'Augmented Program, qui regroupe toutes les missions nécessitant des avancées technologiques : atterrisseurs, astromobiles, missions de retour d'échantillon du sol de Mars ou des comètes. En regroupant ces missions, impossibles à développer compte tenu des contraintes budgétaires imposées à la NASA, le comité cherche à les rendre attractives auprès des membres de l'administration Reagan, réputés pour être technophiles et adaptes de grandes démonstrations techniques[4].

Au cours de la décennie 1980, le Core Program gagne en attractivité auprès des décideurs à Washington. Une des missions en particulier, Mars Geoscience/Climatology Orbiter, a le vent en poupe. Elle résulte en fait de la fusion de deux missions réalisée pour obtenir un appui suffisant de la communauté scientifique : une mission d'étude de la surface de Mars (relevé topographique, cartographie minérale, champ magnétique) et une mission portant sur l'étude de l'atmosphère de Mars. Mais la fusion des deux projets, qui doit embarquer six instruments dont deux pour l'étude de l'atmosphère, rend le projet relativement complexe. l'OMB, qui gère le budget à la Maison Blanche, donne son accord en 1983 pour le développement de la mission qui est baptisée Mars Observer mais il refuse que le Core Program fonctionne sur les mêmes bases que le programme Explorer (budget annuel alloué fixe et dispense d'un accord du Sénat)[5].

Sélection du constructeur

Le lancement d'un appel d'offres auprès des industriels pour la construction d'un satellite scientifique était jusque là effectué une fois que la définition des objectifs scientifiques et la sélection des instruments embarqués avait été réalisée. Pour Mars Observer, compte tenu de la décision prise d'adapter un type de satellite existant, la décision est inversée, l'appel d'offres précise uniquement la masse de la charge utile, la consommation énergétique et le degré de précision du système de pointage[6].

Développement du projet Mars Observer

Il faudra attendre 12 ans pour que soit lancée la première mission martienne chargée de répondre aux questions soulevées par les données collectées par le programme Viking. Mars Observer est conçu initialement comme une mission à bas coût grâce au recours à une plateforme de satellite commercial et une conception modulaire permettant une intégration simple des instruments scientifiques. Mais très rapidement après le démarrage effectif des développements lancés en 1984, les coûts s'envolent : le budget initial de 250 millions US$ atteint finalement, en incluant le lanceur, 850 millions US$ (959 millions US$ selon une autre source). Le centre JPL chargé du projet a progressivement renoncé au concept de départ reposant sur la simplicité et le recours à des composants disponibles[7].

Objectifs scientifiques

La mission Mars Observer a pour but d'étudier la géologie et le climat de la planète Mars. Les objectifs sont[8] :

  • de déterminer la composition élémentaire et minéralogique de l'ensemble de la surface de Mars ;
  • d'effectuer un relevé de la topographie et mesurer le champ de gravité ;
  • d'identifier la nature du champ magnétique martien ;
  • de déterminer la distribution spatiale et temporelle, l'abondance, les sources et les pertes des éléments volatils (eau, CO2) ainsi que de la poussière sur un cycle saisonnier ;
  • d'étudier la structure et la circulation de l'atmosphère.

Caractéristiques techniques de la sonde spatiale

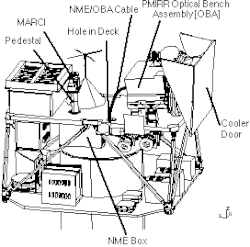
La sonde, d'une masse de 2 573 kg dont 1 346 kg d'ergols et 156 kg d'instruments scientifiques, est dérivée des satellites de télécommunications Satcom-K et DMSP/TIROS. D'une forme rectangulaire (2,1 × 1,5 × 1,1 m), la sonde déploie en orbite les deux perches de 6 mètres de long du magnétomètre ainsi que la bôme de 5,5 mètres soutenant l'antenne parabolique grand gain de 1,5 mètre de diamètre pour la dégager des panneaux solaires. Ces derniers étaient composés de 6 panneaux formant un ensemble de 7 × 3,7 mètres fournissant 1 147 watts au niveau de l'orbite martienne. Durant le transit entre la Terre et Mars, seuls quatre panneaux étaient déployés pour limiter l'énergie produite[8].

Schéma de Mars Observer en configuration de collecte de données : 1 Antenne parabolique grand gain ; 2 Panneaux solaires ; 3 Face de la sonde spatiale tournée vers la planète Mars ; 4 Spectromètre gamma GRS ; 5 Spectromètre infrarouge TES ; 6 Altimètre laser MOLA ; 7 Radiomètre infrarouge PMIRR ; 8 Magnétomètre MAG ; 9 Réflectomètre à électrons ER ; 10 Caméra MOC ; 11 Antenne utilisée pour communiquer avec les engins posés sur le sol martien.

Instruments scientifiques

La caméra MOC.
Le réflectomètre à électrons ER.
Schéma du radiomètre infrarouge PMIRR.

La sonde spatiale emporte six instruments scientifiques : Mars Observer emporte sept instruments[9] :

  • la caméra MOC (Mars Observer Camera) utilise des détecteurs de type push-broom (en) (capteur en peigne) et regroupe en fait deux instruments distincts. Une caméra dotée d'un puissant téléobjectif qui représente la plus grande partie de l'instrument. Sa partie optique est un télescope Ritchey-Chrétien caractérisé par une ouverture de 35 cm, une longueur focale de 3,5 mètres (f/10) et un angle de champ de 0,4°. Le détecteur, qui comporte deux barrettes de CCD constituées de 2048 éléments de 13 micromètres, permet à une altitude de 380 km d'obtenir une résolution spatiale théorique de 1,41 mètre par pixel. Cette caméra est conçue pour obtenir des images détaillées des structures géologiques de la surface avec une résolution spatiale effective comprise entre 2,5 et 3 mètres. Le deuxième instrument est constitué de deux caméras fixées sur le cache optique du téléobjectif et dotées d'un objectif grand angle aux caractéristiques optiques très proches mais l'une avec un filtre bleu (400-450 nm), l'autre avec un filtre rouge (575-625 nm). La longueur focale est respectivement de 11,4 et 11 millimètres (f/6,3 et f/6,4) et l'angle de champ de 140°. Le détecteur, qui comporte deux barrettes de CCD constituées de 3456 éléments de 7 micromètres, permet à une altitude de 380 km d'obtenir une résolution spatiale théorique de 280 mètres par pixel au nadir du satellite et de km lorsque la visée se fait sur le limbe de la planète. Les caméras grand angle fournissent des images globales de l'atmosphère et de la surface de Mars permettant d'identifier les principaux phénomènes atmosphériques. La masse de l'instrument MOC est de 21 kg et sa consommation électrique en fonctionnement est de 21 watts. Une copie de cet instrument équipera la sonde spatiale Mars Global Surveyor[10] ;
  • le spectromètre TES (Thermal Emission Spectrometer) analyse le rayonnement infrarouge émis par la surface. L'instrument comprend un spectromètre, un bolomètre mesurant la radiance et un canal mesurant la réflectance. Le spectromètre est un interféromètre de Michelson comportant six champs optiques avec une résolution spatiale de km. Cet instrument mesure 143 bandes spectrales allant de 6,25 à 50 micromètres avec une résolution spectrale de 5 et 10 par centimètre. Le bolomètre effectue ses mesures dans les bandes spectrales comprises entre 4,5 et 100 micromètres avec une résolution spatiale de km. La mesure de la réflectance se fait dans la bande spectrale comprise entre 0,3 et 2,7 micromètres. L'instrument est doté d'un miroir mobile qui permet de viser soit la surface de la planète au nadir de la sonde spatiale, soit le limbe, soit l'espace. TES utilise un microprocesseur 80C86 et dispose d'une mémoire de masse de 0,6 mégaoctet utilisée pour stocker les instructions ainsi que les données collectées. Celles-ci permettent notamment de déterminer les principales caractéristiques des roches et du sol : granularité, identification des minéraux. L'instrument est également utilisé pour déterminer la nature et la position des nuages et des poussières. La masse de l'instrument TES est de 14,1 kg et sa consommation électrique en fonctionnement est de 13,2 watts. Une copie de cet instrument équipera la sonde spatiale Mars Global Surveyor[11] ;
  • l'altimètre laser MOLA (Mars Orbiter Laser Altimeter) mesure l'altitude de la surface de Mars à l'aide d'un laser Nd-YAG. Celui-ci est constitué de 44 rangées de 1000 diodes qui émettent dix fois par seconde des impulsions de 7,5 nanosecondes. Les impulsions émises dans la longueur d'onde de 1064 nanomètres sont réfléchies par le sol et la lumière en retour est collectée par un télescope Cassegrain de 0,5 mètre de diamètre avec une longueur focale de 0,74 mètre. La lumière réfléchie est filtrée pour éliminer les réflexions des rayons solaires sur le sol avant d'être traitée par un détecteur utilisant des photodiodes à avalanche au silicium. L'objectif est de produire une carte topographique à haute résolution (0,2 x 0,2°) avec une précision verticale d'au moins 30 mètres, des cartes plus ciblées avec une précision verticale de 2 mètres et de fournir une carte globale (0,2 x 0,2°) de la réflectivité de la surface de Mars avec une précision d'environ 20%. La masse de l'instrument MOLA est de 25,9 kg et sa consommation électrique en fonctionnement est de 30,9 watts. Une copie de cet instrument équipera la sonde spatiale Mars Global Surveyor[12] ;
  • le magnétomètre MAG et le réflectomètre à électrons ER (MGS Electron Reflectometer) doivent identifier les caractéristiques du champ magnétique de la planète ou ses rémanences en déterminant son intensité et sa direction. Le magnétomètre de type tri-axial fluxgate est dupliqué avec des capteurs installés pour l'un à l'extrémité d'une perche de 6 mètres de long et pour l'autre aux deux tiers de cette perche. L'instrument permet de mesurer des champs magnétiques dont l'intensité est comprise entre +/- 4 teslas et +/- 65536. Le réflectomètre à électrons utilise un capteur dont le champ de vision est de 360° x 12° et est fixé au bout d'une perche de 3 mètres de long. Le détecteur associé permet de mesurer à la fois l'incidence des électrons avec une précision de 1,4 x 14 degrés et le niveau d'énergie selon 32 seuils compris 0 et 20 keV. La masse de l'ensemble MAG/ER est de 5,4 kg et sa consommation électrique en fonctionnement est de 4,6 watts. Une copie de cet instrument équipera la sonde spatiale Mars Global Surveyor[13] ;
  • l'oscillateur ultrastable est utilisé pour des expériences de radioscience RS (Radio Science Investigations). Il permet d'une part d'effectuer des expériences d'occultation radio : lorsque l'atmosphère martienne s'interpose entre l'instrument et la Terre (peu avant le survol des pôles), les modifications affectant les ondes radio permettent de déterminer certaines propriétés de cette atmosphère. Il permet d'autre part de mesurer les caractéristiques du champ gravitationnel martien ; en mesurant par effet Doppler les accélérations et les décélérations de la sonde spatiale qui découlent des variations locales du champ de gravité martien, on détermine les irrégularités affectant la structure interne de la planète. L'instrument a une masse de 1,3 kg et consomme 1,3 watt lorsqu'il fonctionne. Une copie de cet instrument équipera la sonde spatiale Mars Global Surveyor[14] ;
  • le radiomètre infrarouge Pressure Modulator Infrared Radiometer (PMIRR) devait mesurer les émissions en provenance de la surface et de l'atmosphère pour déterminer la quantité de particules et de condensats présents à différentes longitudes et au fil des saisons. Une copie de cet instrument équipera la sonde spatiale Mars Climate Orbiter[15] ;
  • le spectromètre gamma Gamma Ray Spectrometer (GRS) mesure le spectre du rayonnement gamma et des neutrons résultant de la désintégration des éléments radioactifs situés à la surface de Mars. Une copie de cet instrument équipera la sonde spatiale 2001 Mars Odyssey[16].

Déroulement de la mission

Lancement de Mars Observer par une fusée Titan III (25 septembre 1992).

Début , la sonde spatiale Mars Observer est fixée au sommet de l'étage de fusée TOS (un étage de fusée IUS), puis l'ensemble est placé à la fin du mois au sommet du lanceur Titan III CT-4. Mais le , l'ouragan Andrew traverse en la dévastant le sud de la Floride. Bien que la sonde spatiale soit à l'abri sous la coiffe de la fusée, elle est contaminée par de la poussière soulevée par l'ouragan. Elle doit être désassemblée de son lanceur puis nettoyée dans l'urgence car la fenêtre de lancement vers la planète Mars qui s'ouvre le se referme le . Finalement, le , la fusée Titan III décolle depuis la base de lancement de Cap Canaveral et place sur son orbite Mars Observer. Les responsables de la mission décident de repousser à l'arrivée en vue de Mars la mise sous pression du système de propulsion pour éviter un dysfonctionnement qui avait handicapé la mission de Viking 1. Les deux corrections de trajectoire se font du coup avec une propulsion en mode "blow down" (l'ergol est non-pressurisé ce qui diminue la poussée). En mars/avril, des tentatives de détections des ondes gravitationnelles sont réalisées sans succès en tentant de détecter leur effet Doppler sur les échanges radio entre Mars Observer et les sondes spatiales Galileo et Ulysses . Durant le transit vers la planète Mars, le spectromètre gamma GRS est également utilisé avec les détecteurs d'Ulysses et de l'observatoire spatial gamma CGRO pour localiser par triangulation des sources de sursauts gamma. 11 événements de ce type sont détectés dont l'un est localisé dans une portion de l'espace faisant 1 x 4 minutes d'arc. Le , trois jours avant l'insertion en orbite autour de Mars, le système de contrôle lance automatiquement les commandes de mise sous pression des réservoirs d'ergol utilisés par la propulsion principale pour préparer la manœuvre. Les dernières données télémétriques de la sonde spatiale sont reçues immédiatement avant la mise à feu des charges pyrotechniques qui devaient déclencher l'ouverture des vannes de carburant. Toutes les tentatives de reprise de contact ultérieures dans les mois qui suivent échouent et la NASA officialise la perte de la sonde spatiale[17].

Conclusions de la commission d'enquête

Une commission d'enquête est nommée pour déterminer l'origine de l'incident à l'origine de la perte de Mars Observer. Les conclusions du rapport sont les suivantes[18] :

  • l'origine de l'incident n'a pas pu être établie avec certitude. Plusieurs scénarios sont envisageables. Le plus probable est que lorsque les vannes se sont ouvertes, le comburant et le carburant se soient retrouvés mélangés dans une canalisation en titane dans la partie du moteur où s'effectue la pressurisation. La pression engendrée par la combustion de ce mélange hypergolique (réagissant au contact) aurait déclenché une fuite dans les circuits d'alimentation qui aurait été fatale à la sonde spatiale. Ce mélange se serait produit à cause d'une fuite dans des valves du circuit de contrôle qui aurait permis une accumulation conséquente de peroxyde d'azote dans la tuyauterie ;
  • la sonde spatiale est de manière générale bien conçue. Toutefois, quelques points doivent être corrigés avant d'utiliser à nouveau un engin dérivé d'un autre satellite ;
  • l'organisation mise en place pour développer Mars Observer n'a pas su s'adapter aux changements radicaux intervenus en cours de projet. En particulier, les acteurs se sont trop reposés sur le fait que équipements, logiciels et procédures étaient hérités d'engins existants alors que la mission de Mars Observer se déroulait dans des conditions radicalement différentes de ce pour quoi ils avaient été conçus. Les mécanismes isolant les circuits de carburant et de comburant n'étaient pas appropriés à la durée écoulée entre le lancement et la mise en œuvre du moteur. Cette durée était de 11 mois dans le cas Mars Observer alors que ces circuits étaient activés habituellement quelques jours après le lancement.

Conséquences

Mars Observer était la sonde spatiale la plus coûteuse lancée jusque-là par la NASA. L'échec de cette mission entraîne une révision complète de la stratégie américaine d’exploration du système solaire. La NASA décide de lancer désormais des sondes spatiales moins sophistiquées mais à budget réduit : l'objectif est de ne pas tout perdre en cas d’échec tout en permettant la réalisation d'un plus grand nombre de missions avec un cycle de développement raccourci. C’est le « better, faster, cheaper » (« mieux, plus vite, moins cher ») qui devient la devise du nouveau programme Discovery. Les objectifs qui avaient été assignés à Mars Observer sont repris par les sondes martiennes lancées par la suite : des copies des instruments scientifiques de Mars Observer seront donc embarquées sur les sondes Mars Global Surveyor lancée en 1996, Mars Climate Orbiter lancée en 1998, 2001 Mars Odyssey lancée en 2001 et Mars Reconnaissance Orbiter lancée en 2005.

Notes et références

Notes

    Références

    1. (en) Arden L. Albee et al., « Overview of the Mars Global Surveyor mission », Journal of Geophysical Research, vol. 106, no E10, , p. 23291 (lire en ligne [PDF]).
    2. Exploration and Engineering - The Jet Propulsion Laboratory and the quest for Mars, p. 9.
    3. Exploration and Engineering - The Jet Propulsion Laboratory and the quest for Mars, p. 9-10
    4. Exploration and Engineering - The Jet Propulsion Laboratory and the quest for Mars, p. 10-12
    5. Exploration and Engineering - The Jet Propulsion Laboratory and the quest for Mars, p. 12-13
    6. Exploration and Engineering - The Jet Propulsion Laboratory and the quest for Mars, p. 13-14
    7. Ulivi et Harland 2009, p. 327-328
    8. 1 2 « NSSDC Master Catalog : Mars Observer », NASA (consulté le )
    9. Dossier de presse NASA op. cit., p. 32-33
    10. (en) « Mars Observer - Mars Orbiter Camera (MOC) », sur NASA NSSDC Master Catalog, NASA (consulté le )
    11. (en) « Mars Observer - Thermal Emission Spectrometer (TES) », sur NASA NSSDC Master Catalog, NASA (consulté le )
    12. (en) « Mars Observer - Mars Orbiter Laser Altimeter (MOLA) », sur NASA NSSDC Master Catalog, NASA (consulté le )
    13. (en) « Mars Observer - Magnetometer/Electron Reflectometer (MAG/ER) », sur NASA NSSDC Master Catalog, NASA (consulté le )
    14. (en) « Mars Observer - Mars Orbiter Laser Altimeter (MOLA) », sur NASA NSSDC Master Catalog, NASA (consulté le )
    15. (en) « Mars Observer - Pressure Modulator Infrared Radiometer (PMIRR) », sur NASA NSSDC Master Catalog, NASA (consulté le )
    16. (en) « Mars Observer - Gamma Ray Spectrometer (GRS) », sur NASA NSSDC Master Catalog, NASA (consulté le )
    17. Ulivi et Harland 2009, p. 329-333
    18. MARS OBSERVER Mission Failure Investigation Board Report 2013, p. B-3 à B-6

    Bibliographie

    NASA

    • (en) NASA, Mars Observer Press kit, (lire en ligne)
      Présentation à la presse de la mission.
    • (en) NASA, Mars Observer Loss of Signal : Special Review Board Final Report, (lire en ligne)
      Rapport d'enquête sur la perte de la sonde spatiale.
    • (en) Commission d’enquête Mars Observer, VOLUME I MARS OBSERVER Mission Failure Investigation Board Report, NASA,
      Rapport d'enquête mois produit à la suite de la perte de Mars Observer

    Autres ouvrages

    • (en) Erik M. Conway, Exploration and engineering : the Jet propulsion laboratory and the quest for Mars, Baltimore, Johns Hopkins University Press, , 418 p. (ISBN 978-1-4214-1605-2, lire en ligne) — Histoire du programme d'exploration martien du Jet Propulsion Laboratory
    • (en) Paolo Ulivi et David M Harland, Robotic Exploration of the Solar System Part 2 Hiatus and Renewal 1983-1996, Chichester, Springer Praxis, , 535 p. (ISBN 978-0-387-78904-0)
      Description détaillée des missions (contexte, objectifs, description technique, déroulement, résultats) des sondes spatiales lancées entre 1983 et 1996.

    Voir aussi

    Articles connexes

    Liens externes

    • icône décorative Portail de l’astronautique
    • icône décorative Portail de la planète Mars