Microvillosité
Les microvillosités sont de fins prolongements cellulaires de forme cylindrique d'environ 1 à 2 micromètres de longueur et localisées sur des cellules épithéliales. Elles se situent au pôle apical de la cellule (extrémité cellulaire vers le milieu extérieur, s'oppose au pôle basal), et servent à absorber des substances.

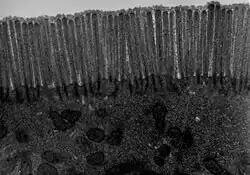
Structure et organisation
Elles sont environ 60 par micromètre carré d'épithélium et forment ainsi une bordure en brosse ou un plateau strié. Des filaments partent de leur extrémité pour former un revêtement sur l'épithélium, le glycocalyx.
Les microvillosités peuvent être renforcées par un cytosquelette composé de faisceaux de filaments d'actine parallèles (allongés sur le grand axe de ces microvillosités).
Dans une microvillosité on a entre 20 et 30 filaments d'actine disposés en quinconce et espacés d'environ 12 nm chacun. Cette organisation est permise par la présence de protéines associées aux filaments d'actine qui renforcent l'armature interne. On a parmi ces protéines :
- la fimbrine, la calmoduline et la villine qui forment des ponts moléculaires entre les filaments d'actine et stabilisent leur architecture ;
- la myosine 1A qui permet d'ancrer les faisceaux d'actine à la membrane plasmique de la microvillosité.
Les filaments d'actine sont rattachés à ceux du cytoplasme de la cellule.
À leur base, les filaments d’actine sont ancrés sur un réseau de filaments parallèles à la surface: le réseau terminal, qui contient :
- de la spectrine qui intervient dans la stabilité et rigidité de la structure ;
- de la T-protéine dont le rôle est identique à la titine ;
- de la N-protéine qui a un rôle similaire à la nébuline.
Chaque cellule peut élaborer des microvillosités à tout moment (en fonction des besoins, on aura plus ou moins de microvillosités), mais dans deux cas seulement, ces microvillosités forment des structures stables :
- au niveau du plateau strié de l'intestin ;
- au niveau des bordures en brosses dans le rein.
Fonction
Ce type de structure permet une optimisation de la surface d'échange impliquée dans le processus d'absorption sans pour autant augmenter le volume cellulaire.
La membrane plasmique des microvillosités montre en effet, une concentration particulière de certaines protéines favorisant les mécanismes d'absorption moléculaire, notamment :
- de nombreuses glycoprotéines de surface,
- de certaines enzymes,
- de protéines canaux.
On a pour exemple de cellules épithéliales possédant des microvillosités celles de l'épithélium intestinal ou bien du tubule rénal.
NB : elles sont à différencier des cils vibratiles, qui ne servent qu'à déplacer les éléments à la surface de l'épithélium, tandis que les microvillosités servent à l'absorption. On les retrouve à la surface des épendymocytes, des entérocytes, etc.
Sources
- Cours étudiant de PACES[source insuffisante].
Notes et références
Liens externes
- Ressources relatives à la santé :
- Ressource relative à la recherche :
Voir aussi
- Portail de la biologie cellulaire et moléculaire