Multiplicateur de Gilbert

Un multiplicateur de Gilbert (ou aussi cellule de multiplicateur de Gilbert) est un multiplicateur de tension analogique composé de trois paires différentielles imbriquées.
En électronique, la cellule de Gilbert est notamment utilisée comme mélangeur de fréquence. Elle produit des signaux de sortie proportionnels au produit de deux signaux d'entrée. De tels circuits sont largement utilisés pour la conversion de fréquence dans les systèmes radio[1]. L'avantage de ce circuit est que le courant de sortie est une multiplication précise des courants de base (différentiels) des deux entrées. En tant que mélangeur, son fonctionnement équilibré annule de nombreux produits de mélange indésirables (en), ce qui permet d'obtenir une sortie plus "propre".
Il s'agit d'un cas généralisé d'un circuit ancien utilisé pour la première fois par Howard Jones en 1963[2], inventé indépendamment et considérablement augmenté par Barrie Gilbert (en) en 1967[3]. Il s'agit d'un exemple spécifique de conception "translinéaire", une approche en mode courant de la conception de circuits analogiques. La propriété spécifique de cette cellule est que le courant de sortie différentiel est un produit algébrique précis de ses deux entrées de courant analogique différentiel.
Fonctionnement
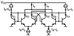
![]() |
![]() |
![]() |
|---|---|---|
| Howard Jones, 1963. | Gilbert, 1968 (beta indépendent). | Gilbert, plus tard (beta dépendent). |
Dans cette topologie, il y a peu de différence entre la cellule de Jones et le multiplicateur translinéaire. Dans les deux cas, deux étages d'amplification différentielle sont formés par des paires de transistors couplés à l'émetteur (Q1/Q4, Q3/Q5) dont les sorties sont connectées (courants additionnés) avec des phases opposées. Les jonctions d'émetteur de ces étages d'amplification sont alimentées par les collecteurs d'une troisième paire différentielle (Q2/Q6). Les courants de sortie de Q2/Q6 deviennent des courants d'émetteur pour les amplificateurs différentiels. De manière simplifiée, le courant de sortie d'un transistor individuel est donné par ic = gm vbe. Sa transconductance gm est (à T = 300° K) d'environ gm = 40 IC. La combinaison de ces équations donne ic = 40 IC vbe,lo. Cependant, IC est ici donné par vbe,rf gm,rf. Par conséquent, ic = 40 vbe,lo vbe,rf gm,rf, qui est une multiplication de vbe,lo et de vbe,rf. En combinant les courants de sortie des deux étages différents, on obtient un fonctionnement à quatre quadrants.
Cependant, dans les cellules inventées par Gilbert, représentées sur ces figures, il y a deux diodes supplémentaires. Il s'agit d'une différence cruciale car elles génèrent le logarithme du courant d'entrée différentiel associé (X) de sorte que les caractéristiques exponentielles des transistors suivants résultent en une multiplication idéalement parfaite de ces courants d'entrée avec la paire de courants restants (Y). Cette topologie de cellule à diode supplémentaire est généralement utilisée lorsqu'un amplificateur commandé en tension (ACT) à faible distorsion est nécessaire. Cette topologie est rarement utilisée dans les applications de mélangeur/modulateur RF pour diverses raisons, l'une d'entre elles étant que l'avantage de linéarité du cascode linéarisé supérieur est minime en raison des signaux de commande à ondes quasi carrées vers ces bases. La commande est moins susceptible d'être une onde carrée à transition rapide à des fréquences très élevées lorsqu'il peut y avoir un avantage dans la linéarisation.
De nos jours, des circuits fonctionnellement similaires peuvent être construits en utilisant des cellules CMOS ou BiCMOS.
Bibliographie
- (en) Barrie Gilbert, « A Precise Four-Quadrant Multiplier with Subnanosecond Response », IEEE Journal of Solid-State Circuits, IEEE Solid-State Circuits Society, vol. 3, no 4, , p. 365–373 (lire en ligne, consulté le ).
Notes et références
- ↑ (en) Allen A. Sweet, "Designing Bipolar Transistor Radio Frequency Integrated Circuits", Artech House, 2007, (ISBN 1596931280), page 205
- ↑ (en) Jones, Howard E., "Dual output synchronous detector utilizing transistorized differential amplifiers", U.S. patent 3,241,078A (filed : 18 June 1963 ; issued : 15 March 1966)
- ↑ (en) B. Gilbert, « A precision four-quadrant multiplier with subnanosecond response », IEEE Journal of Solid-State Circuits, vol. SC-3, no 4, , p. 353-365 (DOI 10.1109/JSSC.1968 .1049924, S2CID 6584426, lire en ligne [archive du ])
Voir aussi
- NE612 (en), circuit intégré intégrant un oscillateur et un mélangeur à cellule de Gilbert.
Liens externes
- Portail de l’électricité et de l’électronique


