Ondulation résiduelle
En électronique, l'ondulation résiduelle (le mot anglais "ripple" reste très utilisé en français) est la variation périodique résiduelle d'une tension continue (ou d'un courant continu) issue du redressement d'une source de tension (ou de courant) alternatif. Cette ondulation est la conséquence, généralement indésirable, du filtrage imparfait de la composante alternative d'une source d'énergie par le montage électronique redresseur.
Dans certains cas, le "ripple" peut également faire référence à la consommation discontinue ou pulsée du courant par des appareils au fonctionnement non linéaires comme les alimentations à découpage qui puisent de l'énergie dans des condensateurs électriques de manière impulsionnelle. Dans ce cas le "ripple" n'est plus un résidu indésirable mais un comportement inhérent au mécanisme mis en œuvre.
Il existe également une notion d'ondulation résiduelle (ou "ripple") rapporté au domaine fréquentiel. Cette caractéristique apparaît dans la définition de certaines classes de filtres et d’autres dispositifs de traitement du signal. Dans ce cas, cette grandeur caractérise la variation de la perte d'insertion du réseau en fonction de la fréquence du signal (courbe de gain-bande passante). Cette grandeur doit généralement être considérée comme un effet de bord indésirable, son existence résultant d'un compromis nécessaire entre l'amplitude des ondulations et d'autres paramètres du montage.
La présence d'ondulations résiduelles implique généralement un gaspillage de l'énergie et a de nombreux effets indésirables sur un circuit CC : il chauffe les composants, provoque du bruit électrique et de la distorsion. Il peut entraîner un dysfonctionnement des circuits numériques. Cette ondulation résiduelle peut être réduite par un filtre électronique et éliminée par un régulateur de tension.
Ondulations de tension
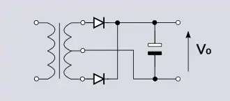
Une tension continue non idéale peut être décomposée en une composante continue constante et une tension alternative : l'ondulation résiduelle de tension. L'ondulation résiduelle de tension est souvent de faible magnitude par rapport à la composante continue. Cela n'empêche pas qu'en valeur absolue, cette composante alternative peut atteindre plusieurs milliers de volts d'amplitude (comme dans le cas des systèmes de transmission HVDC). L'ondulation elle-même est une forme d'onde composite (pas nécessairement sinusoïdale) généralement composée d'harmoniques d'une fréquence fondamentale correspondant le plus souvent à la fréquence de ligne CA d'origine. Dans le cas des alimentations à découpage, cette fréquence fondamentale peut être de plusieurs dizaines de kilohertz à quelques mégahertz. Les caractéristiques de cette ondulation résiduelle dépendent étroitement du type de montage redresseur employé (rectification monophasée demi-alternance/complète, rectification triphasée demi-alternance/complète, etc.). Cette rectification peut être contrôlée (à base de redresseurs contrôlés au silicium) ou non contrôlée (à base de diodes). Il existe en outre des redresseurs actifs à base de transistors générant elles-aussi leurs propres ondulations résiduelles caractéristiques.
Diverses caractéristiques de l’ondulation résiduelle de tension peuvent être surveillées en fonction de l’application : l'équation de l’ondulation pour l’analyse de Fourier permettant de déterminer les harmoniques constitutifs ; la valeur crête ou crête-à-crête de la tension ; la valeur moyenne quadratique de la tension (ou "tension RMS") qui est directement liée à la puissance transmise par ces ondulations ; le facteur d'ondulation γ; le rapport entre la valeur efficace et la sortie de tension continue ; le rapport de conversion (également appelé rendement) η ; le rapport entre la puissance de sortie continue et la puissance d'entrée alternative ; le facteur de forme ; le rapport entre la valeur efficace de la tension de sortie et la valeur moyenne de la tension de sortie. Des ratios analogues peuvent également être calculés pour les ondulations de courant de sortie.
Un filtre électronique ayant une haute impédance autour de la fréquence d’ondulation peut être utilisé pour réduire l'ondulation résiduelle de tension tout en augmentant ou diminuant au passage la valeur de la composante continue ; un tel filtre est souvent appelé filtre de lissage ou filtre redresseur.
Filtrage

La réduction des ondulations résiduelles n'est que l'une des multiples considérations à prendre en compte pour la conception des filtres d'alimentation[nb 1]. Le filtrage de l'ondulation de tension est analogue au filtrage d’autres types de signaux. Toutefois, lors de la conversion de puissance CA / CC ainsi que de la production de puissance CC, des tensions et des courants élevés, ou les deux, peuvent être émis sous forme d'ondulation. Par conséquent, les gros composants discrets tels que les condensateurs électrolytiques, les bobines d'arrêt à noyau ferromagnétique et les résistances bobinées de puissance, supportant explicitement les fortes ondulations résiduelles, doivent généralement être employés pour réduire ces ondulations résiduelles vers des niveaux admissible par la partie aval du montage : le régulateur de tension intégré ou la charge utile. Le type de filtrage requis dépend de l’amplitude des différentes harmoniques de l’ondulation et des exigences de la charge. Par exemple, la bobine mobile d'un préamplificateur audio peut nécessiter que l'ondulation résiduelle soit réduite à quelques centaines de nanovolts (10 -9 V). En revanche, un chargeur de batterie, constituant un circuit entièrement résistif, ne nécessite aucun filtrage d’ondulation. Étant donné que la sortie souhaitée est en courant continu (essentiellement à 0 Hz), le filtrage des ondulations résiduelles se fait généralement à l'aide de simples filtres passe-bas constitués de condensateurs de shunt et de selfs en série. Des résistances en série peuvent remplacer les inductances pour réduire la tension CC de sortie et des résistances en parallèle peuvent être utilisées pour la régulation de la tension.
Filtrage dans les alimentations électriques
La plupart des alimentations électriques sont maintenant conçues en électronique commutée. Les exigences de filtrage pour de telles alimentations sont beaucoup plus faciles à satisfaire en raison de la fréquence élevée de la forme d'onde des ondulations résiduelles. La fréquence des ondulations dans les alimentations à découpage n’est pas liée à la fréquence de la ligne mais correspond à des multiples de la fréquence du circuit de découpage, qui se situe généralement dans la plage de 50 kHz à 1 MHz.

Régulateurs de tension
Une solution courante pour se défaire des ondulations de tension consiste à utiliser un condensateur réservoir pour réduire les ondulations à un niveau gérable, puis à faire passer le courant ainsi lissé dans un circuit intégré régulateur de tension. Le circuit de régulation, en plus de fournir une tension de sortie stable, filtrera accessoirement presque toute l'ondulation tant que le niveau minimum de la forme d'onde d'ondulation ne sera pas inférieur à la tension régulée[1]. Les alimentations à découpage incluent généralement un régulateur de tension dans le circuit.
La régulation de la tension repose sur un principe différent de celui du filtrage : elle repose sur la tension inverse de crête d’une diode ou d’une série de diodes qui définissent une tension de sortie maximale; il peut également utiliser un ou plusieurs dispositifs d'amplification de tension tels que des transistors pour augmenter la tension pendant les creux de tension. En raison des caractéristiques non linéaires de ces dispositifs, la sortie d'un régulateur est sans ondulation. Un simple régulateur de tension peut être constitué d’une résistance série pour la chute de tension suivie d’une diode Zener de shunt dont la tension Zener inverse maximale définit la tension de sortie maximale; si la tension augmente, la diode dissipe le courant pour maintenir la régulation à la tension voulue.
Conséquences des ondulations résiduelles
Dans la plupart des applications électroniques, les ondulations résiduelles sont indésirables pour diverses raisons :
- les ondulations résiduelles représentent une puissance perdue qui ne peut pas être utilisée par un circuit nécessitant du courant continu
- l'ondulation provoquera un échauffement dans les composants du circuit CC en raison du courant traversant des éléments parasites tels que la résistance équivalente série (ESR) des condensateurs .
- dans les alimentations, l'ondulation de tension impose aux composants employés que leur tension maximale admissible soit supérieure. L’ondulation de courant nécessite que les éléments parasites des composants soient plus faibles et la capacité de dissipation plus élevée (les composants seront plus grands et leur qualité devra être plus élevée)
- les transformateurs qui fournissent du courant ondulé aux circuits d'entrée capacitifs devront avoir une puissance admissible supérieure à la charge nominale utile (en watts)
- Si la fréquence d'ondulation et ses harmoniques sont dans la bande audio, celles-ci seront audibles sur des équipements audios tels que des récepteurs radio, les lecteurs audio et le matériel audio employé en studios d'enregistrement.
- Si la fréquence d'ondulation est comprise dans la bande passante vidéo des téléviseurs analogiques. L'image de la télévision présentera un motif de lignes ondulées mobiles si trop d’ondulations sont présentes[2].
- La présence d'ondulations peut réduire la résolution des instruments de test et de mesure électroniques. Sur un oscilloscope, il se présentera sous forme de motif visible à l'écran.
- Au sein des circuits numériques, il réduit les marges de bruit des circuits logiques entraînant ainsi plus de sorties incorrectes et plus de corruptions de données.
Ondulations résiduelles en domaine fréquentiel

L'ondulation résiduelle (ou "ripple") dans le contexte du domaine fréquentiel fait référence à la variation périodique de la perte d'insertion en fonction de la fréquence (courbe gain-bande passante). Tous les filtres ne présentent pas ces ondulations, certains présentent des pertes d'insertions avec des fronts de coupures de type monotones comme c'est le cas pour le filtre de Butterworth. Les filtres les plus répandus qui présentent ce type d'ondulations résiduelles sont le filtre de Chebyshev, le filtre de Chebyshev inverse et le filtre elliptique[3]. Les autres exemples de réseaux de transmission présentant des ondulations sont les réseaux d'adaptation d'impédance conçus à l'aide de polynômes de Chebyshev. Les ondulations résiduelles de ces réseaux, contrairement à d'autres filtres, ne pourront jamais atteindre 0 dB si le filtre est calibré pour une transmission sur la bande passante dans son ensemble[4].
L'amplitude des ondulations résiduelles fera l'objet d'un compromis avec d'autres paramètres dans la conception du filtre. Par exemple, le taux de roll-off entre la bande passante vers la bande de coupure peut être augmenté au prix d'augmentation de l'ondulation et sans augmenter l'ordre du filtre (c'est-à-dire que le nombre de composants à employer reste le même). En revanche, ces ondulations résiduelles peuvent être réduites en augmentant l’ordre du filtre tout en maintenant le même taux de roll-off[4].
Voir aussi
- Redresseur, un dispositif non linéaire qui est l'une des sources principale d’ondulations résiduelles
- Dynamo, instrument de production d'énergie à courant continu, dont la sortie contient généralement une composante alternative de forte amplitude
Remarques
- ↑ Les spécifications techniques des sorties d'alimentation spécifient généralement une tension CC minimale, une plage de tension de sortie ou un pourcentage de régulation de tension et un facteur d'ondulation. Le filtre doit également prendre en compte l'impédance de charge, la tension de source et la régulation de tension, le facteur de puissance (pour un transformateur), la variation de la tension de ligne et tout filtrage nécessaire du bruit de source ou de la distorsion harmonique.
Références
Bibliographie
- Ryder, JD, Fondamentaux de l'électronique et applications, Éditions Pitman, 1970 (Anglais).
- Millman-Halkias, Électronique Intégrée, McGraw-Hill Kogakusha, 1972 (Anglais).
- Matthaei, Young, Jones, Filtres hyperfréquences, réseaux d'adaptation d'impédance et structures de couplage, McGraw-Hill, 1964 (Anglais).
- Portail de l'analyse
- Portail de la physique
- Portail de l’électricité et de l’électronique