Moteur Packard X-2775

| Constructeur | |
|---|---|
| Années de production |
1927-1935 |
| Production |
3 |
| Application |
Williams "Mercury" NR1-E |
| Cylindrée |
45,47 l |
|---|---|
| Disposition |
X |
| Angle des cylindres |
60° |
| Alésage |
136,5 mm |
| Course |
130 mm |
| Refroidissement |
Liquide |
| Combustible |
Essence |
| Allumage |
magneto Scintilla |
| Puissance max. |
1900 ch à 2 800 tr/min |
|---|
| Masse |
781 kg |
|---|
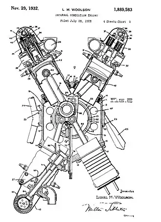
Le Packard X-2775 (désignation interne A-2775) était un moteur d'avion américain expérimental à refroidissement liquide. Ce moteur, à quatre bancs de six cylindres en X, était le résultat du couplage de deux V12 à 60 degrés, un en position normale et le second en position inversée. Les deux moteurs partageant le même carter. Bien que techniquement incorrect, le moteur avait les caractéristiques de deux moteurs V-12 Packard 1A-1500.
Conception et développement

La Société Packard fut fondée en 1899 par deux frères, James Ward Packard ( – ) et William Doud Packard ( - ) de Warren, dans l'Ohio, qui créèrent la Packard Electric Company. En 1926, une vingtaine d'hommes d'affaires de New York comprenant James Packard et un groupe de l'US Navy exprimèrent un intérêt dans la construction d'un avion conçu pour briser le record de vitesse aérien. L'US Navy accepta de financer le projet dès lors que les fonds étaient disponibles. L'avion devait être achevé à temps pour participer à la Coupe Schneider de 1927, qui se tenait en Italie [1].
Moteur 1A-2775
Le moteur fut conçu par le Capitaine Lionel Melville Woolson de l'US Navy, ingénieur aéronautique à la Packard Motor Company de Détroit. Le moteur était une configuration en "X" avec une conception similaire à un V-12 vertical et un V-12 inversé montés sur le même vilebrequin dans un carter commune. Avec 136,5 mm d'alésage et 130 mm de course, la cylindrée était de 45,47 litres. L'ingénierie dans la conception du vilebrequin, du carter unique et du système de bielle maître/esclave était très complexe[2].

Les bielles maître-esclave étaient de conception similaire à celles utilisées sur un moteur radial. Ce qui donnait une course un peu plus longue pour trois des quatre pistons avec une cylindrée un peu plus importante que les 44,620 0 litres (2,722.88 cu in) théoriques pour un moteur avec cet alésage et cette course. Le moteur produisait 1 250 ch (930 kW) à 2 700 tr/min pour un poids de 636 kg[2] .
Les joues de vilebrequin d'un diamètre de 197 mm étaient utilisées comme tourillon principal. Cela fut nécessaire pour garder le vilebrequin de la même longueur que sur le moteur 1A-1500 afin de pouvoir réutiliser un maximum de composants et maintenir une masse aussi basse que possible. Le carter en une seule pièce fut conçu à la fois pour économiser du poids et donner le maximum de force, mais rendit l'assemblage du moteur difficile. Le moteur fut finalement terminé en [2].
Le bureau de l'Aéronautique navale commanda un deuxième moteur suralimenté équipé d'un compresseur de type Roots en vertu de leur contrat initial No 3224. Cette commande fut passée quand il devint évident qu'il serait nécessaire de suralimenter le moteur afin de pouvoir rivaliser avec les vitesses des autres concurrents[2].
Le Bureau de l'Aéronautique analysa les possibilités de l'avion dans la course afin d'être compétitif. Il estima que le poids supplémentaire du compresseur pouvait être mieux mis à profit par l'installation d'un planétaires d'engrenage réducteur. Pour le même poids cela devait permettre d'améliorer l'efficacité de l'hélice ainsi que les performances du moteur suralimenté par rapport à un entraînement direct[2].
Il fut en outre prévu d'augmenter le taux de compression du moteur, ce qui devait encore une fois améliorer les performances sans augmenter le poids. Le passage au banc du moteur suralimenté devait permettre de prendre une décision finale. Les tests donnèrent une puissance de sortie de seulement 1 300 ch (970 kW) à 2 800 tr/min en raison de la grande turbine du compresseur qui permit un gain de seulement 260,75 hPa. Après réduction de la turbine, le compresseur produisait alors 304,77 hPa de pression et le moteur 1 500 ch à 2 700 tr/min[2].

Le premier moteur reçut plus tard un planétaire conçu par Allison, un taux de compression augmenté, une magnéto d'allumage Scintilla ainsi que les nouveaux bancs de cylindre du moteur inversé 3A-1500. Ce design plaçait les bougies d'allumage à l'extérieur pour une maintenance plus simple [2].
Les photographies officielles de Packard de ce moteur étaient marquées "model 2A-2775", et les photographies des versions antérieures marquées "ne pas remettre à la presse - ci-après seulement 2A-2775 sont à distribuer - par le Capitaine Woolson". La plupart des photographies publiées sont donc de ce moteur. En dépit des notes du Capitaine de Woolson, le moteur fut identifié comme 1A-2775 ou "Packard X engine" [2].
Le moteur fut annoncé comme étant disponible auprès du public "sur commande" à la fin de pour 35 000 dollars pièce. Comme aucune commande ne fut reçue, et parce que seulement deux moteurs furent construits pour la Navy sous la désignation X-2775, le modèle 2A-2775 Packard ne fut jamais produit à l'usage du public[3].
Le moteur No 2 reçut également le nouveau type de bancs de cylindres et fut testé avec et sans réducteur. L'entraînement direct et le réducteur étant interchangeables, ils furent utilisés sur les deux moteurs en fonction des besoins [3].
Le moteur No 1 dans sa version modifiée, avec compression élevée, équipé du réducteur et des derniers bancs de cylindres, fut utilisé dans l'avion de course Williams "Mercury" Racer NR1-E (moteur 1A-2775 série No 1, Bureau No 10960) comme participant américain à la Coupe Schneider de 1929 [3].
Le moteur N ° 1, seul survivant connu des 1A-2775, a été donné par l'US Navy à la Smithsonian Institution en 1971. Il est dans la même configuration que lorsqu'il fut utilisé dans le Mercury racer NR1-E en 1929[3].
Moteur 2A-2775
Packard a apparemment construit un troisième moteur quelque temps après 1931, lorsque la Navy cessa de tester ses moteurs. Aucune photo de ce moteur n'a été retrouvée, mais les données techniques datées du début de 1939 montrent un 2A-2775 avec une puissance de 1 900 ch (1 400 kW) à 2 800 tr/min. La PME de 1 350 kPa indique que le moteur était suralimenté [3].
Versions
- 1A-2775 No 1
- Puissance nominale 1 200 ch (890 kW) à 2 600 tr/min et max de 1 250 ch (930 kW) à 2 700 tr/min. Poids 686 kg.
- 1A-2775 No 2
- Puissance nominale 1 400 ch (1 000 kW) à 2 600 tr/min et max de 1 500 ch (1 100 kW) à 2 700 tr/min. Poids 742 kg. Suralimentation par compresseur (1928)
- 2A-2775 No 3
- Puissance nominale 1 900 ch (1 400 kW) à 2 800 tr/min. Poids 781 kg. Suralimentation par compresseur (1935)
Applications
- Kirkham-William
- Williams "Mercury" Racer NR1-E
Survivant
Le moteur no 1 1A-2775 fait partie des collections du Smithsonian Museum. Il est conservé dans son état de 1929.
Références
Notes
Bibliographie
- Neal, Robert J.; Packard comme un Aero Engine Builder - Moteurs à Allumage commandé: 1923-1939 couplemètre Vol. 7 N ° 3 à l'Été 2008 au Moteur d'Avion de la Société Historique
- Gunston, Le Projet De Loi. Encyclopédie mondiale des Moteurs d'aviation. Cambridge, En Angleterre. Patrick Stephens Limitée, 1989. (ISBN 1-85260-163-9)
- Pakard moteur de statistiques de Moteurs d'Avions Historiques de la Société
- Portail de l’aéronautique
- Portail du génie mécanique
- Portail de Détroit