Psalmodie
La psalmodie est une technique vocale consistant à réciter un texte sur une unique note. Souvent la psalmodie porte une connotation religieuse.
Le style psalmodique est en plain-chant le plus dépouillé des styles d'ornementation. Il est cependant rare qu'une lecture se fasse sur un recto tono strict : que ce soit par les formules d'intonation ou de conclusion, ou les formules d'accentuation, une partie des lectures se rapproche du style neumatique.
Le style psalmodique est le style de base des oraisons, des lectures, des leçons brèves et des capitules. Il se retrouve dans la psalmodie, les versets et les répons, où une formule existe pour chacun des huit modes.
NB: Les styles psalmodiques et syllabiques sont souvent regroupés, dans la mesure où les pièces de style psalmodique sont traditionnellement notées, à raison d'un punctum par syllabe. Cependant, cette notation est évidemment superflue.
Style psalmodique
La caractéristique essentielle du style psalmodique est d'utiliser une même note, recto tono, pour interpréter plusieurs syllabes du texte, généralement tout un segment de phrase.
Des formules neumatiques peuvent s'intercaler, pour marquer les introductions, les cadences ou les accents.
Exemple de style psalmodique : Ouverture de l'office des heures:

Le "Do" sur lequel se fait la récitation est pratiquement recto tono: le rythme de la récitation est dominé par le rythme de l'accentuation latine. La teneur n'est altérée ici que par un podatus d'accent sur adjutorium, et un podatus inverse (propre aux teneurs de type "Do") sur intende.
Structure d'un verset
Intonation, teneur et conclusion
Le verset (ou la phrase dans les lectures) commence par une formule d'intonation, suivie d'une teneur, et se termine par une formule finale de conclusion (cadence finale). Un verset est généralement composé de deux membres, parfois trois. Les membres sont séparés les uns des autres par une cadence intermédiaire (*).
La teneur elle-même comprend sa note de récitation, des formules d'accent, des formules de flexion (†) qui permettent d'introduire des respirations, et des formules de reprise.
Accentuation de la teneur
La teneur est le plus souvent chantée recto tono, plusieurs syllabes étant donc chantées sur la même note. Dans la notation traditionnelle, chaque syllabe est représentée par une note séparée.
Dans les teneurs longues ou plus ornées, certains accents sont marqués soit par une note plus élevée d'un ton ou d'un demi ton, éventuellement précédée d'une montée anticipée sur la syllabe précédente, soit plus généralement par un podatus d'accent, qui peut être d'une note ou (plus rarement) à la tierce. Ce mode d'accentuation est normalement fixe pour toutes les teneurs de la pièce. On en trouve de très nombreux exemples dans les différents tons du psaume invitatoire, dans les répons prolixes, ou au sein de formules psalmodiques qui apparaissent dans d'autres pièces.

L'accentuation se rencontre le plus souvent sur le dernier accent précédant une formule de cadence (accent de préparation). Dans les membres de versets plus longs, elle peut se rencontrer sur tous les accents non concernés par une formule, sauf généralement le premier.
Flexions
La flexion des tons psalmodiques se fait de manière uniforme sur les syllabes qui suivent le dernier accent du segment de phrase. Les dernières syllabes non accentuées sont abaissées d'une seconde ou d'une tierce, suivant la formule d'intonation:
- Quand l'intonation part de la quarte (ou la quinte) inférieure et passe par la tierce, pour sauter directement sur la corde de teneur, la flexion se fait en retournant à la tierce inférieure.
- Inversement, quand l'intonation mentionne la modulation inférieure de la teneur, la flexion a lieu à la seconde.
Interprétation des formules accentuées
L'interprétation de la cadence se fait en remontant à partir de la fin du verset.
Les formules médianes sont toujours accentuées; et peuvent être à un ou deux accents, avec ou sans syllabes de préparation: elles dépendent de l'endroit où tombe le dernier accent de l'hémistiche, ou parfois des deux derniers accents. Ces accents sont repérés sur la formule type (ici, par des triangles). Si la longueur des mots impose d'intercaler une syllabe supplémentaire dans la formule, celle-ci est notée par une "note blanche", qui peut être ajoutée ou supprimée suivant ce qu'exige l'accent.
Il peut y avoir une ou plusieurs syllabes préparatoires à l'accent dans la formule. Dans ce cas, ces syllabes préparatoires sont placées sur le verset en remontant à partir du dernier accent.
Dans le cas de formules à deux accents: si l'accent précédant le dernier est trop loin par rapport au nombre de notes "blanches" pouvant être rajoutées à la formule, on interprète la formule comme si un accent conventionnel se trouvait deux syllabes avant le dernier accent.
Formules psalmodiques
Les formules psalmodiques type sont de différents styles :
- Le style simple est utilisé à l'office, pour la récitation des psaumes.
- La psalmodie utilisée pour le Magnificat et le Benedictus est intermédiaire entre le style simple et celui de l'Introït.
- Un style plus complexe est utilisé à la Messe, pour les versets de l'Introït et de la Communion (du temps ou ceux-ci étaient chantés).
- Le style très orné des Répons prolixes.
- Enfin, le style propre du psaume invitatoire.
Chaque style de psalmodie se réalise en huit tons (sauf l'invitatoire), suivant la classification de l'octoéchos, et peut se réaliser en plusieurs variantes. La formule est choisie en fonction de la tonalité et de la finale de l'antienne.
Psalmodies de l'office

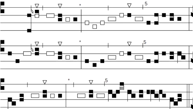
Les psalmodies de l'office sont très nombreuses: Il y a huit types d'intonation et de formule médiane, qui ne dépendent que du ton, mais les terminaisons sont très variées, aboutissant à une cinquantaine de formules. Ces formules sont différenciées par la note finale : dans l'exemple ci-dessus, la formule "1G" signifie qu'il s'agit d'une formule adaptée pour le premier mode, et se terminant sur un Sol (=G, en notation traditionnelle).
- Intonation
Le verset a une formule d'intonation, qui n'est utilisée que pour le premier verset du psaume. Les autres versets sont entonnés directement recto tono.
- Teneur
La teneur est ici notée par un grand rectangle blanc: c'est une note unique sur laquelle le corps du verset sera chanté.
- Flexion
Certains versets peuvent avoir des flexions, notées †. La formule de flexion n'est pas notée, mais est assez simple:
- La dernière syllabe accentuée est sur la teneur, puis la voix baisse d'un ou deux ton.
- Elle baisse d'un ton dans tous les cas où l'intonation passe par le ton inférieur à la teneur, et d'une tierce dans les cas où l'intonation fait le même saut d'une tierce.
Ici, dans le ton 1G, la flexion sera donc d'un ton. En cas de flexion, la reprise se fait toujours directement sur la teneur.
- Cadence médiane
Dans le verset du psaume, la cadence médiane est normalement notée par un "*". Elle suit une formule accentuée, suivant les règles données ci-dessus.
- Reprise
La reprise du second hémistiche se fait généralement recto tono dans la psalmodie simple.
- Formule finale
La formule finale peut être à un ou deux accents, avec ou sans syllabes de préparation. Elle s'exécute suivant les mêmes règles que la cadence médiane.
Psalmodie du Magnificat
Le Magnificat et le Benedictus peuvent se psalmodier sur les tons de l'office, la différence étant alors que l'intonation est alors reprise à chaque verset.
Ils peuvent également être psalmodiés sur un ton solennel, intermédiaire entre la psalmodie de l'office et celle de la Messe, dont la médiane est celle des versets d'introït.
Le Magnificat a pour particularité que le premier verset "Magnificat anima mea Dominum" n'a pas de cadence médiane. Dans ce premier verset, l'intonation s'enchaîne directement sur la formule finale.
Psalmodies de la Messe

La psalmodie de la Messe se rencontre surtout sur les versets d'Introït, mais également sur certaines formules de l'Asperges me.
Les intonations, cadences et médianes suivent les mêmes règles que pour la psalmodie de l'office. La seule différence est que s'il y a plusieurs versets, l'intonation doit être répétée à chaque fois. C'est en particulier le cas pour la doxologie du "Gloria", qui reçoit systématiquement une intonnation.
La principale différence entre les versets d'office et ceux de l'introït se trouve dans la conclusion des versets, qui suit une formule fixe pentasyllabique: on compte cinq syllabes avant la fin du verset, et ces syllabes reçoivent les cinq neumes de la formule finale, indépendamment de la place des accents.
Les versets d'introït sont souvent suivis d'une formule type comportant les lettres "E U O U A E". Il s'agit d'une représentation conventionnelle abrégée de la formule "sae-cu-lo-rum, a-men", qui permet de savoir où tombent les cinq dernières syllabes de la doxologie par rapport à la formule musicale de conclusion.
Psalmodies des répons prolixes

Les répons prolixes correspondent à un style syllabique, voire mélismatique. Ils ont une structure de verset beaucoup plus complexe que les structures précédentes, qui impose en pratique d'être notée.
- La formule d'intonation est le plus souvent accentuée, ce qui peut conduire à un petit passage récitatif avant de passer à la teneur proprement dite.
- Les teneurs sont parfois accentuées, et peuvent présenter des podatus d'accent qui viennent rompre l'uniformité du verset.
- La formule médiane est toujours riche, accuentuée et à trois syllabes de préparation.
- Il existe toujours une formule de reprise pour le second hémistiche. Cette formule n'est cependant pas utilisée dans la doxologie, qui est trop courte et attaque donc directement la teneur.
- La formule finale est toujours pentasyllabique, comme pour les versets d'introït, mais elle est très richement ornée.
Le répons ne s'achève pas sur la psalmodie, mais reprend l'antienne initiale. La note finale de la formule pentasyllabique ne correspond donc pas nécessairement à celle du mode.
Psalmodie de l'invitatoire

Le psaume invitatoire, au début de l'office des lectures, est chanté sur un ton propre complexe. Il n'y a pas de mélodie pour le premier et le huitième mode, en l'absence d'antienne d'invitatoire de ces modes ; en revanche le quatrième mode dispose de trois finales possibles.
Les hémistiches ont généralement une formule d'introduction, généralement accentuée. La teneur est généralement variable et accentuée. Les médianes sont accentuées, et les finales sont pentasyllabiques. La complexité de la mélodie type impose en pratique que tout le psaume soit noté, d'autant que les formules d'accentuation sur les teneurs ne sont pas toujours les mêmes.
Les versets sont regroupés par trois. Pour les besoins de la psalmodie, les versets subissent un découpage parfois artificiel :
- Veníte, exultémus Dómino, * jubilémus Deo, salutári nostro:
- Praeoccupémus fáciem ejus * in confessióne
- Et in psalmis * jubilémus ei.
- Quóniam Deus magnus Dóminus, * et Rex magnus super omnes deos ;
- Quóniam non reppéllet Dóminus plebem suam, * quia in manu eius sunt omnes fines terræ,
- Et altitúdines móntium * ipse cónspecit.
- Quóniam ipsíus est mare * et ipse fecit illud, et áridam fundavérunt manus ejus :
- Veníte, adorémus et procidámus ante Deum ; * plorémus coram Dómino, qui fecit nos, quia ipse est Dóminus Deus noster ;
- Nos autem pópulus ejus * et oves páscuæ ejus.
- Hódie, si vocem eius audiéritis, * nolíte obduráre corda vestra,
- Sicut in exacerbatióne secúndum diem * tentatiónis in desérto : ubi tentavérunt me patres vestri,
- Probavérunt et vidérunt * ópera mea.
- Quadríginta annis próximus fui * generatióni huic, et dixi semper hi errant cordis ;
- Ipsi vero non cognovérunt vias meas. * Quibus jurávi in ira mea
- Si introíbunt * in réquiem meam.
Liens externes
- Notices dans des dictionnaires ou encyclopédies généralistes :
- Psalmodie de l'office en latin (texte de la Vulgate et de la Néo-Vulgate)
- « Psautier œcuménique en ligne » (version du sur Internet Archive) Les 150 psaumes, ainsi que des didacticiels pour apprendre à psalmodier.
- Portail de la musique classique
- Portail du christianisme