Régulateur linéaire
En électronique, un régulateur linéaire, est un régulateur de tension reposant sur un composant actif travaillant dans sa zone linéaire ou sur un composant passif, comme une diode Zener, travaillant dans sa zone inverse.
Régulateur à diode Zener

La figure montre un exemple de régulateur à diode Zener (à proprement parler, il s'agit là plutôt d'un montage stabilisateur). La tension inverse de seuil, dite « tension Zener » (résultant de l'effet Zener) de la diode, permet de stabiliser la tension de sortie. La résistance R1 fournit le courant Zener IZ ainsi que le courant de sortie IR2, où R2 représente la charge. Lorsque la charge a une consommation IR2 constante, R1 peut être calculée de la façon suivante :
avec VZ la tension Zener et IR2 le courant absorbé par la charge.
On essaie de minimiser en général le courant IZ traversant la diode (énergie perdue), en prenant comme valeur, le courant minimal de polarisation de la diode.
Lorsque la charge a une consommation de courant variable, R1 est calculée avec la valeur maximum de IR2 ; lorsque le courant de charge est inférieur à cette valeur, la différence est drainée par la diode Zener[1].
Ce type de régulateur est utilisé pour les faibles puissances (tension de référence par exemple). La diode doit être prévue pour pouvoir supporter le surplus de courant la traversant au cas où la charge serait déconnectée. Les performances de ce type de montage sont très limitées, la stabilité de la tension de sortie dépendant de la variation du courant Zener et de la résistance dynamique de la diode. Le courant Zener variant lui-même en fonction de la tension d'entrée VS et des variations du courant de la charge. La tension de seuil est également, pour les diodes Zener courantes, assez dépendante des variations de température.
Régulateur série

Dans ce cas, un transistor est directement relié à la référence de tension (diode Zener). C'est le transistor Q qui fournit le courant de sortie IR2 et « absorbe » les variations de VS. La résistance R1 fournit quant à elle le courant Zener IZ.
Ce type de montage offre de meilleures performances qu'un régulateur à diode Zener simple car le courant de base du transistor ne charge presque pas la diode Zener, limitant ainsi les variations de la tension Zener dues aux variations de charge. La tension de sortie sera inférieure de 0,65 V à la tension de référence en raison de la tension Base-Émetteur VBE du transistor.
Bien que ce type de montage possède un bon pouvoir régulateur, il est toujours sensible aux variations de charge et ne permet pas de régler correctement la tension de sortie. Ces problèmes peuvent être résolus en incorporant une boucle de contre-réaction au montage afin d'assurer un asservissement de la tension de sortie.
Ce type de régulateur est qualifié de série car le transistor Q est en série avec la charge R2.
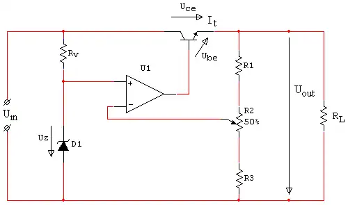
Régulateur série avec asservissement de la tension de sortie

Sur la figure ci-dessus, l'asservissement de la tension de sortie se fait grâce à l'amplificateur opérationnel (AO) U1 ainsi qu'au pont diviseur de tension constitué de R1, R2 et R3. Le pont diviseur de tension fournit une image de la tension de sortie Uout à l'AO U1 qui augmente sa tension de sortie si la tension de référence est en dessous de l'image de la tension de sortie et vice-versa en cas de tension négative.
Ce genre de montage offre d'excellentes performances car il est très peu sensible aux variations de la charge ainsi qu'aux variations de Uin. De plus, en utilisant une résistance variable pour R2, on peut faire varier arbitrairement la tension de sortie entre Uz et Uin.
Les régulateurs en circuit intégré

Il existe dans le commerce des régulateurs de tension linéaire sous forme de circuit intégré à trois broches. Ce genre de circuit est très simple d'utilisation : il suffit de brancher une broche au zéro volt, une autre à la tension d'alimentation, et on obtient en sortie une tension régulée. Il est généralement nécessaire d'ajouter quelques condensateurs à l'entrée et en sortie, servant de réservoir d'énergie, de filtrage et de découplage (diminution des composantes alternatives des tensions d'entrée et de sortie). Selon la puissance dissipée par le composant, fonction du courant consommé en sortie et de la chute de tension à ses bornes, il est quelquefois nécessaire de lui adjoindre un dissipateur.
En effet, la différence de tension entre l'entrée et la sortie (appelée VDO « voltage dropout » en anglais) est « rejetée » sous forme de chaleur. C'est-à-dire que plus la différence est grande et plus le courant qui le traverse est élevé plus l'énergie à dissiper sous forme de chaleur est élevée. On prendra donc soin d'abaisser la tension d'entrée pour avoir une valeur la plus proche possible de la tension de sortie, et ainsi faire en sorte que la différence entre les deux soit minimale.
Prenons en exemple un régulateur qui reçoit du 12 V en entrée, et auquel on demande du 5 V, 500 mA en sortie. Voici le calcul à faire : P = (Vin – Vout) × I. Cela donnera : P = (12 – 5) × 0,5 = 3,5 W à dissiper. Par ailleurs, le courant d'entrée étant le même que le courant de sortie, le rendement est donc de : M = (5/12) = 41,6 %. Le rendement est médiocre. Généralement, les régulateurs sont dotés de protections thermiques. Cette information est contenue ainsi que la valeur de la différence de tension minimale entre la tension d'entrée et la tension de sortie (VDO), dans les feuilles de caractéristiques du composant.
Selon la puissance à fournir, les régulateurs viennent sous différentes formes, sous différents « boîtiers », appelés « packages ». Sur la photo, on voit deux régulateurs 7805, celui à gauche est dans un boîtier appelé TO-220 (avec une languette métallique), celui à droite est dans un boîtier nommé TO-92.
Il est possible de « visser » un régulateur avec un boîtier TO-220 (avec une languette métallique et un trou au milieu) sur un dissipateur (appelé heatsink en anglais), ce qui n'est pas possible avec un régulateur avec un boîtier TO-92.
Pour des raisons d'efficacité énergétique, lorsque les intensités et les chutes de tension mises en jeu sont trop élevées, on préférera utiliser des régulateurs à découpage (exemple : LM2575).
Il existe des régulateurs appelés Low-dropout regulators (LDO), qui fonctionnent avec une différence de tension minimale acceptable inférieure. Exemple : FAN2500 de Fairchild, avec 100 mV en débitant 100 mA.
Les régulateurs de tension fixe
La série des « 78XX » (7805, 7809, 7812, etc.) est celle des régulateurs de tension positive, tandis que la série des « 79XX » (7905, 7909, 7912, etc.) est celle des régulateurs de tension négative. Les deux derniers chiffres représentent la tension de sortie ; par exemple, un 7805 est un régulateur +5 V tandis qu'un 7915G est un régulateur –15 V.
Selon la taille du boîtier et la possibilité d'y fixer un dissipateur, ils acceptent un courant plus ou moins important. Les régulateurs 7xLCxx (LC pour low consumption, faible consommation) sont réservés aux faibles puissances (à droite sur la photo ci-contre).
Les régulateurs de tension réglable
De principe similaire aux régulateurs à tension fixe, ces régulateurs peuvent fournir n'importe quelle tension régulée (à l'intérieur d'une plage spécifiée par le fabricant). Généralement, une ou deux résistances externes sont utilisées pour régler la tension de sortie. Les modèles les plus courants se trouvent dans la série des « 317 » « 337 ». Certains composants intègrent un potentiomètre dans ou à la surface de leur boîtier, il suffit d'un petit tournevis pour les régler.
Liens internes
Notes et références
- ↑ le courant traversant R1 est constant
- (en) Cet article est partiellement ou en totalité issu de l’article de Wikipédia en anglais intitulé « Linear regulator » (voir la liste des auteurs).
- Portail de l’électricité et de l’électronique