RC5 (chiffrement)

Chiffrement RC5
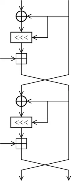
Description de l'image RC5 InfoBox Diagram.png.
Résumé
Concepteur(s) Ron Rivest
Première publication 1994
Dérivé de aucun
Chiffrement(s) basé(s) sur cet algorithme RC6
Caractéristiques
Taille(s) du bloc 32, 64 et 128 bits
Longueur(s) de la clé 40 à 2 040 bits (multiple de 8)
Structure rotations dépendantes des données
Nombre de tours 1-255 (12 conseillé originellement)

Meilleure cryptanalyse

-.

RC5 est un chiffrement par bloc, fonctionnant grâce à une clé, dont la longueur varie de 40 à 2 040 bits[1]. Il a été créé en 1994 par Ron Rivest pour la RSA Security. L'acronyme « RC » signifie « Ron's Code » ou « Rivest's Cipher ».

Il existe une variante RC5P qui utilise l'addition plutôt que XOR. Il existe une attaque basée sur la cryptanalyse Mod n pour RC5P.

RC6, basé sur RC5 fut candidat au concours pour devenir le standard actuel de chiffrement (AES).

Description

Contrairement à de nombreux algorithmes, RC5 possède une taille variable de bloc 32, 64 ou 128 bits), une clef allant de 40 à 2040 bits[1] et un nombre de tours de 0 à 255. Le chiffrement original suggère un choix de paramètres avec une taille de bloc de 64 bits, une clef de 128-bit et 12 tours.

Cryptanalyse

12-tours de RC5 (avec un bloc de 64-bit) est considéré comme vulnérable à une attaque différentielle utilisant 244 textes clairs[2]. 18–20 tours sont suggérés comme une protection suffisante.

Voir aussi

Références

  1. 1 2 (en) « Draft IETF IPSEC standard »
  2. Biryukov A. and Kushilevitz E. (1998). Improved Cryptanalysis of RC5. EUROCRYPT 1998.

Liens externes

  • icône décorative Portail de la cryptologie