Surtension
En électrocinétique, la surtension désigne le fait pour un élément particulier d'un dipôle électrique d'avoir à ses bornes une tension supérieure à celle aux bornes du dipôle complet. C'est le cas par exemple de la tension aux bornes d'un condensateur dans un dipôle RLC série en résonance.
D'autre part, un réseau électrique possède en général une tension normale : on parle aussi de tension nominale. En basse tension, cette tension nominale peut être par exemple de 230 V entre phase et neutre. En moyenne tension, celle-ci est normalisée à 20 kV (entre phases) et 11,5 kV (entre phase et terre). Le réseau peut se trouver accidentellement porté à une tension supérieure de sa tension nominale : on parle alors de surtension. Les surtensions sont une des causes possibles de défaillances d'équipements électriques ou électroniques, bien que ceux-ci soient de mieux en mieux protégés contre ce type d'incident.

Différents types de surtension dans les réseaux électriques
Il existe différents types de surtension[1] :
- Durée :
- Surtension permanente : d'une durée de plusieurs heures (l'effet Ferranti peut être une cause de surtension permanente).
- Surtension temporaire : d'une durée d'une ou de plusieurs secondes. Un court-circuit d'une des phases d'un réseau triphasé à la terre (défaut d'isolement d'un câble HT par exemple) peut produire une surtension temporaire sur les autres phases (phénomène non négligeable en haute tension). Les systèmes de régulation de tension des alternateurs peuvent aussi créer des surtensions temporaires lors de phénomènes transitoires. La ferrorésonance est une surtension transitoire ou temporaire.
- Événement :
- Surtension de manœuvre : liée à la manœuvre d'un disjoncteur ou d'un sectionneur, d'une durée de quelques dizaines microsecondes à quelques millisecondes. La manœuvre d'un sectionneur dans un poste électrique à isolation gazeuse engendre en particulier des surtensions à fronts très raides.
- Surtension de foudre : due au foudroiement d'une ligne électrique.
Surtension en électronique
L'origine des surtensions affectant les circuits électroniques est due principalement à l'interruption rapide du courant dans les circuits inductifs, en particulier au niveau des étages de puissance fonctionnant en commutation. Normalement ce type de surtension doit être maîtrisé dès la conception par différents moyens, tels que le choix des composants de puissance, la définition et la réalisation des éléments inductifs (inductance, transformateurs), la mise en place de composants limiteurs de surtension, l'implantation et le câblage, ainsi que par des choix judicieux concernant les domaines des stratégies de commande et des circuits associés.
En général, les défaillances des appareils électroniques liées aux surtensions résultent du non-respect d'un ou plusieurs de ces critères, voire des normes et recommandations en vigueur.
Les relais, interrupteurs, commutateurs sont aussi des générateurs de surtensions.
D'autres sources de surtension, venant principalement du réseau de distribution, peuvent perturber ou détruire les appareils électroniques. Il est nécessaire de s'en prémunir en disposant des filtres appropriés à l'entrée dite « secteur ». Cependant le dimensionnement de tels dispositifs n'assure pas toujours une protection intégrale. C'est pourquoi il est recommandé de raccorder au réseau les équipements sensibles : ordinateurs, périphériques, appareils coûteux ou indispensables, par l'intermédiaire de blocs de prises munis de protections antisurtensions et de parafoudre, ou mieux d'onduleurs. Solution ultime, débrancher du réseau électrique et des réseaux de communications, ces équipements lors d'orages.
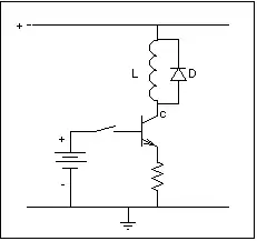
Exemple de protection contre les surtensions en électronique

La règle est que, pour éviter les surtensions, il faut protéger les circuits en prévoyant un chemin pour le courant de la bobine quand le circuit inductif s'interrompt. Dans le diagramme figure 1 on trouve l'exemple d'un transistor qui contrôle le courant dans une bobine (celle d'un relais, par exemple). Quand le transistor se bloque, l'énergie emmagasinée dans l'inductance fait que la tension à ses bornes s'inverse et que le courant qui circule charge les capacités parasites entre spires de la bobine. La tension appliquée entre collecteur et émetteur du transistor étant alors égale à la somme de la tension d'alimentation et celle aux bornes de la bobine, elle peut facilement dépasser la tension autorisée et le détruire. En plaçant une diode (D, dite diode de roue-libre), comme dans le diagramme, le courant trouvera un chemin au moment de la coupure et la tension sera limitée à la chute de tension de la diode à l'état passant. La difficulté fonctionnelle de cette protection est que le courant met plus longtemps à diminuer, ce qui, dans certains cas, peut être un inconvénient. On peut réduire ce temps en ajoutant en série, par exemple, une diode Zener ou une diode Transil.
Dispositifs pour se protéger des surtensions
En haute et basse tension, le dispositif le plus commun pour parer aux surtensions est le parafoudre. L'éclateur est un dispositif rudimentaire de limitation des surtensions.
En électronique on utilise : la diode Zener, la diode Transil, la diode Trisil, la varistance à oxyde métallique (Gemov, Siov), les circuits RC (résistance-condensateur), l'éclateur à gaz, etc.
Notes et références
- ↑ Informations lexicographiques et étymologiques de « surtension » (sens B) dans le Trésor de la langue française informatisé, sur le site du Centre national de ressources textuelles et lexicales
Annexes
Articles connexes
- Portail de la physique
- Portail de l’électricité et de l’électronique