Adaptateur d'antenne
Un adaptateur d’antenne appelé aussi « coupleur d’antenne » adapte l’impédance de sortie d’un émetteur ou récepteur, généralement normalisée à 50 ohms, à l’impédance d’une antenne radioélectrique non résonnante à la fréquence utilisée, par exemple un fouet vertical de longueur fixe. Les adaptateurs peuvent être manuels ou automatiquement adaptés à la fréquence.

Utilisation
.jpg.webp)
Une antenne HF mobile telle qu’utilisée en marine, aviation, radioamateurisme, service mobile terrestre ou communications militaires, est généralement un brin filaire vertical ou horizontal de quelques mètres. L’impédance d’une telle antenne varie de quelques ohms à 2 MHz à quelques milliers d’ohms à 30 MHz, avec une composante réactive variable.
Le coupleur d’antenne permet d’utiliser une telle antenne sur l’ensemble des fréquences HF.
Le coupleur d’antenne ne fait qu’adapter l’impédance et ne change pas la fréquence propre de résonance de l’antenne. Le rendement global est donc toujours inférieur à une antenne adaptée résonnant naturellement à la fréquence utilisée.
Le coupleur doit être placé de préférence entre la ligne et l’antenne et relié à une masse d’impédance très faible (véhicule, mer ou terre), les pertes sont alors limitées aux pertes internes du coupleur. Il peut aussi être placé entre l’émetteur et la ligne de transmission, mais dans ce cas les pertes dues aux ondes stationnaires dans la ligne peuvent dégrader encore le rendement, et éventuellement amener à des tensions élevées destructrices.
Adaptateurs à large bande
Dans le cas où l’impédance d’antenne est purement résistive, un circuit transformateur à large bande peut être utilisé. C’est le cas d’une antenne résonnant à la fréquence utilisée grâce à une inductance série, ou d’une antenne d’impédance naturelle élevée (boucle, trombone, etc.). Un tel transformateur est constitué de quelques spires bobinées sur un tore en ferrite. L’exemple ci-dessous est un autotransformateur comportant trois enroulements identiques, qui permet des rapports de 1:1, 1:4 ou 1:9 selon les connexions. Un tel circuit permet également d’étendre la plage d’adaptation d’un coupleur accordé.

Adaptateurs accordés fixes à lignes
L’adaptation entre deux impédances quelconques fixes peut se faire par des longueurs de coaxial en série ou parallèle.
L’exemple le plus simple est un coaxial en série de longueur électrique égale à un quart d’onde qui adapte deux impédances résistives : un quart d’onde de 75 Ω entre une impédance de 50 Ω (la ligne de transmission principale) et une antenne d’impédance de 112,5 Ω (l’antenne).
Les calculs de tels circuits s’effectuent facilement grâce à une abaque de Smith.
Principe général

Détails
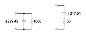
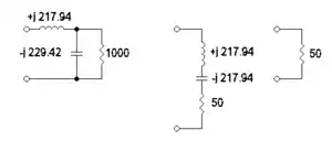
Un circuit parallèle comportant de résistance (1 000 Ω) et réactance (-j 229,415 Ω) a la même impédance qu’un circuit série de résistance (50 Ω) et réactance (-j 217,94 Ω).

En ajoutant un autre élément en série de réactance +j 217,94 Ω, l’impédance devient 50 Ω résistive.

Types de coupleurs
Circuit en PI
Le circuit en PI est l’ancêtre des adaptateurs d’impédance universel, appelé aussi circuit « Jones » ou « circuit Collins » en mémoire de ses inventeurs. Il est toujours utilisé en circuit de sortie des émetteurs HF à tubes, en raison de sa facilité de réalisation aux tensions élevées.

Circuit en T

Le circuit en T comporte trois éléments variables connectés en T, d’où son nom. Il peut être considéré comme le dual du circuit en PI : facile à réaliser aux impédances faibles, il est souvent utilisé pour adapter un émetteur à une ligne.
Circuit en Gamma
Ce circuit, appelé aussi SPC (en anglais : serial parallel capacitance), a l'avantage d'utiliser seulement deux réglages.

Réalisation pratique


Le réglage des éléments variables d'un coupleur s'effectue toujours par mesure des puissances directes et réfléchies en sortie de l'émetteur. Le réglage optimal est au maximum de puissance directe et minimum de puissance réfléchie. Ce réglage peut se faire manuellement, ou par des tables préétablies pour une antenne donnée, ou automatiquement. Les coupleurs automatiques entre antenne et ligne sont télécommandés par l'émetteur.
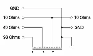
Les éléments variables peuvent être des inductances et condensateurs variables continûment par asservissements motorisés, ou par plots. Le schéma courant des coupleurs commerciaux automatiques comporte des séries d'éléments (L ou C) de valeurs pondérées commandées par des relais, approximant un réglage continu (photo ci-dessus).
Les composants d'un coupleur doivent être choisis avec un coefficient de qualité maximum pour minimiser les pertes résistives. De plus, ils sont soumis à des tensions et intensités élevées à haute fréquence : la tension de sortie d'un coupleur 100 W alimentant une antenne fouet non accordée peut atteindre plusieurs milliers de volts.
Notes et références
Voir aussi
Bibliographie
- The ARRL Antenna Book
- An introduction to Antenna Theory (BP198), H.C Wright, Bernard Babani, London, 1987.
- Reflections Transmission Lines and Antennas, M. Walter Maxwell, W2DU.
- The radio communication handbook (5th ed), RSGB, 1976, (ISBN 978-0-900612-58-9).
Articles connexes
- Adaptation d'impédance
- Bobine de charge
- Ligne quart d'onde
- Émetteur d'ondes radioélectriques
- (en) Cet article est partiellement ou en totalité issu de l’article de Wikipédia en anglais intitulé « Antenna tuner » (voir la liste des auteurs).
Liens externes
- Portail des télécommunications
- Portail de la physique
- Portail du monde maritime
- Portail de l’aéronautique