Circuit intégré 74185
Le circuit intégré 74185 fait partie de la série des circuits intégrés 7400 utilisant la technologie TTL. Ce circuit est un convertisseur binaire vers BCD (décimal codé binaire). La fonction logique qu'il réalise est purement combinatoire.

Le 74185 présente 5 entrées de données (A à E), 8 sorties de données à collecteur ouvert (Y1 à Y8) et une entrée d'invalidation des sorties (G).
Lorsque l'entrée G est portée à l'état haut, toutes les sorties du circuit sont forcées à l'état logique haut. S'agissant de sorties à collecteur ouvert, du point de vue électrique elles sont passées dans un état à haute impédance.
Les sorties Y7 et Y8 sont inutilisées (état à haute impédance), leur présence résultant de l'adoption du même brochage que celui des circuits 7488 (mémoire ROM) et 74184 (convertisseur BCD vers binaire).

Le 74185 sert typiquement à convertir un nombre binaire de 6 bits (valeur comprise entre 0 et 63) en un nombre décimal codé binaire (BCD) de deux chiffres de 4 bits. Le bit de poids faible reste inchangé dans cette conversion, et il n'est pas traité par le circuit, qui ne reçoit donc sur ses entrées que les 5 bits de poids fort du nombre binaire. Les sorties Y1 à Y3 produisent les 3 bits de poids fort du chiffre des unités et les sorties Y4 à Y6 produisent les 3 bits de poids faible du chiffre des dizaines.
D'un point de vue logique, le fonctionnement du circuit est équivalent à l'enchaînement de trois étapes élémentaires de l'algorithme Double dabble, dans lequel chaque étape consiste en un test (>4), une addition (+3) si le test est positif, et un décalage d'un bit vers les poids forts. En pratique, le circuit est réalisé à l'aide d'une mémoire ROM de 256 bits (32 octets) à adressage et sorties parallèles de type 7488 contenant les données binaires nécessaires.
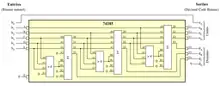
La combinaison de plusieurs circuits 74185 permet de réaliser la conversion de nombres binaires de plus de 6 bits. Par exemple, la conversion d'un nombre de 8 bits nécessite la mise en œuvre de trois boîtiers 74185.
Contrairement à la plupart des circuits TTL de la série 7400, le 74185 n'a pas été décliné en version CMOS (familles 74C00, 74HCT00, 74HC00 et dérivées).
Voir aussi
Liens externes
- Spécifications des circuits SN54/74184 et SN54/74185A (The TTL Data Book Vol. 2, Texas Instruments, 1985 - pages 3-731 et suivantes)
- Spécifications des circuits DM74184 et DM74185A (LS/S/TTL Databook, National Semiconductor, 1989 - pages 4-201 et suivantes)
- Portail de l’électricité et de l’électronique