Convertisseur Buck-Boost
Un convertisseur Buck-Boost est une alimentation à découpage qui convertit une tension continue en une autre tension continue de plus faible ou plus grande valeur mais de polarité inverse. Un inconvénient de ce convertisseur est que son interrupteur ne possède pas de borne reliée au zéro, compliquant ainsi sa commande.

Principe de fonctionnement


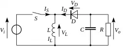
Le fonctionnement d'un convertisseur Buck-Boost peut être divisé en deux configurations suivant l'état de l'interrupteur S (voir figure 2) :
- Dans l'état passant, l'interrupteur S (voir figure 1) est fermé, conduisant ainsi à une augmentation de l'énergie stockée dans l'inductance.
- Dans l'état bloqué, l'interrupteur S est ouvert. L'inductance est reliée à la charge et à la capacité. Il en résulte un transfert de l'énergie accumulée dans l'inductance vers la capacité et la charge.
Comparé aux convertisseurs Buck et Boost, les principales différences sont:
- La tension de sortie est de polarité inverse de celle d'entrée
- La tension de sortie peut varier de 0 à (pour un convertisseur idéal).
Conduction continue

Quand un convertisseur Buck-Boost travaille en mode de conduction continue, le courant IL traversant l'inductance ne s'annule jamais. La figure 3 montre les formes d'ondes du courant et de la tension dans un convertisseur Boost.
La tension de sortie est calculée de la façon suivante (en considérant les composants comme parfaits):
Durant l'état passant, l'interrupteur S est fermé, entraînant l'augmentation du courant suivant la relation:
À la fin de l'état passant, le courant IL a augmenté de:
étant le rapport cyclique. Il représente la durée de la période T pendant laquelle l'interrupteur S conduit. est compris entre 0 (S ne conduit jamais) et 1 (S conduit tout le temps).
Pendant l'état bloqué, l'interrupteur S est ouvert, le courant traversant l'inductance circule à travers la charge. Si on considère une chute de tension nulle aux bornes de la diode et un condensateur suffisamment grand pour garder sa tension constante, l'évolution de IL est:
Par conséquent, la variation de IL durant l'état bloqué est:
Si on considère que le convertisseur est en régime permanent, l'énergie stockée dans chaque composant est la même au début et à la fin de chaque cycle de commutation. En particulier, l'énergie stockée dans l'inductance est donnée par :
En conséquence, le courant IL traversant l'inductance est le même au début et à la fin de chaque cycle de commutation. Ce qui peut s'écrire de la façon suivante :
En remplaçant et par leur expression, on obtient :
Ce qui peut se réécrire de la façon suivante :
Grâce à cette dernière expression, on peut voir que la tension de sortie est toujours négative (le rapport cyclique variant entre 0 et 1), que sa valeur absolue augmente avec , théoriquement jusqu'à l'infini lorsque approche 1. Si on omet la polarité, ce convertisseur est à la fois dévolteur (comme le convertisseur Buck) et survolteur (comme le convertisseur Boost). C'est pour cela qu'on le qualifie de Buck-Boost.
Conduction discontinue

Dans certains cas, la quantité d'énergie demandée par la charge est assez faible pour être transférée dans un temps plus court qu'une période de commutation. Dans ce cas, le courant traversant l'inductance s'annule pendant une partie de la période. La seule différence avec le principe de fonctionnement décrit précédemment, est que l'inductance est complètement déchargée en début de cycle (voir les formes d'ondes sur la figure 4). Bien que faible, la différence entre conduction continue et discontinue a un fort impact sur la formule de la tension de sortie. La tension de sortie peut être calculée de la façon suivante :
Comme le courant de l'inductance est nul en début de cycle, son maximum (a ) vaut :
Pendant l'état bloqué, IL s'annule après δ.T:
En utilisant les deux dernières équations, δ vaut:
Le courant dans la charge Io est égal au courant moyen traversant la diode (ID). Comme on peut le voir sur la figure 4, le courant traversant la diode est égal à celui dans l'inductance pendant l'état bloqué.
Par conséquent, le courant traversant la diode peut être écrit de la façon suivante :
En remplaçant ILmax et δ par leurs expressions respectives, on obtient :
Par conséquent, le gain de tension en sortie peut être écrit de la façon suivante :
Cette expression est bien plus complexe que celle obtenue lors de l'étude en conduction continue. En conduction discontinue, le gain en tension dépend du rapport cyclique mais aussi de la tension d'entrée, de la valeur de l'inductance et du courant de sortie.
Limite entre la conduction continue et discontinue

Comme expliqué dans le paragraphe précédent, le convertisseur fonctionne en conduction discontinue quand le courant demandé par la charge est faible, et il fonctionne en conduction continue pour les courants plus importants. La limite entre conduction continue et conduction discontinue est atteinte quand le courant dans l'inductance s'annule juste au moment de la commutation. Avec les notations de la figure 4, cela correspond à :
Dans ce cas, le courant de sortie Iolim (courant de sortie à la limite de la conduction continue et discontinue) est donné par la relation :
En remplaçant ILmax par son expression en conduction discontinue:
A la limite entre les deux modes de conduction, la tension de sortie obéit aux expressions des deux modes. On utilisera celle donnée pour le mode de conduction continue :
On peut donc réécrire Iolim de la façon suivante :
Introduisons deux nouvelles notations :
- La tension normalisée, définie par , qui correspond au gain en tension du convertisseur.
- Le courant normalisé, défini par . Le terme correspond à l'augmentation maximale de courant que l'on peut atteindre lors d'un cycle (variation du courant dans l'inductance atteinte pour ). On obtient donc, en régime permanent, égale 0 quand le courant de sortie est nul, et 1 pour le courant maximum que peut fournir le convertisseur.
En utilisant ces notations, on obtient :
- En conduction continue, ;
- En conduction discontinue, ;
- Le courant limite entre la conduction continue et discontinue est .
Par conséquent, la frontière entre conduction continue et discontinue est décrite par : .
Cette courbe a été tracée sur la figure 5. La différence de comportement entre conduction continue et discontinue est très nette. Cela peut engendrer des problèmes d'asservissement de la tension de sortie.
Cas du circuit non-idéal

L'étude précédente a été faite avec les hypothèses suivantes :
- Le condensateur de sortie a une capacité suffisante pour fournir une tension constante, au cours d'un cycle de fonctionnement, à la charge (une simple résistance)
- La chute de tension aux bornes de la diode est nulle
- Pas de pertes par commutation dans les semi-conducteurs
- Pas de pertes dans les composants d'une manière générale
Ces hypothèses peuvent être très éloignées de la réalité, les imperfections des composants réels pouvant avoir des effets importants sur le fonctionnement du convertisseur.
Prise en compte des résistances parasites
Dans l'étude précédente, la résistance interne des composants n'a pas été prise en compte. Cela signifie que toute la puissance est transmise sans perte de la source de tension vers la charge. Il existe cependant des résistances parasites dans tout le circuit à cause de la résistivité des matériaux utilisés pour sa construction. Par conséquent, une fraction de la puissance transmise par la source de tension est dissipée dans ces résistances parasites.
Pour des raisons de simplicité, on ne considèrera ici que les défauts de l'inductance en la modélisant par une inductance en série avec une résistance. Cette hypothèse est acceptable car une inductance est constituée d'un long fil qui peut donc présenter une résistance propre RL. De plus, le courant traverse la bobine dans les deux états du convertisseur (interrupteur passant et bloqué).
En utilisant la méthode de l'étude en valeur moyenne, on peut écrire :
Avec et les tensions moyennes, sur un cycle de fonctionnement, aux bornes respectivement de l'inductance et de l'interrupteur. Si on considère que le convertisseur est en régime permanent, le courant moyen à travers l'inductance est constant. La tension moyenne aux bornes de l'inductance devient donc :
Quand l'interrupteur est passant, VS=0. Quand il est bloqué, la diode devient passante donc VS=Vi-Vo. Par conséquent, la tension moyenne à travers l'interrupteur est :
Le courant de sortie est opposé à celui dans l'inductance durant l'état bloqué. Le courant moyen dans l'inductance s'écrit donc :
Si on considère les ondulations de tension et de courant en sortie comme négligeables, la charge peut être considérée comme purement résistive. Si on note R la résistance de la charge, l'expression précédente devient :
En utilisant les équations précédentes, la tension d'entrée s'écrit :
Cette expression peut se mettre sous la forme :
Si la résistance de l'inductance est nulle, on retrouve l'équation obtenue dans le cas idéal. Mais plus RL augmente, plus le gain en tension du convertisseur diminue par rapport au cas idéal. De plus l'influence de RL augmente avec le rapport cyclique (Voir figure 6).
Voir aussi
- Convertisseur Boost
- Convertisseur Buck
- Convertisseur Ćuk
- Convertisseur Flyback
- Convertisseur Forward
- Convertisseur SEPIC
- Portail de l’électricité et de l’électronique