EIA-485
EIA-485 (souvent appelée RS-485) est une norme qui définit les caractéristiques électriques de la couche physique d'une interface numérique sérielle. La transmission se fait sur une ligne électrique, en pratique une paire torsadée, par des variations de tension en mode différentiel.
Citons, entre autres avantages de l'implémentation de cette norme, l'établissement de réseaux filaires de communications numériques sur de longues distances et/ou en environnement électrique bruité (milieu industriel, etc.). De plus, la topologie réseau peut être de type point à point ou multipoints, le débit pouvant atteindre plusieurs Mbit/s, selon la longueur du bus (de 100 kbit/s sur ligne de 1200 m à 35 Mbit/s sur ligne de 10 m).
Portée de la norme
La norme RS-485 (EIA-485) ne spécifie que les caractéristiques électriques de l'émetteur et du récepteur (couche physique). Elle ne précise et ne recommande aucun protocole de communication. Pour les directives d'applications, il est recommandé de se référer au Telecommunications Systems Bulletin Le BST-89, qui comprend les taux de transfert de données par rapport à la longueur du câble, les dérivations de bus, et les configurations. D'autres normes définissent les protocoles de communication sur une liaison RS-485.
Le chapitre 4 de la norme RS485 définit les caractéristiques électriques du générateur (émetteur et récepteur). Ces caractéristiques comprennent: les impédances, les plages de tensions, des tensions en circuit ouvert, les seuils et les transitoires. Il définit également les trois points d'interface du générateur (lignes de signaux); «A», «B» et «C». Les données sont transmises sur "A" et "B". "C" est une référence de masse. Cette section définit également les états logiques 1 (off) et 0 (on), par la polarité entre les bornes A et B (différentiel de tension). Si A est négatif par rapport à B, l'état binaire est 1. L'inverse (A +, B-) est un 0 binaire.
Transmission multi-points

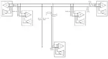
Tout comme la EIA-422, une ligne EIA-485 peut être en mode « full duplex », sur quatre fils, mais, en plus de cette dernière, elle supporte un mode « half duplex » sur 2 fils. Ceci signifie que les informations sérielles sont véhiculées sur une même ligne tantôt dans une direction, tantôt dans l'autre, grâce à un état électrique intermédiaire de la ligne nommé « idle ». Le passage d'un mode à l'autre (transmit/receive) est défini par les couches de protocole supérieures. La caractéristique maîtresse d'une ligne de transmission EIA-485, qui la distingue de EIA-422, est sa capacité à supporter un mode half duplex ou full duplex, avec jusqu'à 32 émetteurs (anglais : transmitters) et 32 récepteurs (anglais : receivers) sur une même ligne. EIA-485 a toutes les caractéristiques d'un bus informatique. Une ligne EIA-485 peut donc interconnecter plusieurs dispositifs, dotés chacun d'un émetteur et d'un récepteur. De la sorte, une communication peut s'établir entre n'importe quelle paire de ces dispositifs avec une remarquable économie de moyens (deux fils). Des distances maximales de l'ordre du kilomètre sont possibles, ceci est fonction des débits configurés.
L'expérience pratique montre néanmoins que si la longueur de ligne de transmission dépasse une dizaine de mètres, il est nécessaire, soit de raccorder ensemble les potentiels de référence (0 V) de tous les dispositifs (dans ce cas la liaison RS-485 nécessite donc en réalité trois fils), soit de prendre des mesures drastiques (opto-isolation, composants spécifiques) pour s'assurer que les tensions entre masses et terres ne soient pas destructrices. L'équipotentialité d'une ligne de référence de plusieurs centaines de mètres ne pouvant pas toujours être garantie, les industriels ont donc développé des solutions pour contrer ce problème, et régénérer une masse de référence locale en fonction des tensions présentes sur les deux lignes des signaux.
Gestionnaire de la norme
EIA-485 est une norme maintenue de nos jours par la TIA (Telecommunication Industry Association), alors qu'elle l'était jadis par la EIA (Electrical Industry Association), qui l'avait introduite sous le nom RS-485. On rencontre donc les dénominations équivalentes RS-485, EIA-485, EIA/TIA-485, TIA/EIA-485 et TIA-485. C'est en principe cette dernière qui devrait être retenue, mais l'usage a enraciné EIA-485.
Applications
De nombreux protocoles de communication dans le monde informatique et industriel sont basés sur EIA-485. Citons:
- Modbus
- OSDP, un protocole de communication entre équipements de contrôle d'accès physique promu par la SIA
- SSCP, un protocole de communication entre équipements de contrôle d'accès physique promu par la SPAC Alliance
- SCSI (SCSI-2 et SCSI-3)
- Profibus
- Nanoréseau
- DMX 512
- Portail de l’informatique
- Portail des télécommunications