Filtre ADSL
Un filtre ADSL est un dispositif électronique destiné à être installé sur une ligne d'abonné lorsqu'elle est utilisée simultanément pour les communications téléphoniques sur le réseau commuté ou sur le réseau numérique à intégration de services, et pour la transmission de signaux ADSL. Dans ce cas de figure, le filtre permet d'éviter que les divers équipements qui partagent l'accès à la ligne ne se perturbent mutuellement, par effet d'intermodulation ou de défaut d'adaptation en impédance.

Pour des raisons historiques et par abus de langage, le terme « filtre ADSL » est également employé pour désigner tout dispositif destiné à effectuer une séparation, dans le domaine fréquentiel, entre les signaux de la bande téléphonique et ceux de la bande utilisée par d'autres types de modulation de la famille xDSL, comme le VDSL2 par exemple.
Aspects techniques
Généralités
Lorsqu'une ligne téléphonique d'abonné (analogique ou RNIS) est partagée entre un équipement ADSL et des terminaux de téléphonie classique (téléphone, fax, etc.), la mise en œuvre d'un ou plusieurs filtres ADSL s'avère nécessaire pour éviter des perturbations entre ces différents équipements[1]. Sur le plan technique, un filtre ADSL est un dispositif d'interconnexion simple, qui intègre un filtre électrique de facture classique[2] dont la courbe de réponse en fréquence correspond à cet usage.
Principe de fonctionnement

Le filtre ADSL est un dispositif électronique muni de trois interfaces :
- une interface connectée à la ligne téléphonique de l'abonné ;
- une interface connectée à l'équipement ADSL de l'abonné (modem, routeur d'accès ou « box » ADSL);
- une interface connectée à l'équipement téléphonique (ou aux équipements téléphoniques) de l'abonné (poste téléphonique, télécopieur).
À l'intérieur du filtre, l'interface connectée à la ligne téléphonique est le plus souvent directement reliée à l'interface destinée à l'équipement ADSL[3]. En revanche, un filtre passe-bas est installé entre l'interface connectée à la ligne et l'interface destinée aux équipements téléphoniques de l'abonné[4]. Ce filtre passe-bas agit de deux manières :
- il atténue très fortement les signaux ADSL qui, en son absence, seraient transmis vers les équipements téléphoniques de l'abonné[5] ;
- quel que soit l'état en-ligne ou hors-ligne (« décroché » ou « raccroché ») de ces équipements téléphoniques, il présente une impédance très élevée aux fréquences utilisées par les signaux de l'ADSL[5].
Le filtre permet donc d'empêcher les signaux à haute fréquence qui sont échangés entre l'équipement ADSL local et son partenaire distant (DSLAM), et qui circulent sur la ligne téléphonique de l'abonné, d'atteindre ses équipements téléphoniques et d'en perturber les communications[6]. Il permet également de masquer l'impédance de ces équipements téléphoniques vis-à-vis de l'équipement ADSL, lequel pourrait sans cela être à son tour perturbé par cette impédance parasite connectée en parallèle à ses bornes[7].
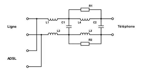
Schéma électrique d'un filtre ADSL simple
Les filtres ADSL les plus simples ne comportent que peu de composants, et ont un schéma électrique similaire à celui présenté ci-dessous[2] :

Gabarit d'un filtre ADSL simple
Dans un filtre ADSL simple, le filtre passe-bas installé entre l'interface de raccordement à la ligne d'abonné et l'interface destinée aux équipements téléphoniques a un gabarit similaire à celui présenté dans la figure ci-dessous (l'atténuation du filtre en fonction de la fréquence se situe dans la zone blanche comprise entre les zones grises inférieure et supérieure de la figure, le niveau 0 dB correspond à l'atténuation du filtre à la fréquence de 1 kHz, considérée comme valeur de référence)[8] :

Présentation
En France et dans les autres pays qui ont adopté les connecteurs téléphoniques en T, les filtres se présentent généralement sous la forme de prises gigognes, munies d'un connecteur additionnel au standard RJ11 pour la connexion de l'équipement ADSL[9]. D'autres modèles de filtres ADSL comportent trois embases similaires au format RJ11 ou RJ45[10]. Dans ce cas, l'une des embases est marquée « téléphone » et l'autre « ADSL » ou encore « modem ». En fonction du pays considéré et des standards qu'il a adopté pour le raccordement des terminaux téléphoniques, on rencontre également d'autres modèles de filtres plus ou moins spécifiques du réseau concerné.
- Différents filtres ADSL
Filtre ADSL en T connecté sur une embase murale.
Filtre ADSL avec connecteurs au standard RJ11.
Filtre ADSL du réseau espagnol Telefónica.
Filtre ADSL aux normes téléphoniques allemandes.
Aspect d'un filtre ADSL en T

Ce modèle de filtre est adapté dans les cas où l'installation téléphonique de l'abonné utilise des embases téléphoniques murales compatibles avec les prises en T. Les trois interfaces électriques de ce modèle sont matérialisées comme suit :
- un connecteur mâle à 6 ou 8 contacts pour le raccordement au réseau téléphonique par l'intermédiaire de l'embase téléphonique murale ;
- un connecteur femelle, également à 6 ou 8 contacts, situé à l'opposé du connecteur mâle, et qui est destiné au raccordement d'un éventuel équipement téléphonique ;
- une embase RJ11 en partie inférieure de la prise, qui reçoit le connecteur du câble d'accès au réseau de l'équipement ADSL.
Raccordement sur une ligne en dégroupage partiel

Sur une ligne exploitée en dégroupage partiel, le partage sans précaution de l'installation d'abonné entre un poste téléphonique (ou un télécopieur) et un équipement de communication ADSL (routeur, modem) peut perturber la synchronisation et la communication de ce dernier avec l'équipement distant (DSLAM)[5]. Pour éviter de telles perturbations, chaque équipement téléphonique raccordé à la ligne de l'abonné doit être connecté sur la prise murale par l'intermédiaire d'une fiche munie d'un filtre ADSL[11]. Lorsque l'installation téléphonique fait appel à des prises en T, la fiche qui contient le filtre doit être branchée en premier sur l'embase téléphonique murale[11]. L'équipement ADSL est raccordé au moyen d'un câble muni d'une fiche au standard RJ11 qui se connecte sur l'embase située en partie inférieure de la prise en T[11]. Lorsque l'abonné souhaite utiliser la même prise murale pour connecter également un équipement téléphonique (téléphone, fax, etc.), il doit brancher la prise en T de celui-ci sur l'embase femelle correspondante du filtre ADSL[11].

Un cas particulier concerne le raccordement d'un équipement ADSL isolé. On note en effet que le filtre proprement dit est situé entre l'interface de raccordement à la ligne de l'abonné et l'interface qui sert à connecter un éventuel équipement de téléphonie classique. De plus, la courbe de réponse en fréquence de ce filtre est telle qu'aux fréquences utilisées par l'ADSL, il peut être assimilé à un circuit ouvert[12]. Dans le cas particulier où un périphérique ADSL ne partage son filtre avec aucun autre appareil (téléphone, télécopieur, etc.), vu de cet équipement ADSL, il n'existe donc pas de différence électrique entre les deux modes de connexion ci-dessous, et on peut utiliser une fiche téléphonique classique, dépourvue de filtre, pour raccorder l'équipement ADSL à l'installation de l'abonné[13] :

À titre d'exemple, dans le cas d'un abonnement en dégroupage partiel, et d'un local muni de deux prises téléphoniques murales câblées en parallèle, où la première est utilisée pour le raccordement d'un poste téléphonique d'abonné, et la seconde pour le raccordement d'un routeur ADSL, le poste téléphonique doit impérativement être connecté à sa prise murale à travers une fiche munie d'un filtre ADSL, contrairement au routeur qui peut être connecté à sa propre prise murale par une fiche dépourvue de filtre, comme illustré dans l'image ci-après :

Enfin, dans les installations équipées de nombreuses embases téléphoniques murales, il est recommandé d'installer un filtre en tête (aussi appelé « filtre maître »), à l'endroit où la ligne se raccorde à l'installation de l'abonné[9],[11]. Ce type de filtre comporte généralement un bornier de raccordement à la ligne de l'abonné, un autre bornier réservé au câble qui alimente toutes les embases murales utilisées pour le raccordement des équipements téléphoniques, et une embase RJ11 destinée au câble de liaison à l'équipement ADSL[14].

Raccordement sur une ligne en dégroupage total
Dans le cas d'une ligne utilisée en dégroupage total, le seul système connecté à la ligne chez l'abonné est l'équipement ADSL (modem, routeur d'accès, « box », etc.). Il n'existe donc pas de problème de partage de la ligne physique entre plusieurs équipements de nature différente, et le filtre ADSL devient inutile[13]. On peut noter que dans la mesure où une ligne de ce type n'est raccordée qu'à un DSLAM au niveau du nœud de raccordement abonné (le « central téléphonique »), aucune communication ne peut être établie via un équipement téléphonique traditionnel (poste téléphonique d'abonné, télécopieur), qu'il soit connecté directement ou à travers un filtre ADSL sur la ligne. Dans le cadre d'un abonnement « dual play » ou « triple play » qui offre des services de téléphonie par Internet, un poste téléphonique d'abonné peut éventuellement être raccordé à un connecteur de l'équipement ADSL destiné à cet usage, et une communication de type voix sur Internet (VoIP) permet de fournir à l'abonné les mêmes services de téléphonie qu'un raccordement sur une ligne traditionnelle.
Normes et spécifications
Dans la mesure où ils sont destinés à assurer une cohabitation entre des équipements téléphoniques et des équipements xDSL, les caractéristiques des filtres ADSL sont indirectement déterminées par les spécifications de ces divers équipements. Parmi les recommandations éditées par l'Union internationale des télécommunications, la liste suivante comporte des spécifications qui sont prises en compte lors de la conception d'un filtre :
(liste non exhaustive)
Aspects commerciaux
Marché
Le marché des filtres ADSL est un marché mondial qui est étroitement lié à celui des périphériques xDSL (modems et routeurs). Il a donc naturellement suivi la croissance des accès à Internet à haut débit, basés sur des technologies de ce type, dont la commercialisation a débuté à la fin des années 1990 et dont la pénétration au niveau mondial a été multipliée par 8 entre 2000 et 2015[15]. À la fin de l'année 2015, l'estimation des accès Internet à haut débit sur support cuivre installés dans le monde s'élevait à environ 400 millions de lignes[16]. Ce type d'accès fait appel à un équipement de la famille xDSL, et un filtre ADSL fait partie des accessoires livrés avec chacun de ces terminaux. Le nombre de filtres ADSL qui a été commercialisé dépasse donc les 400 millions d'unités, ce qui en fait un produit de très grande diffusion.
Fabrication et commercialisation

Un filtre ADSL simple fonctionne dans le cadre d'un gabarit aux contraintes limitées[8], et ne comporte donc qu'un nombre réduit de composants électroniques[2]. À titre d'illustration, on compte sur le circuit imprimé de l'image ci-contre :
- quatre self-inductances (situées aux quatre coins du circuit),
- deux condensateurs électrolytiques (composants cylindriques aux deux coins supérieurs du circuit),
- un condensateur plastique (entre les deux self-inductances en partie inférieure du circuit),
- deux résistances (de part et d'autre du composant blanc),
- un fusible (le composant blanc au centre du circuit).
Ce sont tous des composants passifs, de type traversant (par opposition aux composants montés en surface), et le circuit imprimé de faibles dimensions sur lequel ils sont soudés est en bakélite, qui présente une qualité inférieure à celle d'une platine en résine epoxy[17]. Dans le cas d'un filtre en T, ce sous-ensemble électronique est inséré dans le pied du boîtier en plastique moulé d'une prise en T traditionnelle. L'ensemble du dispositif utilise des composants à faible coût, obéit à un jeu de tolérances limité, et peut donc être fabriqué en très grande série par une main-d'œuvre peu qualifiée. Comme la plupart des accessoires électroniques de grande diffusion et à faible valeur ajoutée, les filtres ADSL sont donc majoritairement fabriqués en Asie du Sud-Est, et principalement en République populaire de Chine[18]. Le coût de revient réduit qui en résulte permet de commercialiser un filtre ADSL auprès des particuliers à des prix unitaires compris entre quelques euros et quelques dizaines d'euros[19]. Parmi les sociétés chinoises dont la production inclut des filtres ADSL, les fabricants suivants sont des acteurs de premier plan, avec chacun un chiffre d'affaires annuel qui dépasse les 100 millions de dollars US[20] :
- Shenzhen Slinya Electronic Co., Ltd.
- Ningbo Gloryal Electronic Technology Co., Ltd.
- Shenzhen Dowdon Tech Co., Ltd.
- Shenzhen EDUP Electronics Technology Co., Ltd.
- Sinoslo Technology (Sip) Co., Ltd.
- Changzhou Hiyou Digital Electronic Co., Ltd
- Shanghai Pu Chun Electronics Co., Ltd.
- Full Strike (Shenzhen) Ltd.
- Guangdong Tianle Telecom Equipment Ltd.
- Elite Technology Co., Ltd.
- Hanrun Electronics Co.,Ltd.
- Changzhou No. 6 Radio Components Factory
- Nanjing Huamai Technology Co., Ltd.
Les filtres ADSL qui sortent des chaînes de production des fabricants chinois sont fréquemment commercialisés sous le nom d'un distributeur. À titre d'exemple, parmi la liste des premiers matériels agréés par France Telecom en 2004 pour la connexion sur le réseau téléphonique public, on note la présence d'un filtre ADSL référencé FR06B-GJ-ADSL de la marque Fantronic composants[21]. S'il est bien distribué par Fantronic, qui est une entreprise de droit français établie en Vendée[22], ce filtre est néanmoins fabriqué en Chine par la société General Jack Enterprise Ltd.[23], dont le siège se trouve à Taiwan et les moyens de production en Chine continentale[24].
Perspectives d'avenir
Dans la mesure où les technologies faisant appel à la fibre optique gagnent rapidement du terrain sur les technologies de la famille xDSL dans le monde entier[16], on doit s'attendre à un abandon progressif des équipements xDSL au profit d'équipements des familles FTTH et FTTB. Cette migration technologique va s'accompagner d'un rétrécissement du marché des filtres ADSL dans les mêmes proportions. Entre fin 2014 et fin 2015, le nombre d'accès à Internet à haut débit sur support cuivre est passé de 430 à 390 millions de lignes, soit une perte de l'ordre de dix pour cent[16]. Les documents de référence montrent également un net progrès des accès mobiles (téléphonie 4G et ses successeurs) par rapport aux accès fixes[25], ce qui est également de nature à accélérer l'obsolescence des équipements xDSL. Il est donc vraisemblable que le marché des filtres ADSL se tarisse presque totalement dans les dix années à venir.
Notes et références
- « Filtres ADSL : consignes d'installation : L'utilité d'un filtre », sur assistance.orange.fr, Orange.
- (en) Wintach WT-06 ADSL splitter datasheet : ADSL Splitter (For French), 16, YunMeiYuan, MeiHuaShanZhuang, Shenzhen, China, Wintach Electronics co., Ltd., , 2 p. (lire en ligne [PDF]), « Schematic ».
- (en) PTC 285 : Specification for Customer Premises VDSL2 Splitters, Wellington, New Zealand, Access Standards, Telecom New Zealand Limited, , 36 p. (lire en ligne [PDF]), chap. 2.4 (« Hi Pass Filter Option »)
- (en) ETSI TS 101 952-1-1 V1.1.1 : Access network xDSL transmission filters; Part 1: ADSL splitters for European deployment; Sub-part 1: Specification of the low pass part of ADSL/POTS splitters, 650 Route des Lucioles F-06921 Sophia Antipolis Cedex - France, ETSI, , 24 p. (lire en ligne [PDF]), chap. 4.1 (« Functional diagram »)
- (en) Andre Holley (Sparnex Instruments) (Éditeur), Peter Reusens (LAN) (Éditeur), Sarah Banks (Cisco) (Directrice des livres blancs), Vanessa Nacamura (Nokia Siemens Networks) (Directrice des livres blancs) et Michael Hanrahan (Huawei) (Éditeur en chef), MR-261 : Motivation for Testing xDSL Splitters and In-Line Filters, The Broadband Forum, , 17 p. (lire en ligne [PDF]), chap. 2.4 (« Multiplexing an xDSL System on a POTS cable carrying a POTS Signal »)
- Henri Lilen, Dictionnaire informatique et numérique 2e édition : Plus de 1 300 mots pour vous simplifier la vie en numérique (Dictionnaire), Paris, Éditions First, un département d'Édi8, , 2e éd. (1re éd. 2011), 175 p. (ISBN 978-2-7540-5846-9 et 978-2-7540-5960-2, présentation en ligne), Section « Filtre ADSL »
- (en) ETSI TS 101 952-1-1 V1.1.1 : Access network xDSL transmission filters; Part 1: ADSL splitters for European deployment; Sub-part 1: Specification of the low pass part of ADSL/POTS splitters, 650 Route des Lucioles F-06921 Sophia Antipolis Cedex - France, ETSI, , 24 p. (lire en ligne [PDF]), chap. 4 (« General functional description of ADSL/POTS splitters »)
- (en) Wintach WT-06 ADSL splitter datasheet : ADSL Splitter (For French), 16, YunMeiYuan, MeiHuaShanZhuang, Shenzhen, China, Wintach Electronics co., Ltd., , 2 p. (lire en ligne [PDF]), « Features ».
- « Filtres ADSL : consignes d'installation : Les différents filtres », sur assistance.orange.fr, Orange.
- GGM ADSLFRRJ : Filtre ADSL RJ45 Avec Adaptateur RJ11, 1 p. (lire en ligne [PDF]).
- « Filtres ADSL : consignes d'installation : Les consignes d'installation », sur assistance.orange.fr, Orange.
- Marie-Noëlle Sanz, Anne-Emmanuelle Badel et François Clausset, Physique tout-en-un MPSI : PCSI - PTSI : Le cours de référence (Cours), Paris, Dunod, , 3e éd. (1re éd. 2002), 1520 p. (présentation en ligne), chap. 6.1 (« Filtre passe-bas du deuxième ordre »)
- (en) « What does an ADSL Line Filter do », sur digitaltvhelp.com.au.
- (en) Andre Holley (Sparnex Instruments) (Éditeur), Peter Reusens (LAN) (Éditeur), Sarah Banks (Cisco) (Directrice des livres blancs), Vanessa Nacamura (Nokia Siemens Networks) (Directrice des livres blancs) et Michael Hanrahan (Huawei) (Éditeur en chef), MR-261 : Motivation for Testing xDSL Splitters and In-Line Filters, The Broadband Forum, , 17 p. (lire en ligne [PDF]), chap. 2.4.1 (« Single "Master" Splitter versus Multiple In-Line Filters »).
- (en) ICT Facts & Figures : The world in 2015, Genève, International Telecommunication Union, , 6 p. (lire en ligne [PDF]), « 15 years of ICT growth: what has been achieved? »
- (en) THE STATE OF BROADBAND 2016 : BROADBAND CATALYZING SUSTAINABLE DEVELOPMENT : September 2016, Broadband commission for sustainable development, , 106 p. (lire en ligne [PDF]), chap. 2.3 (« Next-Generation Networks in Fixed Broadband »)
- « Platines - matériaux de base - Votre sélection Platines - matériaux de base », sur conrad.fr.
- (en) « ADSL Pots Splitter Manufacturers and Supplies », sur allproducts.com.
- « Filtre ADSL - Recherche Google : Shopping », sur google.fr, Google.
- (en) « Adsl splitter Manufacturer & Factory, China », sur made-in-china.com.
- Spécifications Techniques d’Accès au Service : Service IP/ADSL, France Telecom, , 15 p. (lire en ligne [PDF]), chap. 5.7.2 (« Filtres distribués »).
- « FANTRONIC COMPOSANTS (LES ACHARDS) », sur societe.com.
- (en) « French_POTS ADSL Splitter With Less Than 50 Ohms DC Resistance FR06B-GJ-ADSL-FR »(Archive.org • Wikiwix • Archive.is • Google • Que faire ?), sur en.ofweek.com.
- « G-JACK About GJ-Company », sur g-jack.com.
- (en) THE STATE OF BROADBAND 2016 : BROADBAND CATALYZING SUSTAINABLE DEVELOPMENT : September 2016, Broadband commission for sustainable development, , 106 p. (lire en ligne [PDF]), chap. 2.1 (« Continuing Growth in Broadband »)
Voir aussi
Articles connexes
Liens externes
- Installation des filtres ADSL - Ybet.be
- (en) Norme ETSI EN 301 437 (raccordement des terminaux au réseau téléphonique commuté) - ETSI, juin 1999 [PDF]
- (en) Norme ETSI TBR 21 (caractéristiques requises pour le raccordement des terminaux au réseau téléphonique commuté) - ETSI, janvier 1998 [PDF]
- (en) Norme ETSI TS 101 952-1-1 V1.1.1 (2002-05) (Access network xDSL transmission filters; Part 1: ADSL splitters for European deployment) - ETSI, mai 2002 [PDF]
- Portail de l’électricité et de l’électronique
- Portail des télécommunications