Paul Oudin
Paul Oudin (Épinal, – Paris, [1]) est un médecin français.
Il est connu pour l'invention de la bobine Oudin. C'est un pionnier de l'utilisation des courants de hautes fréquences en médecine[2].
Travaux scientifiques
Paul Oudin est externe des hôpitaux en 1876 et docteur en médecine en 1880. Peu après, il collabore avec Arsène d'Arsonval tout en travaillant en étroite liaison avec Toussaint Barthélémy.
À partir de 1889, il étudie les effets de l'ozone, dont il pressent l'action contre la tuberculose et la coqueluche. Il développe un ozoneur. Il dépose de nombreux brevets d'inventions en partenariat avec Henri-Othon Kratz[3].
À partir de 1892, il s'intéresse aux phénomènes de résonance dans les circuits de haute fréquence. Il développe des résonateurs et étudie leur effet thérapeutique (névralgies, dermatologie, inflammations chroniques). Ses travaux mènent à l'invention du récepteur à galène (voir ci-dessous).
Un signe de la notoriété internationale de Paul Oudin : en , celui-ci est avec Arsène d'Arsonval, Toussaint Barthélémy et Henri Poincaré parmi les premiers destinataires français de la célèbre photo de Wilhelm Röntgen montrant une radiographie de la main de sa femme[4]. Il fait rapidement connaître les rayons X en France, dont il étudie les applications thérapeutiques. C'est grâce à Oudin et à Barthélémy que leur ami Antoine Béclère découvre le principe de la radioscopie dans l'été 1896. Immédiatement, Oudin et Béclère découvrent l'intérêt de cette nouvelle technique pour dépister la tuberculose[5]. Béclère dédicacera à Oudin et Barthélémy son ouvrage de 1899, Les Rayons de Rœntgen et le diagnostic de la tuberculose.
À partir de 1904, il s'intéresse aux effets thérapeutiques du radium.
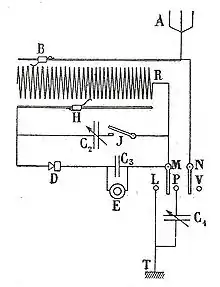
Récepteur à galène Oudin
Le récepteur Oudin inventé par Paul Oudin est un récepteur radio extrêmement simple, facile à construire, utilisable (sans pile électrique) par le grand public, d’une très haute fidélité sonore et d’une étonnante musicalité (comparé au récepteur moderne superhétérodyne), toute la puissance du circuit d'accord inductance-condensateur arrive a l'écouteur, d’une utilisation très simple, aussi peu coûteux que possible, destiné à la réception de la radiodiffusion des grandes ondes et des petites ondes, la réception nocturne des grands postes européens est possible (portée jusqu’à 1000 km si l'on dispose d'une antenne radioélectrique soutenue par un cerf-volant ou par un ballon à gaz).
Afin de permettre l'accord dans une plage de 30 kHz à 40 MHz (10000 mètres à 8 mètres). Une bobine de 100m (environ 1 kg) de fil émaillé 6/10 est enroulée sur un tube de 10 cm de diamètre et de 60 cm de long environ. Ces mesures n'ont rien d'absolu et peuvent varier dans certaines limites sans modification du résultat, elles sont fournies comme base sur des appareils en fonctionnement.
Références
- Acte de décès à Paris 16e, vue 11/31.
- Paul Marie Oudin sur Raconte-moi la radio.
- (en) « Paul Oudin and Henri Othon Kratz-Boussac: Instruments for performing medical examinations », US Patent, 14 juillet 1891.
- Henri Becquerel : Un polytechnicien dans l'histoire, par Jean-Louis Basdevant, La Jaune et la Rouge, juin-juillet 1997
- Antoine Béclère, Médecin, immunologiste, électroradiologiste français « Copie archivée » (version du sur Internet Archive)
- (en) Cet article est partiellement ou en totalité issu de l’article de Wikipédia en anglais intitulé « Paul Oudin » (voir la liste des auteurs).
Voir aussi
Liens externes
- Ressource relative à la santé :
- Ressource relative à la vie publique :
- Ressource relative aux beaux-arts :
- Notice, Base Léonore
- Portail de l’électricité et de l’électronique
- Portail de la médecine






