Procédé Kaldo
Le procédé Kaldo est un ancien procédé d'affinage utilisé en sidérurgie pour traiter la fonte brute phosphoreuse. Il s'agit d'un modèle particulier de convertisseur à l'oxygène pur, dans lequel le brassage du métal en fusion est assuré par la rotation de la cornue, à l'instar d'une bétonnière. Le nom « Kaldo » est un mot-valise, construit à partir du nom de son inventeur, le professeur Bo Kalling, et de l'usine qui, en 1948, a développé et industrialisé le procédé, la Domnarvets Jernverk.

Le convertisseur a été adapté à la métallurgie des métaux non-ferreux, où il est souvent appelé TBRC (pour Top Blown Rotary Converter[note 1]). Il y est un outil très polyvalent, autant pour la fusion de déchets riches en cuivre ou en métaux précieux, que pour l'affinage des mattes de cuivre, de nickel, d'étain ou de plomb.
En dépit de ses coûts en réfractaires élevés, le procédé Kaldo a été très populaire dans les années 1960 car il a été le premier convertisseur à l'oxygène à la fois capable d'affiner efficacement les fontes phosphoreuses, d'élaborer précisément une gamme étendue d'alliages et de recycler une grande quantité de ferrailles. Mais, dépassé quelques années après par les progrès du procédé LD, plus simple et plus compétitif, il disparaît en 1982, avec l'arrêt des deux Kaldo géants de l'aciérie de Gandrange (Moselle, France).
Dans l'élaboration des métaux non-ferreux, le TBRC a aussi failli disparaître, avant de redevenir, au début du XXIe siècle, un outil apprécié pour recycler les déchets d'équipements électriques et électroniques. Sa flexibilité correspond bien à la complexité des charges à traiter, ainsi qu'à des rythmes de production variables. Il est également l'outil le plus efficace pour l'extraction pyrométallurgique de métaux précieux présents dans des sous-produits d'usines métallurgiques.
Histoire
Contexte : mise au point du convertisseur à l'oxygène

Envisagée dès 1856 par Henry Bessemer[1], l'utilisation d'oxygène pur au lieu d'air serait une amélioration logique des convertisseurs Bessemer et Thomas. En effet :
- 78 % de l'air est composé d'azote qui n'a aucun rôle utile dans l'affinage de la fonte. Injecter inutilement de l'azote représente une perte thermique, à peine compensée par le bilan exothermique des réactions chimiques : « chaque m3 d'azote sortant du convertisseur emporte sensiblement la chaleur nécessaire à la fusion d'un peu plus d'un kilogramme de ferraille[2] » ;
- la basse teneur de l'air en oxygène limite la vitesse des réactions chimiques ; le soufflage dure plus longtemps parce qu'on ne peut pas augmenter le débit d'air sans risquer un débordement ;
- l'azote se dissout dans l'acier liquide et une fraction y reste quand l'acier se solidifie. Or l'azote est un élément fragilisant pour l'acier alors qu'une bonne ductilité est essentielle à de nombreuses applications, notamment la construction automobile qui recherche des aciers faciles à emboutir[3], avec des teneurs en azote inférieures à 50 ppm, inaccessibles avec le procédé Thomas[4].
En 1895, l'ingénieur allemand Carl von Linde réussit la liquéfaction de l'air. Indépendamment, le physicien et chimiste français Georges Claude met en service le un procédé industriel de liquéfaction de l'air. Leurs brevets permettent la production industrielle, et surtout économique, de grandes quantités d'oxygène liquide : l'affinage à l'oxygène imaginé par Bessemer devient réalisable[2]. Mais le remplacement simple de l'air par de l'oxygène pur présente des difficultés considérables. Notamment, la réaction de l'oxygène pur avec la fonte mène à des températures de 2 500 à 2 700 °C : dans ces conditions, sans refroidissement des tuyères, le fond d'un convertisseur est détruit en quelques heures[5].

En 1949, le métallurgiste suisse Robert Durrer et l'ingénieur autrichien Theodor Eduard Suess trouvent une solution satisfaisante : ils mettent au point, à l'aciérie Vöest à Linz (Autriche), le soufflage d'oxygène au moyen d'une lance pénétrant verticalement dans la cornue. L'invention apparaît vite comme une technologie de rupture : six mois après le premier essai, le prototype s'avère plus économique que les meilleurs convertisseurs classiques ! En effet, il combine l'avantage des convertisseurs Martin — l'absence d'azote dans l'acier — avec la productivité des convertisseurs Bessemer et Thomas — une conversion rapide et sans combustible —. Plus efficaces et donc moins nombreux que leurs équivalents à l'air, les nouveaux convertisseurs LD (pour Linz et Donawitz) ne demandent qu'un investissement environ deux tiers, et des coûts d'exploitation limités à 55 % de ceux d'une usine traditionnelle de capacité comparable[6].
Dans le convertisseur LD, le brassage est assuré par la remontée de bulles de monoxyde de carbone (CO) produites par la décarburation de la fonte. Mais ce mouvement, efficace en début de soufflage, tend à ralentir lorsque la concentration du carbone dissous passe en dessous de 0,1 %, et le brassage avec le laitier diminue corrélativement. Or, l'oxydation du phosphore ne se produit qu'après le départ de tout le carbone, et la capture de l'oxyde P2O5 nécessite un brassage énergique avec la chaux du laitier. L'histoire se répète : comme jadis le convertisseur de Bessemer, le procédé LD révolutionne la sidérurgie mais se révèle inadapté à l'affinage des fontes phosphoreuses en raison de la température élevée produite par l'oxydation du phosphore et de l'endommagement prématuré des réfractaires[2].
Enfin, les convertisseurs à l'oxygène pur génèrent d'énormes quantités de fumées rousses, chargées en oxyde de fer. Le dépoussiérage de ces fumées est incontournable. Ces fumées, riches en monoxyde de carbone (CO), deviennent alors un gaz combustible, le gaz de convertisseur. Mais avant le premier choc pétrolier de 1973, l'énergie est bon marché et le coût d'investissement du système de dépoussiérage pénalise le procédé LD[3].
Développement du convertisseur rotatif
Depuis les années 1940, en Suède, la Domnarvets Jernverk mène d'actives recherches pour mettre au point un procédé à l'oxygène pur capable de traiter les fontes phosphoreuses. En effet, la fonte brute traitée par l'aciérie de Domnarvet contenant de 1,8 à 2 % de phosphore, l'efficacité de la déphosphoration est incontournable[7]. Jusqu'ici, dans un pays où le minerai de fer est bien plus abondant que les ferrailles, le moyen le plus pertinent pour traiter ce type de fonte est le convertisseur Thomas. Mais l'injection d'oxygène dans le convertisseur amène une destruction rapide des réfractaires. Bien qu'en 1940, à Oberhausen (Allemagne), l'ingénieur Otto Lellep parvient à décarburer de la fonte avec de l'oxygène pur, il ne parvient pas à la déphosphorer : avec l'oxygène pur, l'oxydation du phosphore est trop exothermique pour le fond du convertisseur[5].
Pour dépasser 40 % d'oxygène, il faut des diluants plus efficaces que l'azote, et surtout moins nocifs vis-à-vis des propriétés de l'acier car l'azote fragilise l'acier. L'aciérie de Domnarvet adopte alors le dioxyde de carbone (CO2) dont le craquage à haute température, endothermique, permet de refroidir sensiblement le réfractaire. En 1947-1949, en fin de soufflage, les convertisseurs Thomas de Domnarvet soufflent ainsi un mélange gazeux contenant jusqu'à 58 % d'oxygène[8].

Mais mélanger l'oxygène avec un refroidissant n'est pas une solution satisfaisante. Pour injecter de l'oxygène pur, il faut momentanément[note 2] renoncer au soufflage par le fond, et assurer le brassage du métal par un autre moyen. Dans ce contexte, la rotation du convertisseur s'impose comme une des rares configurations techniquement réaliste et compatible avec une injection d'oxygène par une lance[5].
Les essais d'un convertisseur rotatif commencent à Domnarvet en 1948[9] avec un prototype d'une capacité interne de 3 tonnes, puis un pilote de 15 tonnes. Le premier démonstrateur industriel, de 30 tonnes, est construit en 1954 et est opérationnel en 1956[10].
Ce convertisseur est appelé « Kaldo », un mot-valise construit à partir du nom de son inventeur, le professeur Bo Kalling, et de l'usine qui a développé et industrialisé le procédé, la Domnarvets Jernverk. Il se révèle être un succès technique. La possibilité de jouer sur la vitesse de rotation et l'inclinaison de la lance apporte une flexibilité unique. Notamment, grâce à la rotation, le monoxyde de carbone produit par la décarburation de la fonte n'a plus à assurer le brassage du bain et l'injection d'oxygène peut être moins violente. L'oxygène (O2), qui se répand alors dans la cornue, brûle le monoxyde de carbone (CO) en dioxyde de carbone (CO2), apportant ainsi un supplément de chaleur servant avantageusement à refondre des ferrailles. Le gaz brûlé n'ayant plus de potentiel comme combustible, il n'est plus récupéré et son traitement se limite à son dépoussiérage. Cette simplification compense, en partie, la complexité mécanique due à la rotation[10].
Adoption du procédé
Les sidérurgistes lorrains, dont le minerai local, la minette, est riche en phosphore (apatite, phosphate de calcium), s'intéressent de près au procédé. Convaincus par la nécessité de passer au convertisseur à l'oxygène, ils sont, en 1960, à l'origine du deuxième convertisseur Kaldo. Celui-ci, installé à l'usine sidérurgique de Florange, représente un saut capacitaire notable par rapport à son aîné : il peut affiner 110 tonnes de fonte phosphoreuse[2]. Il s'agit aussi du plus gros convertisseur à l'oxygène pur présent en Lorraine. Sa capacité est par la suite progressivement augmentée jusqu'à 140 tonnes[11].
Dans les années suivantes, le procédé est systématiquement évalué comme une alternative au procédé LD et à ses dérivés. Dès 1965, 10 usines utilisent le procédé Kaldo, en France, Suède, États-Unis, Japon et surtout au Royaume-Uni. Les capacités des nouveaux convertisseurs se situent entre 50 et 140 tonnes[12]. Mais l'avenir du procédé semble déjà compromis : dès 1967, le métallurgiste James Albert Allen estime qu'avec « une plus grande consommation de capitaux, des problèmes techniques et une consommation en réfractaire plus élevée, il apparaît plutôt douteux qu'il puisse rivaliser efficacement avec les procédés LD, LD-AC ou leurs évolutions[13]. »
| Procédé Martin-Siemens (référence) | Procédé Kaldo | Procédé LD | |
|---|---|---|---|
| Coût d'investissement (convertisseurs seuls) |
100 | 58 | 50 |
| Coût de fonctionnement | 100 | 72,5 | 56,4 |
En effet, au début des années 1960, des variantes du procédé LD capables de traiter les fontes phosphoreuses sont mises au point : le procédé LD-AC, qui consiste à injecter de la chaux en poudre en la mélangeant avec l'oxygène démontre la flexibilité du soufflage par le haut[3]. D'autres variantes sont ensuite développées sur ce principe : LBE (Lance Bubbling Equilibrium), LD-Pompey, OLP (Oxygen Lime Powder), etc.. Cependant, le procédé LD perd beaucoup de son intérêt dès qu'on l'emploie à l'affinage des fontes phosphoreuses[2]. Surtout, tous ces procédés mettent en œuvre des réactions chimiques très rapides. Dans les années qui suivent leur apparition, les convertisseurs LD et leurs dérivés sont exclus de l'élaboration d'aciers de qualité[15]. L'apparition de la coulée continue, qui exige un excellent contrôle de la température de l'acier en fusion, nécessite aussi un bon contrôle de l'affinage[16].
C'est ainsi que, en 1969, « D'autres derviches métallurgiques devaient succéder […], notamment les deux Kaldo de 240 tonnes de Sacilor à Gandrange »[2]. Ces énormes engins de 1 500 tonnes[17] qui tournent à 30 tours par minute sont deux fois plus gros que le plus gros Kaldo construit. Mais deux ans plus tard, deux convertisseurs OLP de 240 tonnes sont mis en service dans la même aciérie alors que le troisième Kaldo prévu est annulé. La course à la taille, censée favoriser les économies d'échelle, a tué le procédé au lieu de le sauver : la limite technologique est atteinte, les coûts augmentent avec les dimensions alors que c'est l'inverse qui était escompté[18].
Versée de la fonte en fusion dans un Kaldo de 130 tonnes.
Kaldo en rotation.
L'aciérie de Gandrange, fermée en 2009. Les derniers et les plus gros Kaldo sidérurgiques du monde y ont été exploités de 1969 à 1982[11].
Adaptation aux métaux non-ferreux
En 1958, soit deux ans après la mise en service industrielle du premier Kaldo sidérurgique de 30 tonnes à Domnarvet, l'entreprise canadienne Inco commence à évaluer la déclinaison de ce procédé à la métallurgie extractive du nickel. Elle envoie quelques ingénieurs en Suède pour explorer la conversion à l'oxygène pur de la matte de nickel avec le prototype originel de 3 tonnes. Tous leurs essais ayant réussi, Inco construit un convertisseur expérimental de 7 tonnes dans son centre de recherche de Port Colborne[19]. En Europe, une démarche similaire est entreprise par un producteur belge de cuivre, la Metallo-Chimique, qui construit un four Kaldo dans les années 1960[20]. Le procédé est un succès et elle brevète en 1970 le recyclage de cuivre par ce moyen[21] lorsqu'elle participe à la création de Chemetco[22], une entreprise américaine qui met en service cette année-là un Kaldo de 70 tonnes de capacité[23].
Si la Metallo-Chimique semble la première entreprise à utiliser industriellement un Kaldo[note 3] pour l'affinage des métaux non-ferreux, c'est Inco qui, par la mise en service en 1971 de deux convertisseurs de 50 tonnes à Copper Cliff (Ontario), lance véritablement l'utilisation du Kaldo dans la production des non-ferreux. Cette adaptation est renommée TBRC (pour Top Blown Rotary Converter[note 1]). Elle structure la stratégie d'Inco et s'avère un succès : en 1979, ces deux convertisseurs ont déjà élaboré un million de tonnes de nickel[19],[note 4]. 45 ans après leur mise en service, ceux-ci produisent encore[24].
Très semblables aux Kaldo, les convertisseurs TBRC intègrent le fait que l'oxydation des mattes étant beaucoup moins exothermique que l'oxydation de la fonte[note 5], la lance à oxygène doit être remplacée par un brûleur oxygène-gaz naturel[27]. L'aptitude des convertisseurs TBRC à réaliser successivement la fusion et l'oxydation d'une charge métallique est immédiatement explorée par Inco dans son convertisseur expérimental de Port Colborne. Cet outil de recherche confirme les avantages de l'affinage à l'oxygène dans la métallurgie extractive du cuivre, et positionne le TBRC comme un outil capable de traiter n'importe quelle matte cuivreuse complexe[19]. Mais l'affinage avec le TBRC reste un procédé lent et coûteux : l'utiliser pour la production de cuivre obtenu à partir de minerai est un luxe. Le convertisseur rotatif ne se justifie que lorsqu'il s'agit de traiter des minerais très complexes, ou de recycler des déchets riches en métaux précieux[28],[29].
En 1976, l'entreprise suédoise Boliden AB met en service dans son usine de Rönnskär le premier TBRC produisant du plomb. L'extraction de ce métal nécessite une étape supplémentaire consistant en une réduction, qui se déroule après la fusion et l'oxydation de la charge[30]. Cette réduction est obtenue en brûlant un combustible riche en carbone (coke de pétrole, poussier de coke, etc.) dans le convertisseur, de manière à y créer une atmosphère réductrice riche en CO tout en apportant de la chaleur[27],[29]. Initialement dédié à l'extraction du plomb contenu dans les poussières issues de la production de cuivre, le TBRC de Boliden devient en 1980 un outil polyvalent, recyclant soit des déchets électroniques contenant du cuivre, soit des déchets riches en plomb[30].
En 1978, la fonderie d'étain de Texas City met en service un TBRC entièrement dédié à la fusion réductrice de minerais concentrés de cassitérite (SnO2). Tout comme pour le plomb, il s'agit de réaliser une oxycombustion qui apportera la chaleur et les gaz réducteurs nécessaires à la désoxydation du dioxyde d'étain. À la fin de la fusion réductrice, l'étain métallique est coulé. Mais les scories restant dans le convertisseur contiennent encore une quantité non négligeable d'étain combiné avec du fer[31]. La méthode d'extraction de cet étain scorifié, mise au point en 1974 par la Metallo-Chimique[20], consiste en une addition de soufre (soufre pur ou pyrite) qui se combine à l'étain pour donner du sulfure d'étain(IV) (SnS2), volatil à haute température. Ce sulfure est alors capté par le système de dépoussiérage de la cornue, afin d'être retransformé en étain[31].
Le procédé
Le convertisseur

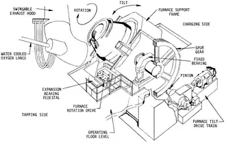
Le convertisseur est conçu comme une bétonnière. En fonctionnement, il est légèrement incliné par rapport à l'horizontale et tourne à environ 30 tr/min. La rotation assure un bon mélange, et accélère les réactions chimiques ; mais elle augmente considérablement les coûts de construction comme d'entretien[3]. Par contre, l'agitation de bain étant moins violente que dans le procédé LD, le laitier mousse peu et il est alors plus facile de suivre l'évolution de l'affinage[10].
L'autre originalité du procédé réside dans l'utilisation partielle de l'oxygène par le bain pour l'affinage proprement dit. L'oxygène excédentaire est consommé par la combustion du CO en CO2 dans l'enceinte du four. La chaleur produite par cette combustion est absorbée par les réfractaires, qui la restituent au métal lorsque le mouvement de rotation les met en contact. Ainsi, les réfractaires, outre leur sollicitation mécanique due à la rotation, subissent un cycle thermique extrêmement sévère puisque c'est le métal en fusion qui les refroidit[10],[32]!
La vitesse de rotation est variable selon les phases du soufflage. Elle dépasse rarement 30 tr/min. Le convertisseur peut également s'incliner dans toutes les positions. Pendant le soufflage, l'inclinaison se situe entre 16° et 20° par rapport à l'horizontale. De même, la lance à oxygène, refroidie à l'eau, est inclinée entre 20° et 37° par rapport à l'horizontale. Elle est souvent animée d'un mouvement oscillant[note 6]. Les fumées, chaudes, sont évacuées par une hotte refroidie qui vient se plaquer contre le bec du convertisseur. Cette hotte est conçue de manière à permettre le passage de la lance à oxygène ainsi que la jetée d'additions dans la cornue[10].
L'émulsion du laitier étant assez limitée, les Kaldo sont plus petits que les convertisseurs LD de capacité identique. On compte en général un volume interne de 0,5 m3/tacier, contre 0,75 m3/tacier pour les convertisseurs LD, sachant que les fontes riches en phosphore nécessitent un laitier abondant, qui occupe l'espace au détriment du métal[10].
Le revêtement réfractaire peut être celui mis au point par Thomas, c'est-à-dire de la dolomie cuite avec du goudron. Mais ce revêtement, quoique bon marché, ne permet pas d'élaborer plus d'une soixantaine de charges[9],[10] : les briques en magnésie sont généralement nécessaires pour permettre une production sans interruption. En effet, étant donnée la courte durée de vie du revêtement réfractaire, un minimum de deux convertisseurs est nécessaire : pendant qu'un convertisseur est en maçonnage, l'autre est opérationnel. Quand le convertisseur est de petite taille, la cornue est amovible et un pont roulant la transporte vers un atelier de maçonnage[10]. Pour les gros Kaldo sidérurgiques, l'entretien des mécanismes devient critique et il devient préférable d'avoir deux convertisseurs complets, les outils nécessaires étant amenés sur le convertisseur en réfection[33].
Les convertisseurs à l'oxygène pur ne peuvent pas fonctionner sans une unité de traitement des gaz chauds, mais le Kaldo ne nécessite qu'un petit dépoussiérage classique. En effet, les convertisseurs à l'oxygène produisent un gaz riche en monoxyde de carbone (CO), chaud et chargé en poussières, qui doit être soigneusement aspiré et dépoussiéré. En comparaison, le Kaldo produit des volumes réduits de fumées essentiellement constituées de poussières, de CO2 et d'une faible quantité de CO[33].
Dans la métallurgie des non-ferreux, en particulier celle concernant le recyclage de déchets ou le traitement de métaux lourds, les Kaldo-TBRC sont installés dans des enceintes closes en légère dépression[28].
Déroulement d'un soufflage
Le principe général de l'affinage est identique à tous les convertisseurs : il s'agit d'une oxydation des éléments indésirables comme le carbone, le silicium, le phosphore, etc.[10]
La chaux et les ferrailles sont enfournées en premier, puis la fonte en fusion. On limite la quantité de ferrailles pour éviter que la fonte ne se solidifie complètement sur la masse de ferrailles. Le reste de ferrailles, qui peut atteindre la moitié de la quantité totale, est enfourné au plus tôt 10 minutes après le début du soufflage[10].

Le soufflage commence immédiatement après la mise en place de la hotte, et atteint son maximum au bout de quelques minutes. La vitesse de rotation est également maximale, soit environ 30 tr/min. Le métal liquide fortement agité retombe en pluie dans l'atmosphère oxydante du convertisseur, ce qui favorise sa décarburation. De même, les réactions avec le laitier sont accélérées par l'augmentation de la surface de réaction : combinée avec le milieu oxydant, cette configuration permet de commencer la déphosphoration immédiatement[10],[note 7].
20 minutes après le début de soufflage, toutes les ferrailles sont refondues. Le débit d'oxygène est alors réduit de moitié, la rotation est ralentie entre 10 et 12 tr/min. La lance souffle au ras du bain : l'objectif est d'oxyder au maximum la charge pour continuer la déphosphoration. Mais le laitier, dont la basicité est maintenue, voire renforcée, par des additions de chaux (CaO), s'enrichit en FeO : il devient alors de plus en plus visqueux, jusqu'à former un garni isolant à l'intérieur du convertisseur. Le métal ne peut plus recevoir de chaleur du réfractaire, tandis que les pertes en fer augmentent[10].
Par conséquent, il est nécessaire de vidanger le laitier tant que celui-ci est encore fluide et pauvre en oxyde de fer (FeO). Mais la déphosphoration nécessite une certaine quantité de laitier. Avec une addition de chaux, on recrée donc une faible quantité de laitier, mais celui-ci est pur et fortement basique[10].
Pendant la déphosphoration, le convertisseur tourne de plus en plus lentement, entre 6 et 8 tr/min. Le laitier, très visqueux, devient progressivement une croûte solide. À la fin du soufflage, on perce cette croûte, et le métal est vidangé tandis que le laitier reste dans le convertisseur[10].
À la coulée suivante, ce laitier, riche en chaux (CaO), en FeO et en autres oxydes, réagit avec la fonte[10] :
- l'oxyde de fer (FeO) est réduit par le carbone de la fonte : il y a production de monoxyde de carbone et le laitier restitue le fer ;
- le silicium de la fonte est oxydé en silice (SiO2) : le laitier perd son caractère ultra-basique et redevient fluide.
La chaleur produite par la combustion du CO en CO2 est le triple de celle dégagée par la formation du CO par oxydation partielle du carbone de la fonte. La combustion totale du carbone apporte 25 121 kJ/kg et, avec une gestion appropriée de la lance, il est possible d'oxyder 90 % du carbone de la fonte[33].
Performances
Contrairement aux procédés anciens (Bessemer, Martin-Siemens ou Thomas) dopés avec l'adjonction d'oxygène qui conservent de strictes impositions sur la qualité de la fonte traitée, le procédé Kaldo est capable d'affiner n'importe quel type de fonte. La charge peut être composée de 25 %[4] à 45 % de ferrailles[38]. En outre, il est théoriquement possible de favoriser la déphosphoration indépendamment de la décarburation, en orientant le jet d'oxygène à l'interface métal-laitier afin de favoriser les réactions entre ces deux liquides[39] :
| Réaction chimique | Vitesse de rotation | Vitesse du jet d'oxygène | Hauteur de la lance | Angle lance/bain |
|---|---|---|---|---|
| Désilication | rapide | faible | — | — |
| Décarburation | rapide | élevée | bas | pénétrant |
| Déphosphoration | lent | faible | haut | rasant |
| Combustion du CO | rapide | — | — | rasant |
Le transfert de chaleur se fait de gaz à liquide, ce qui explique des durées d'affinage plus importante que les dérivés du procédé LD, où peu d'échanges de chaleur ont lieu[33] : 70 minutes contre 40 pour une charge de convertisseur LD[2]. Dans les années 1960, le principal procédé concurrent du Kaldo est le procédé LD-AC. Un critère de choix du LD-AC au détriment du Kaldo est la rapidité d'affinage : ainsi, les usines habituées au procédé Thomas (comme la Stewarts & Lloyds (au Royaume-Uni) ont souvent préféré les dérivés du procédé LD, alors que celles qui exploitent le procédé Martin-Siemens (comme la Park Gate, au Royaume-Uni), privilégiant la qualité à la productivité, ont préféré le Kaldo[40]. Enfin, d'autres, comme les aciéries de Consett (Royaume-Uni) et de Gandrange, en Moselle, considérant les deux procédés comme complémentaires, ont investi dans les deux procédés :
« Deux points de vue se sont dégagés, un moderne, radicalement orienté coût, et une approche plus conservatrice de l'aciériste traditionnel rompu à l'affinage au convertisseur Martin, […] ce dernier point de vue prônant en général le procédé Kaldo. Ce n'était pas, comme cela pourrait apparaître, un simple préjugé ou un conservatisme abruti, mais plutôt la prise en compte d'une réflexion avant-gardiste sur l'évolution des produits sidérurgiques et leur commercialisation. […]
Rétrospectivement, cette décision pourrait bien être jugée comme un gaspillage de capital, mais, indubitablement, la problématique était alors moins claire qu'elle l'apparut par la suite[15]. »
— James A. Allen, Studies in Innovation in the Steel and Chemical Industries
L'usure du réfractaire reste le gros inconvénient du Kaldo : à Gandrange, 425 m3 de réfractaires sont consommés en 160 coulées (une semaine de production), contre 250 coulées à la même époque pour un convertisseur OLP[41]. En 1978, les réfractaires de l'OLP tiennent 400 coulées, ceux du LD 600 coulées, alors que ceux du Kaldo n'ont pas du tout progressé[32].
| Référence | Kaldo Dolomie-goudron |
Kaldo Briques magnésiennes |
OLP Briques magnésiennes |
LD[note 8] Briques magnésiennes |
|---|---|---|---|---|
| Domnavert (1963)[33] | 85 | 272 | — | — |
| Gandrange (1969)[32] | — | 160 | 250 | — |
| Gandrange (1974)[32] | — | 160 | 400 | 600 |
Un convertisseur Kaldo coûte 50 % plus cher qu'un convertisseur LD de capacité interne identique. L'usure des réfractaires est 30 à 50 % plus rapide : les maçonnages qui immobilisent le convertisseur limitent sa production annuelle à 50 – 60 % de celle d'un convertisseur LD de capacité identique[43]. Et si on prend en compte les plus longues durées de soufflage, la capacité annuelle passe sous les 50 %[2].
Élaboration des aciers inoxydables
Le procédé Kaldo a eu une brève descendance dans l'élaboration des aciers inoxydables, avec le procédé Kaldo-Réacteur (ou Kaldo-Vac[44]) mis au point à partir de 1955 par Ugine à son usine d'Aiguebelle[2]. En effet, la production d’aciers inoxydables présente des particularités qui correspondent au procédé : volumes de production limités, métallurgie exigeante et à haute température (plus de 1 700 °C). Il suffit de terminer l’affinage oxydant en raccordant la cornue à un générateur de vide, afin de décarburer sans oxyder le chrome, jusqu’aux très basses teneurs en carbone requises par les aciers inoxydables[44]. La combinaison entre ce convertisseur et l'installation de vide a abouti à un outil aussi original que performant :
« Cet appareil était un pur fruit de la culture uginoise, un vrai délire d'ingénieur : exploité en Kaldo durant la première partie du soufflage, la bétonnière était ensuite arrêtée et mise en position verticale ; une cloche à vide venait alors se clamper sur le bec afin de provoquer une décarburation sous vide. Le savoir-faire d'Ugine avait su faire porter la durée de la campagne d'un garnissage à 1 000 coulées[2]. »
— Olivier C. A. Bisanti, Un siècle d'oxygène en sidérurgie
En 1971, l'entreprise Ugine met en service un convertisseur de 70 tonnes dans l'usine de L'Ardoise (Gard)[2]. Ugine avait également projeté une installation identique à Fos-sur-Mer, pour élargir à la production d'acier inoxydable son usine démarrée en 1973 et dédiée principalement aux aciers à roulements. Mais la crise qui sinistre la métallurgie à partir du milieu des années 1970 a raison du projet[44]. La généralisation du procédé AOD marginalise ensuite le Kaldo-réacteur[45]: en 1982, l'usine de Moûtiers (Savoie) ferme, victime de sa faible taille et de son obsolescence[46], et l'usine de L'Ardoise s'équipe d'un convertisseur AOD[44] de 110 tonnes destiné à remplacer son Kaldo-réacteur qui s'arrête en 1984[47].
Utilisation dans la métallurgie des non-ferreux
La différence essentielle entre l'affinage de la fonte par le Kaldo, et le traitement des métaux non-ferreux par le TBRC (Top Blown Rotary Converter) réside en l'utilisation fréquente d'un brûleur oxy-fuel en lieu et place de la lance oxygène[48]. Alors que la lance à oxygène ne permet d'obtenir qu'une oxydation exothermique, le brûleur permet, outre la fusion de métal, d'entretenir des réactions endothermiques. Mais surtout, des réactions de réduction deviennent possibles, élargissant l'utilisation du TBRC à l'affinage de presque tous les métaux.
La diversité des procédés envisageables (oxydants, réducteurs, avec ou sans scories, exothermiques, etc.) fait qu'il n'existe pas, à proprement parler, de « procédé TBRC », mais un outil, le convertisseur rotatif, dans lequel un très grand nombre de réactions sont possibles, notamment parce que le brassage du contenu est indépendant de la réaction en cours. Ainsi, l'utilisation du TBRC s'apparente à celle d'un four à réverbère dont les échanges sont améliorés par l'agitation du bain[39].

Traitement du cuivre
L’utilisation du TBRC pour la fusion des minerais concentrés de sulfures de nickel (pentlandite) et de cuivre (chalcopyrite) a été mise au point dans les années 1960 par Inco. Le procédé consiste généralement en trois étapes : la fusion du concentré, l'oxydation de la matte puis sa réduction en métal[27].
La fusion du minerai peut être réalisée dans un TBRC dédié. Après la phase de chargement du minerai, la charge est portée à fusion (soit 1 350 °C[27]) par une lance brûlant du gaz naturel et de l’oxygène. Le convertisseur est incliné de 15° à 18° mais la rotation ne commence qu’après la formation d’un bain de matte liquide. Du minerai concentré et des fondants sont alors ajoutés continuellement jusqu’à ce que la quantité désirée ait été enfournée[48].
Le soufflage d’oxygène pur est destiné à évacuer le soufre sous la forme de dioxyde de soufre (SO2). L’oxydation exothermique des sulfures prolonge la chauffe sans apport de combustible, même si une partie du potentiel thermique a été déjà consommée lors de la phase précédente de fusion (dans le cas où la fusion a été menée de manière oxydante, c’est-à-dire avec un excès d’oxygène)[48]. À la fin de cette phase, le convertisseur tourne de 10 à 25 tr/min et la température du bain atteint 1 600 °C. Les fortes températures mises en œuvre nécessitent l’emploi d’un revêtement réfractaire en briques de chrome-magnésite. Malgré leurs performances, ces briques subissent une usure considérable : pour éviter que la scorie ne dissolve rapidement le réfractaire, on la sature en magnésie et on diminue la température de coulée[27]. Le résultat de cette fusion est une matte blanche, qui ne contient presque plus de fer, mais reste riche en soufre[48].
La dernière phase de réduction est obtenue par du coke de pétrole[27]. Elle peut être réalisée dans un second TBRC dédié, le premier TBRC recyclant les scories qui se sont enrichies en oxydes de cuivre. Dans ce cas, elle sert essentiellement à récupérer les métaux précieux (or, argent, platinoïdes) contenus dans le minerai[48].

Cependant, l’extraction de cuivre primaire, c'est-à-dire à partir de minerai concentré, avec un TBRC a été abandonnée dans les années 1970-1980, au profit du soufflage par le fond (procédé Manhès-David avec un convertisseur Peirce-Smith), plus productif[27],[29]. À partir des années 1990, Inco réserve le TBRC à la toute dernière étape d’affinage pyrométallurgique, après une flottation sélective du « blister de cuivre-nickel ». L’étape de fusion est en effet dorénavant réalisée par une fusion flash et l’oxydation est assurée par un convertisseur Peirce-Smith. Comme pour la sidérurgie, l’utilisation de plusieurs outils spécialisés s'est révélée plus adaptée à la production de masse qu'un unique outil polyvalent[19]. Les coûts d’exploitation élevés ont également condamné cette utilisation :
« Les convertisseurs rotatifs à soufflage par le haut (TBRC) ont été aussi utilisés dans le passé pour l'extraction du cuivre primaire. Ils ne sont plus utilisés pour l'extraction primaire, essentiellement à cause des coûts d'exploitation élevés, mais ce type de four est utilisé pour l'extraction secondaire[28]. »
— G. Cusano et al., Best Available Techniques (BAT) Reference Document for the Non-Ferrous Metals Industries
En effet, le TBRC est un four idéal pour le recyclage de déchets cuivreux, qui brûlent très bien dans le four rotatif. Il est possible de constituer une charge composée à 25 % de mélanges cuivreux lors d'un fonctionnement à l'oxygène pur, ou de n'utiliser que des déchets en brûlant du fioul et de l'oxygène avec la lance[29]. Par ailleurs, ces déchets peuvent être de nature très variable, avec une teneur en cuivre descendant jusqu'à 10 %[49].
Les scories issues du recyclage du cuivre sont chargées en métaux lourds mais un petit TBRC dédié s'avère capable d'en récupérer le plomb et l'étain. Ainsi, un alliage plomb-étain peut être obtenu comme sous-produit du recyclage du cuivre[28],[31]. Dans ce petit TBRC, le plomb et l’étain sont extraits des scories par une réduction, en présence de ferrailles et de cannettes étamées. L'alliage est affiné ensuite dans d'autres outils dédiés qui ôtent le cuivre, le nickel et le fer[28].
Traitement du nickel
Étant données les similitudes entre la métallurgie extractive du nickel et celle du cuivre, les procédés mis au point pour l’extraction du nickel sont comparables à l'extraction de cuivre à partir de minerai concentré[48]. Le TBRC oxyde la matte de nickel, qui est généralement riche en cuivre, afin d'en retirer le soufre et le fer. Le retrait du fer prépare l'étape suivante d'extraction du nickel par carbonylation (procédé Mond)[50].
Comme pour l'extraction de cuivre, l'utilisation d'un TBRC pour le nickel est une alternative au procédé Manhès-David et au procédé Ausmelt/Isasmelt. Mais sa capacité à effectuer une réduction lui permet de traiter plus efficacement des minerais complexes et d'extraire le métal des scories[51].
Traitement du plomb
L'extraction du plomb, industrialisée par l'entreprise suédoise Boliden AB en 1976 dans son usine de Rönnskär, consiste en trois étapes : la fusion, l'oxydation puis la réduction[30].
La fusion est oxydante. Suivant la nature de la charge, elle peut se faire de deux manières :
- pour la fusion de minerai concentré (à 72 %[52]), l'oxydation des minerais sulfurés avec l'oxygène apporté par la lance (air à 60 % d'O2[52]) est suffisante pour obtenir la fusion de la matte sans apport de combustible[29] ;
- pour le recyclage de déchets, une lance oxygène-gaz naturel chauffe la charge jusqu'à 1 050 °C[53].
L'oxydation du plomb, qui suit la fusion, prolonge cette chauffe car elle est exothermique. Le but de cette étape est d'oxyder un maximum d'impuretés. Dans le cas de la fusion de minerai concentré, il s'agit du soufre qui est évacué sous forme gazeuse (SO2). Les scories s'enrichissent en plomb, jusqu'à contenir 30 % de plomb sous forme de litharge (PbO)[29]. Dans le cas du recyclage de déchets, de l’oxygène pur est soufflé jusqu'à ce que le bain atteigne une température de 1 350 °C[53].
Après cette phase oxydante, qui élimine partiellement les impuretés, on termine dans le même four par une phase de réduction. Elle consiste à brûler[note 9] du poussier de coke de pétrole avec un déficit d'oxygène afin de produire le monoxyde de carbone chaud qui est le gaz réducteur[29]. La carboréduction transforme l'oxyde de plomb des scories en plomb métallique, qui retourne dans le bain de métal en fusion[53].
Malgré la consommation de 40 kg de coke et 30 L de fioul par tonne de plomb[28], ainsi que l'électricité nécessaire à la production d'oxygène, le TBRC est plus économe en énergie que les chauffes nécessaires aux procédés alternatifs[52]. Mais ce procédé n’est pas compatible avec de grandes capacités de production. Il est cependant flexible et peut traiter des matériaux très divers (batteries, déchets riches en métaux, etc.)[53].
Traitement de l'étain
L'utilisation du TBRC à la métallurgie extractive de l'étain, mise au point en 1974 par la Metallo-Chimique[20], consiste à extraire l'étain en deux étapes : une fusion réductrice de concentré de cassitérite (SnO2) permet tout d'abord d'obtenir de l'étain métallique en fusion, puis dans une seconde étape, une sulfuration permet de former du sulfure d'étain (SnS) gazeux, qui est capté par le système de traitement des fumées[31].
La lance brûle d'abord du combustible (mazout ou gaz) avec de l'oxygène pur, déficitaire vis-à-vis de la stœchiométrie afin d'obtenir une atmosphère réductrice. Après l'achèvement de cette phase de fusion réductrice du minerai concentré, l'étain métallique brut, qui s'est rassemblé au fond du convertisseur, est coulé[31].
La scorie restant dans le four est traitée par plusieurs additions de pyrite (FeS2), tout en augmentant la vitesse de rotation et en maintenant un rapport O2/gaz naturel à 1,5/1 (de façon à maintenir l'atmosphère réductrice). L'étain de la scorie se combine alors au soufre pour former du sulfure d'étain. Ce composé, qui se volatilise au-delà de 1 180 °C, est expulsé hors du four par un jet d'air qui remplace le jet d'oxygène[note 10]. La vitesse de rotation est également accrue jusqu’à ce que la scorie ne contienne plus qu'une teneur en étain négligeable (jusqu'à moins de 0,1 % en masse)[31].
À la fonderie d'étain de Texas City, aux États-Unis, l'adoption du TBRC à l'extraction de l'étain en 1978 a permis de passer d'un procédé complexe combinant plusieurs fours, à une seule opération dans un TBRC tournant à grande vitesse[56]. Réunir toutes les opérations dans un seul outil a notamment simplifié la mise en conformité environnementale de l'usine[55].
Traitement des métaux précieux
L'extraction des métaux précieux, notamment ceux du groupe du platine, se caractérise par les faibles quantités de produits à traiter, notamment dans les étapes finales. Dans ce contexte, certains procédés ne sont pas adaptés : l'affinage des mattes concentrées en éléments précieux, obtenues lors du traitements de minerais sulfurés de nickel et de cuivre ne peut pas être fait classiquement dans un convertisseur Peirce-Smith car son soufflage sous le bain impose de mettre en œuvre une quantité minimale (plusieurs tonnes) de produit. Le TBRC est alors utilisé car, même miniaturisé, il reste efficace : la raffinerie de platine d'Acton opère ainsi un TBRC de 0,25 m3 tournant à 2 tr/min[50].
Les faibles quantités condamnent également les procédés continus. Le TBRC étant capable de refondre des lots de produits, il est systématiquement utilisé comme outil de fusion. Après un affinage pyrométallurgique, généralement oxydant et souvent suivi d'une réduction, il prépare la matte pour l'étape suivante de séparation des éléments par lixiviation[50].
Les TBRC sont adaptés au traitement d'une grande variété de produits contenant des métaux précieux : les précipités de Merrill-Crowe, les croûtes de zinc issues de la désargentisation du plomb, les boues d'anodes issues de l’affinage électrolytique du plomb et du cuivre, des déchets électroniques, des chutes et des déchets de pellicules photographiques[57], des cendres, des poussières, des boues[28]… Dans tous ces usages, ils ont remplacé les fours à réverbères traditionnellement utilisés, à cause de leur plus grande efficacité et productivité[57].
La valeur, la complexité et les volumes traités impliquent des méthodes de travail particulières. Par exemple, l'usine métallurgique de Rönnskär, en Suède, dont un des 3 TBRC qu'elle opère est dédié à la récupération des métaux précieux, isole cette activité dans une unité distincte[58].
Autres métallurgies

Le TBRC est un outil adapté au traitement des crasses d'aluminium[59]. Les procédés les plus courants consistent à refondre[note 11] à environ 800 °C dans un four rotatif les particules d'aluminium retirées des crasses de fonderie, les variantes consistant essentiellement à limiter l'oxydation du métal pendant cette fusion par l'amélioration de la méthode de chauffe (oxycombustion, arc électrique, torche à plasma…) ou par la protection du bain par une couche de sel fondu[60]. Pour cette application, cependant, le TRF (Tilting Rotary Furnace), un four similaire au TBRC mais doté d'un mécanisme de basculement plus simple et d'angle limité, est un choix industriellement plus économique[62].
Le TBRC peut être également utilisé pour extraire des éléments par vaporisation. Le traitement des fumées permet de récupérer les poussières émises après condensation des vapeurs : le sélénium est, par exemple, efficacement récupéré par cette méthode[28].
Usines construites
Sidérurgie
| Nombre de fours | Emplacement | Propriétaire à la mise en service |
Capacité unitaire (t) | Date de mise en service | Date d’arrêt | Remarques |
|---|---|---|---|---|---|---|
| 1 | Domnarvets Jernverk (Suède) | Stora Kopparbergs Bergslags AB | 30 | 1956[12],[10] | 1974[66] | Démonstrateur industriel. Transformé en OBM[note 2] de 35 t en 1974[66]. |
| 1 | Aciérie de Florange (France) | Sollac | 110[2] porté à 140[11] | 1960 | 1980 | Arrêté avec l'aciérie Thomas/Martin, au moment de la mise en service de 2 convertisseurs LWS[note 2] de 240 tonnes[11]. |
| 2 | Oxelösunds Järnverks (Suède) | Gränges AB | 130 | 1961[12] | 1977[67] | En 1967, 2 Kaldo supplémentaires sont annoncés[68], mais un seul LD-LBE de 170 t à cornue remplaçable[67] remplace les 2 Kaldo en 1977[69]. |
| 2 | Roemer Works (États-Unis) | Sharon Steel Corporation | 140 porté à 150[70] | 1962[12] | 1980[71] | Durée de vie du garnissage de 220 t[39] : 120 coulées. Charge constituée de fonte non phosphoreuse[33] et de 50 % de ferrailles. Projet pour un 3e Kaldo en 1964[72]. Installation d'un LD de 150 tonnes en 1977, puis d'un deuxième en 1980, qui remplacent les Kaldo[71]. Mais les 2 Kaldo sont « virtuellement supplantés » par un seul convertisseur LD dès 1977[73]. |
| 2 | Park Gate Works (Grande-Bretagne) | Tube Investments | 75 porté à 80[12] | 1964 | 1975[74] | Premiers Kaldo britanniques[38]. |
| 2 | Aciérie de Consett (Grande-Bretagne) | Consett Iron Company | 100 porté à 120[75] | 1964[12] | 1968-1971[76] | Aciérie équipée de 2 convertisseurs LD (et non pas LD-AC) et 2 Kaldo, tous de 100 tonnes de capacité. 2 Kaldo supplémentaires étaient prévus[77] mais n'ont jamais été construits. En 1966, la production Kaldo est devenue marginale[78], les minerais à bas phosphore devenant bon marché tandis que les performances du LD s'améliorent. En 1968, un Kaldo est transformé en troisième LD de 150 tonnes et, en 1971, le dernier Kaldo est transformé de la même manière[76]. |
| 2 | Shelton Bar (Grande-Bretagne) | John Summers & Sons | 50 porté à 55[79] | 1964[12] | 1978[79] | Construction associée à celle d'une coulée continue de blooms[79]. |
| 1 | Norrbottens Järnverk (Suède) | Norrbottens Järnverk AB | 70 | 1964[12] | 1974[69] | En 1971, décision de remplacer l'aciérie Kaldo par une aciérie LD et des coulées continues afin de retrouver la rentabilité[80]. L'investissement a permis l'abandon de la filière Kaldo[69]. |
| 1 | Stanton Ironworks (Grande-Bretagne) | Staveley Coal and Iron Company | 70 | 1965[12] | 1967[37] | Four destiné à la déphosphoration de fonte avant coulée par centrifugation[35]. Ce procédé unique[36] a été bien mis en œuvre[81], mais a été probablement un échec car le démantèlement du four est entrepris 2 ans après[37]. |
| 1 | La Providence de Marchienne (Belgique) | Forges de la Providence | 35[82] | 1965[10] | 1980[83] | Convertisseur LD-Kaldo, qui a été également utilisé comme outil de recherche. Seul le soufflage final déphosphorant est réalisé en mode Kaldo[84]. La combinaison des deux procédés permet de ménager les réfractaires tout en conservant les performances métallurgiques du Kaldo. Mais la disparition de la première phase de combustion du CO pénalise le recyclage des ferrailles[10]. |
| 2 | Domnarvets Jernverk (Suède) | Stora Kopparbergs Bergslags AB | 80 porté à 100[85] | 1965[12],[86] | 1981[87] | Ces fours pouvaient réaliser une réduction directe du minerai de fer et une fusion. Le procédé, nommé Dored, n'a jamais atteint le stade industriel[88]. Le remplacement des Kaldo par des LD est évoqué dès le début des années 1970[69]. |
| 2 | Aciérie de Gandrange (France) | Sacilor | 240 | 1969 | 1982[11] | Durée de vie du garnissage : 160 coulées. Plus grands convertisseurs Kaldo jamais mis en service[41]. Arrêtés après la modernisation des 2 convertisseurs OLP construits en 1971 dans la même aciérie[11]. |
Aciers inoyydables
| Nombre de fours | Emplacement | Propriétaire à la mise en service |
Capacité unitaire (t) | Date de mise en service | Date d’arrêt | Remarques |
|---|---|---|---|---|---|---|
| 1 | Moûtiers (France) | PUK | 2,5 | 1966[45] | 1982[46] | Industrialisation de la décarburation de ferrochrome jusqu'à 0,1 % C. Outil essentiellement utilisé pour la mise au point du procédé[45]. |
| 1 | L'Ardoise (France) | PUK | 70 porté à 120[89] | 1971 | 1984 | Exploité de 1971 à 1984 pour l'affinage de fonte au chrome en ferrochrome[47]. Passe à 110 t en 1974 (puis 120 t[89]) grâce à un procédé limitant l'agitation du bain pendant la phase de vide[90],[note 13]. |
| 1 | L'Ardoise (France) | PUK | 6 | 1971 | 1984[92] | Décarburation du ferrochrome de 4-6 % C à 2-4 % C[47]. En 1978, déclassé pour devenir un outil d'essais[93]. |
Métaux non-ferreux
| Nombre de fours | Emplacement | Propriétaire à la mise en service |
Capacité unitaire (t ou m3[note 14]) |
Date de mise en service | Date d’arrêt | Remarques |
|---|---|---|---|---|---|---|
| 1 | Beerse (Belgique) | Metallo-Chimique | 70 t de cuivre | années 1960[note 3] | Recyclage de déchets cuivreux. Production d'un cuivre noir pur à 98 %, ou d'un alliage cuivre-nickel à 10 % de nickel[94]. | |
| 1 | Chouteau Township (États-Unis) | Chemetco | 70 t de cuivre | 1970[23] | 2001[95] | Recyclage de déchets cuivreux, procédé développé par la Metallo-Chimique[22]. Usine fermée pour cause de pollution aquatique[95]. |
| 2 | Copper Cliff (Canada) | Inco | 20 m3 50 t de nickel[19] | 1971[19] | 2002[96] | Premiers convertisseurs industriels Kaldo dédiés à la métallurgie des non-ferreux et nommés TBRC par Inco. Ils sont dédiés à l'affinage de mattes de nickel[19]. |
| 2 | Tennant Creek (Australie) | Peko Wallsend | 25 t | 1973[97] | 1975[98] | Conversion de minerai cuivreux contenant du bismuth[97]. |
| 2 | Beerse (Belgique) | Metallo-Chimique | 13 m3 70 t de cuivre | 1974[20] | Traitement du laitier riche en étain, en plomb, en cuivre et en nickel, issu du recyclage du cuivre dans le premier TBRC[94],[99]. | |
| 1 | Beerse (Belgique) | Metallo-Chimique | 10 t de plomb-étain | 1974[20] | Recyclage de déchets ou d'oxydes de plomb et d'étain[94]. | |
| 1 | Rönnskärsverken (Suède) | Boliden AB | 13 m3 90 t de plomb[29] | 1976 | Premier Kaldo au monde affinant de la matte de plomb. Initialement dédié au traitement des poussières issues de la production de cuivre, puis est devenu un outil polyvalent, recyclant déchets de cuivre et de plomb[30]. | |
| 3 | Soroako (Indonésie) | Inco | 20 m3 | 1977[100] | 1987-1988 | Conversion d'une matte à 32 % de nickel en ferronickel. 2 Kaldo remplacés par 2 convertisseurs Peirce-Smith, le 3e étant stoppé[100]. |
| 1 | Rönnskärsverken (Suède) | Boliden AB | 13 m3 | 1978 | 1989 | Production de mattes riche en cuivre (60-65 % Cu) à partir de minerai concentré. Arrêté par manque de disponibilité de minerai[29]. Revendu et redémarré en Inde en 2002[101]. |
| 1 | Mine d'Afton-Ajax (Canada) | Teck Mining | 20 m3[102] 45 t de cuivre[103] | 1978[98] | 1983[103] | Fusion directe de concentrés de cuivre en blister. Four identique à ceux d'Inco, Copper Cliff[102]. |
| 1 | Tex-Tin (États-Unis) | Gulf Chemical and Metallurgical Company | NC | 1978 | 1991[56] | Fusion de concentrés d'étain et réduction des scories d'étain[31]. Abandonné en 1989 par pénurie de minerais concentrés importés compétitifs, et reconverti dans le traitement du cuivre. Arrêt définitif en 1991 à la suite de l'effondrement du convertisseur[56]. |
| 3[104] | Chouteau Township (États-Unis) | Chemetco | 13 m3 70 t de cuivre[105] | 1981-1982[105] | 2001 | Recyclage de déchets cuivreux riches à 50 %, ainsi que la récupération d'étain. Usine fermée pour cause de pollution aquatique[95]. Convertisseurs identiques aux 2 Kaldo de 70 tonnes de la Metallo-Chimique[99]. |
| 1 | Zanjan (Iran) | National Iranian Lead and Zinc | 13 m3[106] | 1983[106] | 2013[107] | Coupellation de mattes de plomb[106],[108]. Usine fermée à la mi-2013 pour des raisons environnementales[107]. |
| 1 | Columbus (États-Unis) | Stillwater Mining | 7 m3[109],[note 15] 5 t de matte[111] | 1990[110] | Fusion d'une matte riche en platinoïdes et oxydation pour obtenir un métal blanc contenant 75 % Cu+Ni et 2,5 % de métaux précieux[110]. | |
| 1 | Marghera (Italie) | SIMAR SpA | NC | 1992[112] | 2000 | Affinage de cuivre. Fermé par manque de déchets cuivreux disponibles[113] ; tentative de relance en 2010[112]. |
| 1 | Bharuch (Inde) | SWIL | 13 m3[101] 90 t de cuivre[114] | 2002[113],[101] | Produit en 12 heures une matte riche à environ 70 % de cuivre à partir de déchets cuivreux. Il s'agit du convertisseur de Boliden AB arrêté en 1989 et relocalisé en Inde[101]. Arrêté de 2009[115] à 2017[116]. | |
| 1 | Western Mining (Chine) | Qinghai Xiyu Nonferrous | 13 m3[117] | 2010[106] | Coupellation de mattes de plomb[106]. Remplace des hauts fourneaux fermés à cause des contraintes environnementales. Technologie de Boliden AB[117]. | |
| 2 | Jinchuan smelter (Chine) | Jinchuan Group | 13 m3[118] | 2011 | Recyclage de déchets riches en cuivre (80 % Cu). Associé à un four à sole oscillante[118]. | |
| 1 | Lünen (Allemagne) | Aurubis | 100 t de cuivre[119] | 2011 | Addition de déchets dans du cuivre noir (80 % Cu) pour en faire du cuivre à 95 %. L'étain et le plomb y sont retirés avec le laitier[120]. | |
| 4 | Richmond (États-Unis) | Aurubis | 12 m3[121] | 2024-2026 (prév.)[122] | Recyclage de déchets électroniques cuivreux[122]. |
Évolutions et disparition
Sidérurgie
Au moment de son apparition, le procédé Kaldo combine beaucoup d'avantages : il traite les fontes phosphoreuses, permet le recyclage d'une grande quantité de ferrailles et facilite le contrôle de l'affinage. Mais sa complexité le pénalise : c'est « un procédé élégant sur le papier mais d'une exploitation difficile »[2].


Partant de ce constat, des convertisseurs rotatifs contemporains du Kaldo ont été évalués comme alternative :
- le procédé Rotor, industrialisé au début des années 1950 à l'usine d'Oberhausen (Düsseldorf) est également un convertisseur à l'oxygène rotatif[123]. Il s'agit d'un procédé plus simple et plus conventionnel : le four tubulaire s'incline peu et n'effectue qu'une rotation toutes les 2 minutes. La rotation est plus destinée à homogénéiser l'usure des réfractaires qu'à accélérer les réactions chimiques. Celles-ci sont gérées par deux lances à oxygène : une pour la décarburation, l'autre pour la post-combustion des fumées au sein du four[3],[124] ;
- le Kaldo-LD installé en 1965 dans l'aciérie de Marchienne-au-Pont (Belgique) est doté d'une lance et d'un dépoussiérage vertical comme pour un convertisseur de type LD. La combinaison des deux procédés permet d'améliorer la durée de vie des réfractaires tout en conservant la flexibilité et les performances métallurgiques du Kaldo. Le soufflage commence en mode LD, c'est-à-dire verticalement, puis la déphosphoration en mode Kaldo. Cependant, outre la complexité accrue, cette séquence supprime la première phase de combustion du CO propre au Kaldo, et donc la possibilité de refondre de grandes quantités de ferrailles[10]. Et la suppression du trou de coulée latéral du LD dégrade la qualité de la vidange de la cornue, qui est un point fort du LD[84].
Les limitations de ces procédés alternatifs les rendent moins attractifs que le Kaldo. Mais les inconvénients du Kaldo sont évidents. Outre la tenue des réfractaires, la chaleur dégagée par la combustion du CO sollicite également la carcasse métallique, notamment la piste de roulement circulaire[86]. À la fin des années 1950, les convertisseurs à l'oxygène soufflent des charges de 50 à 75 tonnes. Dans les années 1960, la plupart des nouveaux convertisseurs ont une capacité de 220 à 300 tonnes. Mais la taille des convertisseurs Kaldo plafonne alors à 100 tonnes : elle évolue donc beaucoup moins vite que celle des convertisseurs LD[72] et la tentative de rattrapage par l'aciérie de Gandrange sera un échec technique[18].
En fait, le Kaldo est condamné par l'évolution du métier. En effet, c'est un convertisseur où le métallurgiste s'efforce de réaliser à la fois la conversion de la fonte en fer, la mise à nuance et la chauffe exacte avant la coulée. Or, à partir des années 1950, les exigences croissantes dues à l'évolution de la métallurgie comme à la généralisation de la coulée continue condamnent progressivement cette approche : seuls des outils spécialisés peuvent atteindre les exigences requises. Ainsi se développe la métallurgie en poche : le convertisseur fournit un acier de composition et de température approximatives, que des outils en aval traitent de manière plus fine. La spécialisation de chaque outil permet d'améliorer la productivité et compense le coût entraîné par la complexification des aciéries. Dans cette évolution, la productivité du procédé LD l'emporte sur la polyvalence du Kaldo[125]. Et si le rendement thermique du Kaldo est séduisant, en sidérurgie, le gaz de convertisseur produit par les procédés alternatifs, comme le LD, est riche en CO et peut être avantageusement brûlé dans les fours de l'usine. Or après le premier choc pétrolier, ce type de gaz est devenu incontournable dans le bilan énergétique d'un complexe sidérurgique[2].
Métaux non-ferreux
Dans les non-ferreux, le TBRC (Top Blown Rotary Converter) a failli disparaître avant de retrouver, après les années 2010[126], un regain d'intérêt dans la fusion des déchets, notamment cuivreux, où sa flexibilité lui permet de s'adapter à des charges très variables[29]. Sa compacité et son aptitude à traiter des minerais contenant beaucoup d'impuretés le rendent également intéressant dans les fonderies de petites tailles ou pour des augmentations incrémentales de production dans des usines existantes[127]. Des TBRC sont ainsi régulièrement installés : par exemple, en 2023, l'entreprise SMS revendique avoir installé plus de 40 convertisseurs[128], et son concurrent Metso-Outotec plus de 20[129].
Au-delà du cuivre, l'aptitude du TBRC à traiter la plupart des métaux non-ferreux est reconnue mais il s'est révélé inadapté à la production de masse[130]. Cependant, les petits TBRC, d'une capacité de 0,5 à 10 tonnes, sont des outils sans équivalents dans la récupération de métaux précieux[57]. Leur petite taille et leur conception simplifiée font disparaître les soucis mécaniques qui ont handicapé les engins sidérurgiques. La possibilité de réaliser beaucoup d'opérations successives dans le même réacteur limite de plus les pertes et la pollution. La compacité et l'efficacité thermique du TBRC l'ont amené à remplacer les derniers fours à réverbères[57].
Notes et références
Notes
- C'est-à-dire « convertisseur rotatif à soufflage par le haut ».
- Le soufflage d'oxygène pur par le fond ne sera mis au point que dans les années 1970 avec, notamment, les procédés OBM (Oxygen-Bottom Maxhütte) et LWS (Loire-Wendel-Sprunck).
- Il est difficile de déterminer la date précise de mise en service du premier Kaldo de la Metallo-Chimique. Le convertisseur rotatif y a été adopté pendant les années 1960 pour se généraliser en 1974[20], mais le premier brevet (no CA979224A) ne date que de 1970. Celui-ci traite de principes généraux sur l'affinage de métaux non-ferreux, tout en évoquant des cas industriels relatifs à un convertisseur de 70 tonnes. Par ailleurs, ce brevet, comme les suivants, est déposé uniquement au Canada et aux États-Unis. Il vise donc à éviter tout blocage de la part du concurrent Inco, dont les brevets pourraient gêner une pratique discrètement mise au point[21], mais aussi à protéger les activités de la Chemetco, créée cette année-là sous l'égide des Belges[22].
- Ce sont les ingénieurs Paul Queneau et John Feick, responsables de l'exploitation des convertisseurs Peirce-Smith d'Inco, aidés par John Thompson, ingénieur chimiste et directeur général qui, en 1958, vont explorer la conversion à l'oxygène pur des mattes de nickel. Les TBRC d'Inco deviennent la première étape de la transformation de composés métalliques complexes, jusqu'à l'obtention de nickel pur à 99,98 % par le procédé Mond[19].
- L'affinage de la fonte au convertisseur est facile car la combustion des éléments indésirables est fortement exothermique : l'oxydation du silicium et du carbone y produit respectivement 32,8 et 10,3 kilojoules par kilogramme[25]. À l'inverse, pour affiner une matte de cuivre, il faut d'abord dissocier le fer du soufre, ce qui consomme 6,8 kilojoules par kilogramme de FeS, avant que leur oxydation, qui ne produit, respectivement, que 5,9 et 9,1 kJ/kg, puisse commencer[26].
- L'oscillation de la lance peut être utile en début de soufflage, pour balayer les réfractaires afin d'éviter qu'une croute isolante de laitier se forme et limite l'échange de chaleur entre le métal et le revêtement réfractaire.
- La déphosphoration de la fonte en fusion a été bien comprise lors de la mise au point du procédé Thomas. À haute température et en présence d'oxygène gazeux (O2), le phosphore contenu dans la fonte s'oxyde en hémipentoxyde de phosphore P2O5 suivant la réaction : 2 P + 52 O2 P2O5 Cet oxyde est acide et migre vers le laitier. Pour limiter son activité chimique, on enrichit le laitier en chaux, qui est basique. On favorise ainsi la réaction : P2O5+ n CaO → n CaO・P2O5 avec n = 3 ou 4 en présence d'un excès de chaux Mais le fer métallique (Fe0) réduit le pentoxyde de phosphore P2O5 en phosphore élémentaire (P) dès que T > 1 280 °C. Dans un convertisseur à l'oxygène pur, l'abondance d'oxygène fait cependant que le fer métallique est fortement oxydé en FeO, et c'est la réduction du Fe(II) (ions Fe2+) en Fe métallique qui réoxyde à son tour le phosphore élémentaire en P2O5 : 2 P + 5 FeO + n CaO → n CaO・P2O5+ 5 Fe Dans le procédé Thomas, le soufflage se fait à l'air. Le procédé est donc plus lent et le FeO y est moins abondant : les éléments les plus avides d'oxygène, comme le silicium et le carbone, peuvent donc réduire tout le FeO. La formation du FeO, et donc la stabilisation du P2O5, ne peut s'y faire qu'à la fin du soufflage, après que tous les éléments avides d'oxygène ont été oxydés[34]. La capacité du Kaldo à déphosphorer dès le début du soufflage a été exploitée par l'aciérie de Stanton (Royaume-Uni), qui a cherché à déphosphorer de la fonte de fonderie[35],[36]. L'absence de communiqués et la démolition du Kaldo quelques années après indiquent que cette idée a été un échec technique[37].
- Le procédé LD est favorisé car le dégagement de chaleur produit par l'affinage des fontes phosphoreuses sollicite fortement les réfractaires. Pour un Kaldo maçonné en briques de dolomie-goudron, la durée de vie passe de 50-60 coulées en fonte phosphoreuse à 100 coulées en fonte hématite[42].
- Le carbone n'est pas injecté directement dans les scories car la réaction est endothermique. La réaction entre le coke et le PbO se décompose en effet ainsi : C (s) + CO2(g) → 2 CO (g) consommant 165,4 kJ/mol de CO PbO (s) + CO (g) → Pb (l) + CO2(g) produisant 95,8 kJ/mol de PbO Le bilan thermique global de ces deux réactions est déficitaire : il est alors nécessaire d'apporter de la chaleur[54].
- La fonderie d'étain de Texas City avait initialement envisagé d'extraire l'étain vaporisé sous la forme de dioxyde d'étain. Mais cette extraction s'est avérée lente, pénalisant la productivité. Quelques mois plus tard, l'extraction sous la forme de sulfure d'étain a été mise au point, multipliant la productivité par quatre[55].
- Certains auteurs qualifient l'utilisation du TBRC de centrifugation[60]. Mais la vitesse de rotation, de 1 tr/min, est bien trop faible pour produire cet effet[59]. Surtout, la description détaillée du procédé ECOCENT indique que les crasses d'aluminium sont centrifugées dans un outil distinct[61].
- Les convertisseurs expérimentaux ne sont pas détaillés. Dans cette catégorie, on peut signaler le Kaldo prototype initial de Domnarvet (Suède) d'une capacité de 3 tonnes et celui du MEFOS (sv) à Luleå (Suède) de 5 tonnes. Les convertisseurs qui n'ont aucune histoire industrielle, notamment les 2 Kaldo de 60 tonnes que la Sanyo Special Steel Co. a commandé à Krupp pour l'aciérie d'Himeji (Japon) en 1965, soit au moment de sa faillite et de son passage à la production au four à arc électrique, et pour lesquels aucune production n'a été relevée[63],[64], ne sont pas retenus. De même, le Kaldo-LD de 70 tonnes qui aurait été installé en 1973 à Cockerill-Marcinelle (Belgique)[10], qui n'apparaît dans aucune archive relative à l'usine et dont la date de construction correspond à la fermeture de l’aciérie Thomas où il aurait dû être installé, a certainement été abandonné au profit du procédé OBM[65].
- Le volume interne du Kaldo-Réacteur de L'Ardoise (Gard), de 47 m3 pour une capacité de 70 à 120 tonnes, amène à un dimensionnement de 0,7 à 0,4 m3/tacier, proche du standard à 0,5 m3/tacier[91].
- En raison de la diversité des produits traités par un même convertisseur, et de leurs densités (de 4 pour une matte pauvre en cuivre, à 11,3 pour le plomb), il est parfois préférable de n'évoquer que le volume de métal traité.
- Une source évoque une taille de TBRC de la Stillwater Co. de 0,15 m3, soit 1,5 t de matte[110].
Références
- (en) F. Wallner et E. Fritz, « Fifty years of oxygen-converter steelmaking », Revue de Métallurgie, no 10, , p. 825-837.
- Olivier C. A. Bisanti, « Un siècle d'oxygène en sidérurgie », Soleil d'acier, .
- (en) Donald Garmonsway, « A survey of oxygen steelmaking », New Scientist, no 244, , p. 153-155 (lire en ligne).
- (en) D. J. O. Brandt, « British steelmaking today and tomorrow », New Scientist, vol. 2, no 38, , p. 14-17 (lire en ligne).
- Leroy et al., « Soufflage d'oxygène pur par le procédé LWS », La revue de métallurgie, .
- (de) Roman Sandgruber, « Das LD-Verfahren erobert die Welt (Les LD conquièrent le monde) », Oberösterreichische Nachrichten, (consulté le ).
- Allen 1967, p. 138.
- Kalling et al., « Emploi d'oxygène-acide carbonique au lieu d'air pour le soufflage final dans le procédé Thomas », La revue de métallurgie, .
- (es) Bo Kalling et Folke Johansson, « Procedimiento Stora Kal-Do de fabricación de acero con oxígeno en aparato rotatorio », dans Problemas de la industria siderúrgica y de transformación de hierro y acero en América Latina, vol. 2, Organisation des Nations unies, (lire en ligne [PDF]), p. 86-88.
- (en) B. P. Bhardwaj, Steel and Iron Handbook, Niir Project Consultancy Services, , 472 p. (ISBN 978-9381039304, lire en ligne), p. 302-313.
- Monique Thouvenin, « De Wendel-Sidélor à Sacilor-Sollac : 1968-1980. 13 années de mutations difficiles en Lorraine », Revue Géographique de l'Est, vol. 21, no 1, , p. 37-63 (lire en ligne).
- Allen 1967, p. 141.
- Allen 1967, p. 140.
- (sl) « Zgradili Bomo Kaldo Konvertor », Železar, , p. 5-7 (lire en ligne [PDF]).
- Allen 1967, p. 196.
- Allen 1967, p. 202.
- Jean-Yves Debost et Bernard Réal, Les rapports des industries de la manutention avec l'évolution des processus de production et des moyens de transport dans le cours de l'internationalisation du capital, Université des Sciences Sociales de Grenoble, Institut de Recherche Economique et de Planification, (lire en ligne [PDF]), partie 2, p. 48.
- Michel Freyssenet, La sidérurgie française 1945-1979 : L'histoire d'une faillite. Les solutions qui s'affrontent., Paris, Savelli, coll. « Documents critiques », , 241 p. (ISBN 9782859300302, OCLC 417353871, BNF 34648522, présentation en ligne, lire en ligne [PDF]), p. 81-82.
- (en) Paul E. Queneau et Samuel W. Marcuson, « Oxygen Pyrometallurgy at Copper Cliff—A Half Century of Progress », The Minerals, Metals & Materials Society, (lire en ligne).
- « Historique de Metallo Chimique N.V. ».
- (en) « Process for recovering copper from copper-bearing materials (CA 979224 A) ».
- (en) « Chemetco closing today », The Telegraph, Alton, , p. 1 et 9 (lire en ligne).
- (en) L. R. Verney, « Pyrometallurgy », Journal of The Minerals, vol. 29, , p. 16-18 (ISSN 1543-1851, DOI 10.1007/BF03354304, lire en ligne).
- (en) « Amended environmental compliance approval » [PDF], Ministère de l’Environnement et de l’Action en matière de changement climatique, (consulté le ).
- Adolf Ledebur (trad. Barbary de Langlade revu et annoté par F. Valton), Manuel théorique et pratique de la métallurgie du fer, Tome I et Tome II, t. 2, Librairie polytechnique Baudry et Cie éditeur, [détail des éditions], p. 472.
- Paul Louis Weiss, Le Cuivre : Origine, Gisements, Propriétés physiques et chimiques, Métallurgie… Marché du cuivre, Principales applications… Alliages industriels, J.-B. Baillière et fils, , 344 p. (ASIN B0019TU3SK, lire en ligne), p. 191-193.
- Pierre Blazy et El-Aid Jdid, « Pyrométallurgie et électroraffinage du cuivre - Pyrométallurgie », dans Techniques de l'ingénieur, Éditions techniques de l'ingénieur (lire en ligne).
- (en) Gianluca Cusano, Miguel Rodrigo Gonzalo, Frank Farrell, Raine Remus, Serge Roudier et Luis Delgado Sancho, Best Available Techniques (BAT) Reference Document for the main Non-Ferrous Metals Industries, EUR 28648, Union européenne, (ISBN 978-92-79-69655-8, ISSN 1831-9424, DOI 10.2760/8224, lire en ligne [PDF]).
- (en) Lennart Hedlund, « Lead and copper recycling in the Boliden Kaldo », EMC'91: Non-ferrous metallurgy - Present and future, Elsevier, , p. 293-298 (ISBN 1851667156, lire en ligne).
- (en) « Rönnskär's history », Boliden AB (consulté le ).
- Jacques de Cuyper, « Métallurgie et recyclage de l’étain - Traitements métallurgiques », dans Techniques de l'ingénieur. Élaboration et recyclage des métaux, Éditions techniques de l'ingénieur, .
- Daniel Rivet, L'acier et l'industrie sidérurgique, Paris, Presses universitaires de France, coll. « Que sais-je? » (no 561), , 128 p. (ISBN 2 13 035632 X), p. 37.
- (en) F. Johansson, « The Kaldo Process » [PDF], UNIDO, .
- Jean Duflot, Encyclopædia Universalis (lire en ligne), « Sidérurgie ».
- Allen 1967, p. 187.
- (en) « Stanton and Staveley, Limited », The Economist, , p. 143 et 450 (lire en ligne).
- (en) « Stanton Ironworks Demolition », Industrial Aperture.
- (en) Fred Wheeler, « Computer chain of command in a steelworks », New Scientist, vol. 23, no 399, , p. 83-84 (lire en ligne).
- (en) R. N. Merk et D. R. Berg, « Sharon Steel's Kaldo Furnaces first in US », JOM (Journal of the Minerals, Metals & Materials Society), vol. 13, , p. 635-636 (lire en ligne).
- Allen 1967, p. 203-205.
- Jean Rivet, « La sidérurgie, des origines à nos jours » [PDF], .
- Karl Ernst Mayer, Fritz Berghaus, Aldo Canonici, Charles Foccroulle, Jean Kremer, Georges Passe et A. Stoel, Nouveaux procédés techniques dans la sidérurgie, vol. 3 : Les aciéries, Bruxelles, Communauté européenne du charbon et de l'acier, (lire en ligne [PDF]), p. 133-149.
- (en) Friedrich August Karl Lüth et Horst König, The Planning of Iron and Steelworks, Springer-Verlag, , 3e éd., 193 p. (ISBN 978-3-662-28160-4 et 978-3-662-29671-4, lire en ligne), p. 79.
- Jean Saleil, Marc Mantel et Jean Le Coze, « La production des aciers inoxydables : Histoire de son développement et des procédés de fabrication : Partie II. Évolutions de l’élaboration des aciers inoxydables au four électrique à arc. La tentation de la fonte au chrome et la production d’aciers inoxydables dans l’usine intégrée », Matériaux & Techniques, Société Chimique de France, vol. 108, no 1, (DOI /10.1051/mattech/2020017, lire en ligne [PDF]).
- Bisanti 2004, p. 88 et 93.
- Louis Chabert, Histoire de l'électrochimie et de l'électrométallurgie en Savoie, Chambéry, Société savoisienne d'histoire et d'archéologie, , 36 p., p. 19-36.
- Guy Piard, « Ugine L'Ardoise dans le Gard » (consulté le ).
- (en) Background Information For New Source Performance Standards Primary Copper, Zinc, and Lead Smelters Vol I Proposed Standards, vol. 1, EPA, (lire en ligne [PDF]), p. 3-115 et 3-117.
- (en) Roger Sundqvist, « E-scrap fundamentals » [PDF], Boliden AB, .
- (en) Frank K. Krundwell, Michael S. Moats, Venkoba Ramachandran, Timothy G. Robinson et William G. Davenport, Extractive Metallurgy of Nickel, Cobalt and Platinum Group Metals, Elsevier, , 610 p. (ISBN 978-0-08-096809-4, lire en ligne), p. 271-275.
- Krundwell et al. 2011, p. 579-581.
- (en) A. Christian Worrell et Mary A. Taft, Overview of foreign nonferrous smelter technology, EPA, (lire en ligne [PDF]), p. 38.
- Pierre Blazy et El-Aïd Jdid, « Métallurgie du Plomb - Procédés modernes et sources secondaires - Procédés BSF », dans Techniques de l'ingénieur. Élaboration et recyclage des métaux, Éditions techniques de l'ingénieur, .
- (en) H. Y. Sohn et M. Olivas-Martinez, Treatise on Process Metallurgy, vol. 3, Elsevier, , 1745 p. (ISBN 978-0-08-100000-7, lire en ligne), A, p. 686-688.
- (en) « State v. Associated Metals & Minerals Corp., No. A2408 », (consulté le ).
- (en) Superfund record of decision : Texas Tin Corporation Site OU 1, Texas City, TX., EPA, (lire en ligne [PDF]), p. 17.
- (en) J.G. Cooper, J.W. Matousek et J.G. Whellock, « Bulk oxygen use in the refining of precious metals », dans George Kachaniwsky, Chris Newman, The impact of oxygen on the productivity of non-ferrous metallurgical processes, vol. 2 : Proceedings of the Metallurgical Society of the Canadian Institute of Mining, Winninpeg, Pergamon Press, (ISBN 0-08-035767-9, lire en ligne), p. 116-118.
- (en) Jane Mulenshi, Mapping of settling processes at Boliden Rönnskär and Harjavalta smelters (thèse), Université de technologie de Luleå, (lire en ligne [PDF]).
- (en) Stefan Wibner, Helmut Antrekowitsch et Thomas C. Meisel, « Studies on the Formation and Processing of Aluminium Dross with Particular Focus on Special Metals », Metals, MDPI, vol. 11, , p. 1108 (DOI 10.3390/met11071108, lire en ligne).
- Simon Langlois, Revue des technologies de traitement des écumes des écumes d'aluminium et applicabilité dans un cadre de développement durable au Québec (thèse), Sherbrooke, Université de Sherbrooke, (lire en ligne [PDF]).
- Brevet CA 2915784A1 "Aluminium dross processing", Frank Pollmann, 2014..
- (en) « Rotary-tilting furnace of the company INTEC (Germany) with the liner of the company "Spetsogneuporkomplekt" » (consulté le ).
- (en) « History », Sanyo Special Steel (consulté le ).
- (en) « World Kaldo steel plants », Metal Bulletin Journals, , p. 57.
- H. Jacobs, A. Marlot, L. Philippe et E. Lété, « L’aciérie OBM de Cockerill-Sambre à Marcinelle », Revue de Métallurgie, Paris, vol. 79, no 1, , p. 13–27 (DOI 10.1051/metal/198279010013, lire en ligne).
- (en) Year Book : Association of Iron and Steel Engineers, , p. 83.
- (en) Year Book : Association of Iron and Steel Engineers, , p. 439.
- (en) John W. Thatcher, Mineral yearbook, (lire en ligne [PDF]), p. 601.
- (sv) Handelsståls industrin inför 1980-talet, Stockholm, , 848 p. (ISBN 91-38-03332-1, ISSN 0375-250X, lire en ligne [PDF]), p. 92-93 et 97.
- (en) Basic oxygen process furnaces, United States Environmental Protection Agency, (lire en ligne [PDF]), p. 3-5.
- (en) Joseph K. Stone et Eduard M. Michaelis, « Worldwide LD steelmaking capacity shows pause », Year Book - Association of Iron and Steel Engineers, , p. 225.
- (en) Robert A. Whitman, Mineral yearbook, (lire en ligne [PDF]), p. 619.
- (en) Development of thechnology for controlling BOP charging emissions, United States Environmental Protection Agency, (lire en ligne [PDF]), p. 11, 18 et 21.
- « Informations économiques », Revue de métallurgie, vol. 72, , p. 237.
- Allen 1967, p. 191.
- (en) Louis Cassier, « Consett », Iron and Steel, IPC Science and Technology Press, vol. 45, .
- (en) The Consett story, Ramsden Williams, , 179 p. (ASIN B000IZ8S3I, lire en ligne), chap. 3 (« Local industry »).
- (en) John L. Griffith, Some aspects of the effect of atmospheric pollution on the Lichen Flora to the West of Consett Co. Durham, (lire en ligne), p. 14.
- (en) « 150 years of the Shelton Works », sur thepotteries.org (consulté le ), p. 29-33.
- (en) F. E. Brantley, Mineral yearbook, (lire en ligne [PDF]), p. 617 et 619.
- (en) « Heritage Stockton, this is your story. » (consulté le )
- (en) J. Ledune et p. Nilles, « The LD-Kaldo process », Journal of Materials, , p. 485–490 (DOI 10.1007/BF03378430, lire en ligne).
- (de) « Forges de La Providence », (consulté le ).
- Affinage des fontes phosphoreuses en une phase avec décrassage en cours de soufflage, Communauté européenne du charbon et de l'acier, (lire en ligne [PDF]).
- « Cahiers d'informations techniques », Revue de métallurgie, vol. 77, , p. 284.
- (en) Robert A. Whitman, Mineral yearbook, (lire en ligne [PDF]), p. 524-525 et 528.
- (de) « SSAB, Borlänge », .
- (en) Amit Chatterjee, Ramesh Singh et Banshidhar Pandey, Metallics for Steelmaking : Production and Use, Allied Publisher Ltd., (ISBN 81-7764-130-1, lire en ligne), p. 409.
- Bisanti 2004, p. 152.
- Bisanti 2004, p. 121.
- Bisanti 2004, p. 124.
- Bisanti 2004, p. 140 et 160.
- Bisanti 2004, p. 135.
- (vls) « Besluit van de deputatie van de provincie Antwerpen » [PDF], Metallo-Chimique NV, .
- (en) « Case Summary: Settlement reached at the Chemetco Superfund Site », Environmental Protection Agency.
- .
- (en) « Tennant Creek », (consulté le ).
- (en) P. J. Mackey et G. C. Balfour, « Pyrometallurgy », JOM (Journal of the Minerals, Metals & Materials Society), vol. 30, , p. 36-43 (ISSN 1543-1851, DOI 10.1007/BF03354363, lire en ligne).
- (en) « Lodged consent decree - Appendices A through O - Case 3:00-CV-00670-DRH-DGW » [PDF], EPA, , p. 205 et 292-298.
- (en) C. M. Diaz, C. A. Landolt, Anthony E. M. Warner et Ahmed Vahed, « A Review of Nickel Pyrometallurgical Operation », JOM (Journal of the Minerals, Metals & Materials Society), (DOI 10.1007/BF03258548, lire en ligne [PDF]).
- (en) « Turnkey Process Plant Solutions » [PDF], Furnace Fabrica, .
- (en) Donald A. Pazour, « Afton, new canadian copper mine », World Mining, (lire en ligne [PDF]).
- (en) J. D. Robertson et C. J. Price, « An Assessment of Mercury Emissions from the Afton Copper Smelter, British Columbia, Canada », Journal of the Air Pollution Control Association, (ISSN 0002-2470, DOI 10.1080/00022470.1986.10466115, lire en ligne).
- (en) M. K. Snyder et F. D. Shobe, Source Category Survey : Secondary Copper Smelting and Refining Industry, EPA, (lire en ligne [PDF]), p. 45.
- (en) « Top Blown Rotary Converter (TBRC) Détails », (consulté le ).
- (en) « Lead », dans Alistair Davidson, Jessica Ryman, Charles A. Sutherland, Edward F. Milner, Robert C. Kerby, Herbert Teindl, Albert Melin, Hermann M. Bolt, Ullmann's Encyclopedia of Industrial Chemistry, Wiley-VCH, (DOI DOI: 10.1002/14356007.a15_193.pub3).
- (en) « Iran's Lead and Zinc Overview », Metal News, (lire en ligne).
- (es) Ricardo Arteaga Rodriguez et al., Manual de evaluación técnico-económica de proyectos mineros de inversión, Instituto Tecnológico Geominero de España, , 2e éd. (ISBN 8478403051 et 9788478403059, lire en ligne), p. 510.
- (en) Rodney Jones, « JOM World Nonferrous Smelter Survey, Part II: Platinum Group Metals », The journal of the Minerals, Metals & Materials Society, no 56, , p. 59-63 (DOI 10.1007/s11837-004-0238-8, ttps://www.pyrometallurgy.co.za/Mintek/Files/2004JonesPGMSmelterSurvey.pdf [PDF]).
- (en) Greg K. Roset, Jan W. Matousek et Paul J. Marcantonio, « Converting practices at the stillwater precious metals smelter », Review of Extractive Metallurgy, JOM, vol. 44, , p. 39–42 (lire en ligne).
- (en) Greg Roset, Dayle Flynn et Jacob Bummer, « Granulation as it pertains to electric furnace matte, converter slag, and converter matte in a PGM smelter », dans Jerome P. Downey, Thomas P. Battle, Jesse F. White, International Smelting Technology Symposium: Incorporating the 6th Advances, The Minerals, Metals & Materials Society, (ISBN 978-1-11829-116-0, lire en ligne), p. 23-30.
- (it) « Un altro impianto per trattare rifiuti E' il progetto Simar », La Nuova Venezia, (lire en ligne, consulté le ).
- (en) « Directory of copper mines and plants : 2000 to 2005 » [PDF], International Copper Study Group, (consulté le ).
- (en) « Expression of Interest (EOI) for Long Term Lease or Outright Sale of Gujarat Copper Project, Bharuch, Gujarat, India » [PDF], Hindustan Copper Limited, (consulté le ), p. 14.
- (en) « Gujarat Copper Project (GCP) at Bharuch, Gujarat », Hindustan Copper.
- (en) « Kaldo Furnace inauguration » [PDF], Hindustan Copper, (consulté le ).
- (en) « Boliden awarded a SEK 40 million Contract in China », Boliden, .
- (en) Tang Xulong, « The technological developments of scrap copper smelters in China », ENFI (consulté le ).
- (de) « SMS Siemag führend in Sekundärmetallurgie », SMS Group, (consulté le ).
- (en) Martina Laubertová, Jana Pirošková et Simona Dociová, « The technology of lead production from waste », World of Metallurgy - Erzmetall, no 1, , p. 51 (lire en ligne [PDF]).
- (en) « Aurubis Richmond LLC SIP Permit Application », Aurubis, (consulté le ).
- (en) « Aurubis doubles U.S. investment in multimetal recycling facility », Aurubis, (consulté le ).
- (de) « Neue Wege zum Stahl », Echo der Arbeit, no 21, , p. 244-245 (lire en ligne [PDF]).
- (en) Colin J. Smithells, Metals Reference Book, Butterworths, , 5e éd., 1582 p. (ISBN 0408706279, lire en ligne), p. 1432 et 1434.
- Bernard Trentini, « Aciéries - Évolution des procédés », dans Techniques de l'ingénieur. Élaboration et recyclage des métaux, Éditions techniques de l'ingénieur, .
- (en) Marc E. Schlesinger, Matthew J. King, Kathryn C. Sole et William G. I. Davenport, Extractive Metallurgy of Copper, Elsevier, , 5e éd., 481 p. (ISBN 978-0-08-096789-9, lire en ligne), p. 393.
- (en) Heinrich R. Traulsen, John C. Taylor et David B. George, « Copper Smelting - An Overview », JOM (Journal of the Minerals, Metals & Materials Society), no 34, , p. 35-40 (DOI 10.1007/BF03338071, lire en ligne [PDF]).
- (en) « Top blown rotary converter – TBRC and Kaldo », SMS Group (consulté le ).
- (en) « PM Kaldo TBRC furnace », Metso-Outotec, (consulté le ).
- (en) Vincent Rich, The International Lead Trade, Cambridge (GB), Woodhead Publishing, , 320 p. (ISBN 1855731037, lire en ligne), p. 50.
Annexes
Bibliographie
- [Bisanti 2003] Olivier C. A. Bisanti, « Un siècle d'oxygène en sidérurgie », Soleil d'acier,
- [Bisanti 2004] Olivier C. A. Bisanti, L'Ardoise, notre histoire, Martigues, Soleils d'Acier, , 372 p. (ISBN 2-9516427-2-5)
- [Allen 1967] (en) James Albert Allen, Studies in Innovation in the Steel and Chemical Industries, Manchester University Press, , 246 p. (ISBN 0678067902 et 978-0678067901)
- [Bhardwaj 2014] (en) B.P. Bhardwaj, Steel and Iron Handbook, Niir Project Consultancy Services, , 472 p. (ISBN 978-9381039304)
- [Queneau et Marcuson 1996] (en) Paul E. Queneau et Samuel W. Marcuson, « Oxygen Pyrometallurgy at Copper Cliff—A Half Century of Progress », The Minerals, Metals & Materials Society, (lire en ligne)
- [Blazy et Jdid] Pierre Blazy et El-Aid Jdid, « Pyrométallurgie et électroraffinage du cuivre – Pyrométallurgie », dans Techniques de l'ingénieur, Éditions techniques de l'ingénieur (lire en ligne)
- [Cusano et al. 2017] (en) Gianluca Cusano, Miguel Rodrigo Gonzalo, Frank Farrell, Raine Remus, Serge Roudier et Luis Delgado Sancho, Best Available Techniques (BAT) Reference Document for the main Non-Ferrous Metals Industries, EUR 28648, Union européenne, (ISBN 978-92-79-69655-8, ISSN 1831-9424, DOI 10.2760/8224, lire en ligne [PDF])
- [Hedlund 1991] (en) Lennart Hedlund, « Lead and copper recycling in the Boliden Kaldo », EMC'91: Non-ferrous metallurgy – Present and future, Elsevier, (ISBN 1851667156, lire en ligne)
- [Krundwell et al. 2011] (en) Frank K. Krundwell, Michael S. Moats, Venkoba Ramachandran, Timothy G. Robinson et Wiliam G. Davenport, Extractive Metallurgy of Nickel, Cobalt and Platinum Group Metals, Elsevier, , 610 p. (ISBN 978-0-08-096809-4)
- [Mayer et al. 1971] Karl Ernst Mayer, Fritz Berghaus, Aldo Canonici, Charles Foccroulle, Jean Kremer, Georges Passe et A. Stoel, Nouveaux procédés techniques dans la sidérurgie, vol. 3 : Les aciéries, Bruxelles, Communauté européenne du charbon et de l'acier, (lire en ligne [PDF]), p. 133-149
Articles connexes
- Portail de la métallurgie
- Portail du génie mécanique
- Portail de la production industrielle
- Portail de la chimie

