Bruit thermique
Le bruit thermique, également nommé bruit de résistance, bruit Johnson ou bruit de Johnson-Nyquist, est le bruit généré par l'agitation thermique des porteurs de charges, c'est-à-dire des électrons dans une résistance électrique en équilibre thermique. Ce phénomène a lieu indépendamment de toute tension appliquée. Le bruit thermique aux bornes d'une résistance est exprimée par la relation de Nyquist :
où est la variance de la tension aux bornes de la résistance, est la constante de Boltzmann, qui vaut kB = 1,3806 × 10-23 J.K-1, T est la température absolue de la résistance exprimée en kelvins, R est la résistance exprimée en ohms, et , la bande passante considérée.
Cette formule permet de prévoir le bruit minimum présent sur un système électronique, et donc sa limite de détection. Le même phénomène de bruit thermique est observé aux bornes d'une capacité. C'est une limitation des capteurs photographiques.
Histoire
Le mouvement brownien et la théorie cinétique des gaz


En 1827, le botaniste Robert Brown observe sous un microscope du pollen dispersé dans de l’eau et remarque que les grains microscopiques sont soumis à un mouvement continuel et irrégulier. Par la suite, il s’aperçoit que l’on peut observer le même phénomène avec n'importe quelle particule de petite taille. Suivant une autre version, Brown aurait observé « des mouvements de particules à l'intérieur de grains de pollen » (voir la page Mouvement brownien).
Tout au long du XIXe siècle, un grand nombre de physiciens s'intéresse au phénomène. En 1877, Delsaux suggère que le mouvement brownien résulte de l'ensemble des chocs exercés par les molécules d’eau sur les particules.
Dans un gaz, l'agitation moléculaire, réalité microscopique de la température, est assimilable au mouvement brownien. C'est à la fin du XIXe siècle que Ludwig Boltzmann affine la théorie cinétique des gaz déjà esquissée par d'autres physiciens et qui énonce que : « L'énergie cinétique moyenne des molécules est proportionnelle à la température absolue ; la constante de proportionnalité par degré de liberté est la moitié de la constante de Boltzmann. »
Albert Einstein en 1905 et, indépendamment, Marian Smoluchowski en 1906, proposent une théorie complète et unifiée du mouvement brownien qui permettra à Jean Perrin de déterminer le nombre d'Avogadro en 1908.
Les publications de Johnson et Nyquist


Le bruit thermique est l'extension à l'électricité des phénomènes inhérents à la température observés dans les liquides et les gaz. Pour les mettre en évidence, il avait fallu que l'électronique, avec le développement des tubes atteigne un certain degré de maturité. Le bruit thermique a été mesuré pour la première fois en 1927 par le physicien John Bertrand Johnson aux célèbres Bell Labs [1]. Son article Thermal Agitation of Electricity in Conductors montrait que des fluctuations statistiques se produisaient dans tous les conducteurs électriques, produisant une variation aléatoire de potentiel aux bornes de ce conducteur. Ce bruit thermique était donc identique pour toutes les résistances de la même valeur et n'était donc pas imputable à une fabrication médiocre. Johnson décrivit ses observations à son collègue Harry Nyquist qui fut capable d'en donner une explication théorique [2].
Approche macroscopique
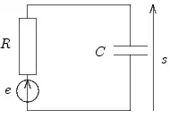
Bruit thermique dans un dipole
Le bruit thermique que l'on peut mesurer aux bornes d'une résistance résulte de l'agitation thermique des électrons. Pour une résistance constituée d'un matériau donné, il est normalement possible de modéliser par la physique du solide l'action conjuguée des agitations thermiques de tous les électrons, mais il existe des considérations beaucoup plus simples, issues de la physique statistique qui permettent de calculer la loi du bruit dans les résistances.
Dans un gaz, l'énergie moyenne d'une molécule est [3]:
L'énergie cinétique moyenne d'une molécule est 3*(kBT/2) parce que le mouvement dans l'espace d'une molécule monoatomique possède 3 degrés de liberté.
Une résistance est un composant électronique dipolaire. Le système énergétique représenté par une résistance ne possède qu'un seul degré de liberté représenté par l'intensité du courant électrique qui traverse la résistance. L'énergie thermique que pourra échanger la résistance en équilibre thermique à la température T est par conséquent :
Bruit dans les résistances
Cette formule est rigoureusement exacte, mais elle est de peu d'intérêt pour les électroniciens qui ne savent pas mesurer l'énergie échangée entre une résistance R et son environnement pendant un temps . Avec un amplificateur faible bruit, les électroniciens savent mesurer une tension aux bornes de la résistance, et de la tension, ils peuvent facilement déduire une puissance. L'expression de puissance du bruit thermique s'écrit :
La mesure de cette puissance échangée pendant le créneau de durée se traduit en fréquence par l'intégration de la densité spectrale de puissance monolatérale dP/df sur la bande de bruit équivalente du créneau, à savoir .
D'où dP/df = puisque cette expression est valable quel que soit (tant que τ est suffisamment grand pour éviter la quantification de l'énergie des électrons) : ce bruit thermique est donc blanc (dans une bande de fréquence habituelle qui évite l'équivalent de la catastrophe ultraviolette du corps noir). Il en résulte que la puissance échangée s'écrit :
Il est maintenant possible de calculer le bruit en tension aux bornes de la résistance R que l'on considère selon le schéma de Thévenin comme un générateur de tension en série avec la résistance R. Le maximum de puissance peut être débité par ce générateur, à condition que les impédances soient adaptées (c'est-à-dire que l'on débite sur une résistance d'égale valeur R,) et alors, pour que la puissance débitée soit , il faut que :
ce qui démontre la relation :
sous réserve que la constante de proportionnalité égale à un, introduite quelques lignes plus haut soit justifiée.
On rappelle que est la variance de la tension aux bornes de la résistance, est la constante de Boltzmann, qui vaut kB = 1,3806 × 10-23 J.K-1, R est la résistance exprimée en ohms, et , la bande passante considérée.
Exemple numérique : pour une résistance R = 1000 à température ambiante T = 290 K :
.
(nV désigne des nanovolts)
Bruit thermique associé aux capacités
Une capacité idéale ne produit pas en tant que tel de bruit thermique puisque le courant qu'elle convoie n'est pas un courant de conduction mais un courant de déplacement. Cependant, on parle de bruit thermique associé aux capacités dans deux cas : le bruit de dissipation diélectrique et le bruit de mesure.
Bruit de dissipation diélectrique
Les matériaux diélectriques utilisés pour fabriquer les condensateurs ne sont pas parfaits. Leur permittivité élevée est due à la polarisation de dipôles au sein du matériau. Selon leur nature physique, ces dipôles ont un certain temps de réaction et un degré d'amortissement. Mathématiquement, leur permittivité est donc décrite sous la forme d'un nombre complexe dépendant de la fréquence.
La dissipation diélectrique est définie comme le ratio de la composante imaginaire sur la composante réelle.
(où l'angle est appelé angle de perte diélectrique). d vaut typiquement à .
L'admittance d'une capacité est alors .
Il en résulte un bruit en courant de .
Bruit de mesure
Le bruit de mesure est dû à l'influence du bruit thermique d'un circuit de charge et décharge lié à une capacité et non à la capacité elle-même. Il est particulièrement important dans des systèmes exploitant le stockage de charges (CCD, filtre à capacités commutées). Il peut être évalué très simplement du fait que l'on n'est pas confronté au problème de donner un sens à la bande passante. Le fait que la capacité est en équilibre thermique avec un système à température T permet d'écrire que la fluctuation de l'énergie accumulée dans la capacité est :
En rapprochant cette relation de celle qui donne l'énergie accumulée dans une capacité:
On en déduit aussi bien la fluctuation quadratique de la tension aux bornes de la capacité ou de la charge accumulée sur la capacité.
est exprimée en coulombs carrés.
La moyenne effectuée sur la carré de la charge n'est pas une moyenne au cours du temps, mais c'est la moyenne que l'on obtient si l'on mesure un grand nombre de fois la charge ou, ce qui revient au même, la tension aux bornes de la capacité. Dans ce cas-là, le bruit n'est pas produit à l'intérieur de la capacité, mais il est produit par l'équilibre thermodynamique du système en contact avec la capacité, par exemple, une résistance aux bornes de la capacité.
Si la capacité est isolée, par exemple, à la suite de la déconnexion d'une résistance en parallèle, la charge accumulée est « gelée » à une valeur aléatoire dont la dispersion est donnée par la formule ci-dessus. Dans la pratique, il est possible d'isoler ainsi une capacité à cause du travail de sortie des électrons hors d'un matériau conducteur qui n'est pas nul. Si le travail de sortie est négligeable par rapport à l'énergie thermique, alors rien n'empêche la capacité d'échanger régulièrement avec le milieu extérieur.
Exemple numérique, pour une capacité de 100 picofarads, une température de 300 K, la constante de Boltzmann toujours égale à 1,380 6 × 10−23 J.K-1 et en exprimant le résultat sous la forme d'un nombre de charges élémentaires électroniques (1,602 × 10−19 coulombs)
Démonstration avec un système RC

Il reste à démontrer le bien-fondé de la constante de proportionnalité introduite dans la formule
Pour ce faire, on considère une résistance R mise en série avec une capacité C. Sur le schéma ci-contre, la résistance est représentée par une résistance parfaite mise en série avec un générateur de bruit. La résistance R et la capacité C sont en équilibre thermique, c'est-à-dire qu'ils échangent entre eux de l'énergie de telle sorte que l'énergie accumulée dans la capacité soit soumise à des fluctuations soit la tension aux bornes de la capacité:
Pour introduire la bande passante , il convient de faire appel à l'analyse spectrale qui nous dit que sur un espace temporel donné un signal peut se décomposer en « composantes » périodiques : . Il s'agit en fait de la transformée de Fourier. Ce sont des mathématiques qui sont assez familières aux électroniciens. Une conséquence importante de ce formalisme mathématique est le théorème de Parseval qui énonce que , autrement dit, que l'énergie d'un signal est égale à la somme de toutes les énergies des composantes de son spectre. Si s() est une composante particulière du spectre, on peut écrire :
est la densité spectrale de puissance du bruit. Le théorème de Parseval dit que la tension moyenne aux bornes de la capacité est égale à . Or, est le bruit en tension aux bornes de la capacité C et il est connu :
D'où l'on tire
Pour sortir, précisément le terme de l'intégrale, il a fallu faire l'hypothèse qu'il ne dépendait pas de , autrement dit qu'il s'agit d'un bruit blanc. De cette expression, on déduit la densité spectrale de puissance
En remplaçant par , et en intégrant sur une certaine plage de fréquence on retrouve également la relation que l'on se proposait de démontrer.
.
Cette relation qui avait été déduite d'un raisonnement d'analyse dimensionnelle (Voir plus haut Bruit dans les résistances) a donc été « calibrée » en prenant l'exemple du circuit RC.
Approche microscopique
Il peut résulter de l'approche macroscopique une frustration résultant de ce qu'elle ignore totalement les mécanismes du mouvement brownien des électrons qui produisent le bruit thermique aux bornes de la résistance. Le passage obligé par un circuit RC pour parfaire la démonstration apparaît comme un artifice puisque le bruit est produit. Les porteurs sont supposés être dans une situation où le mouvement de diffusion domine (champ électrique modéré). La théorie du mouvement brownien nous dit que la densité de probabilité de la position d'une charge est une gaussienne de variance proportionnelle au temps :
où D est le coefficient de diffusion (Voir Loi de Nernst-Einstein)
étant la mobilité des porteurs de charge définie par
Le libre parcours et le temps entre collisions sont donc liés par la formule :
Le processus de diffusion est poissonnien, ce qui implique que sa variance est égale au nombre d'évènements. Dans ce cas, la densité spectrale de puissance moyenne du courant de bruit vaut :
où est le taux moyen d'évènements et la contribution en charge de chacun des évènements (le coefficient 2 provient du fait que la représentation est unilatérale : comme la fonction est paire, on ne la représente que sur les fréquences positives).
Or si on note le nombre de porteurs et est la longueur du conducteur, le taux d'évènements est et la contribution individuelle de ces évènements est . On en déduit un courant de bruit de :
En remplaçant ,
car (loi d'Ohm locale).
Lorsque le champ électrique dépasse la valeur , le bruit de grenaille devient prépondérant.
Le fait que le résultat de l'approche microscopique ne contienne plus les constantes ou grandeurs relatives aux phénomènes microscopiques, comme la mobilité ou le coefficient de diffusion légitime à son tour l'approche macroscopique.
Le cas des très hautes fréquences
Les relations présentées ci-dessous sont de bonnes approximations pour les basses fréquences. En fait, le bruit thermique présente de nombreuses analogies avec le rayonnement du corps noir, et comme pour ce dernier, les simples considérations de physique classique ne peuvent résoudre certains paradoxes qui nécessitent une approche quantique. Pour le bruit thermique, le cas des très hautes fréquences n'est pas traité convenablement par de simples considérations newtoniennes.
Ainsi, dans le cas le plus général, la densité spectrale de puissance de la tension aux bornes de la résistance R en est donnée par:
où f est la fréquence, h la constante de Planck, kB la constante de Boltzmann et T la température absolue, en kelvins.
Pour les basses fréquences jusqu'à quelques gigahertz (), on peut faire une approximation du premier ordre :
Dans le cas général, à la fois R et T dépendent de la fréquence. Pour connaître le bruit total, il suffit d'intégrer sur toute la bande passante. Comme le signal est réel, on peut intégrer seulement sur les fréquences positives et ensuite multiplier par 2. En supposant que R et T sont constants sur toute la bande passante , alors, la valeur efficace (RMS) de la tension aux bornes de la résistance, résultant du bruit thermique est donnée par :
- .
On retrouve ainsi la formule issue de considérations de physique statistique classique.
Notes et références
- ↑ J. Johnson, Thermal Agitation of Electricity in Conductors, Phys. Rev., 32, 97 (1928) – « The experiment »
- ↑ H. Nyquist, Thermal Agitation of Electric Charge in Conductors, Phys. Rev., 32, 110 (1928) – « The theory »
- ↑ Richard P. Feynman, Robert B. Leighton et Matthew Sands (en), Le Cours de physique de Feynman [détail de l’édition], « Mécanique 2 », InterEdition, 1979, chap. 39-2 à 39-4
Voir aussi
Articles connexes
Bibliographie
- A. Blanc-Lapierre, Picinbno, Propriétés statistiques du bruit de fond, Masson, 1961
- Kittel, Éléments de physique statistique, chap. 29 - 30, Dunod
- Portail de l’électricité et de l’électronique